LEMON Manuals: Even more car manuals for everyone
Home >> Scion >> 2007 >> tC Base, Automatic >> Repair and Diagnosis >> External Pages >> Different car >> Section 2 (OEM System Circuits) >> Cruise Control >> Notes

Cruise Control: Notes

WARNING: This page is about a different car, the 2012 Scion xD. However, it is still accessible from the selected car via links, so may be relevant.
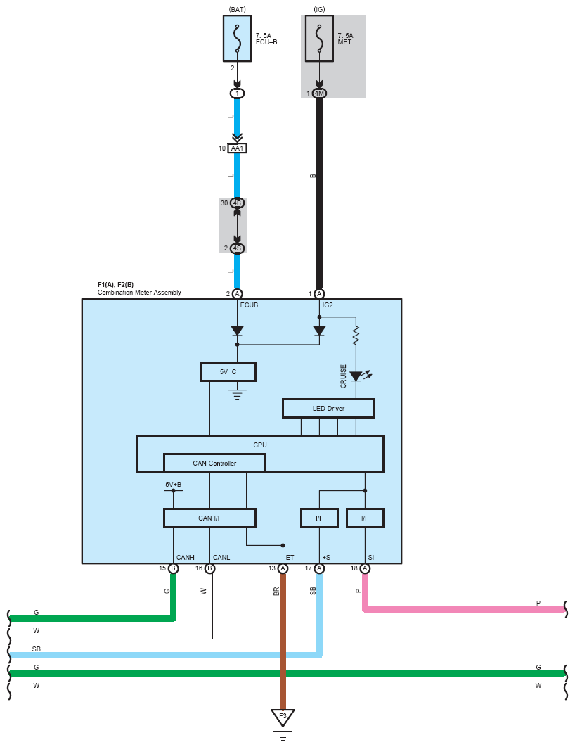
Fig 1: Cruise Control System Wiring Diagram (1 Of 6)
G08761224Courtesy of © TOYOTA, LICENSE AGREEMENT TMS1002
Fig 2: Cruise Control System Wiring Diagram (2 Of 6)
G08761225Courtesy of © TOYOTA, LICENSE AGREEMENT TMS1002
Fig 3: Cruise Control System Wiring Diagram (3 Of 6)
G08761226Courtesy of © TOYOTA, LICENSE AGREEMENT TMS1002
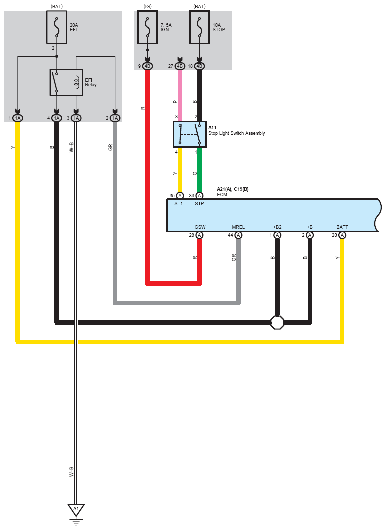
Fig 4: Cruise Control System Wiring Diagram (4 Of 6)
G08761227Courtesy of © TOYOTA, LICENSE AGREEMENT TMS1002
Fig 5: Cruise Control System Wiring Diagram (5 Of 6)
G08761228Courtesy of © TOYOTA, LICENSE AGREEMENT TMS1002
Fig 6: Cruise Control System Wiring Diagram (6 Of 6)
G08761229Courtesy of © TOYOTA, LICENSE AGREEMENT TMS1002