LEMON Manuals: Even more car manuals for everyone
Home >> Scion >> 2007 >> tC Base, Automatic >> Repair and Diagnosis >> External Pages >> Different car >> Section 2 (OEM System Circuits) >> Combination Meter >> Notes

Combination Meter: Notes

WARNING: This page is about a different car, the 2012 Scion xD. However, it is still accessible from the selected car via links, so may be relevant.
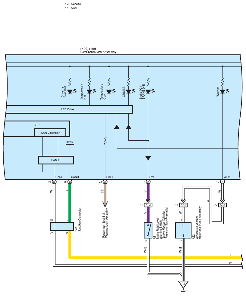
Fig 1: Combination Meter System Wiring Diagram (3 Of 6)
G08761243Courtesy of © TOYOTA, LICENSE AGREEMENT TMS1002
Fig 2: Combination Meter System Wiring Diagram (4 Of 6)
G08761244Courtesy of © TOYOTA, LICENSE AGREEMENT TMS1002
Fig 3: Combination Meter System Wiring Diagram (5 Of 6)
G08761245Courtesy of © TOYOTA, LICENSE AGREEMENT TMS1002
Fig 4: Combination Meter System Wiring Diagram (6 Of 6)
G08761246Courtesy of © TOYOTA, LICENSE AGREEMENT TMS1002