LEMON Manuals: Even more car manuals for everyone
Home >> Scion >> 2007 >> tC Base, Automatic >> Repair and Diagnosis >> External Pages >> Different car >> Section 2 (OEM System Circuits) >> Charging >> Notes

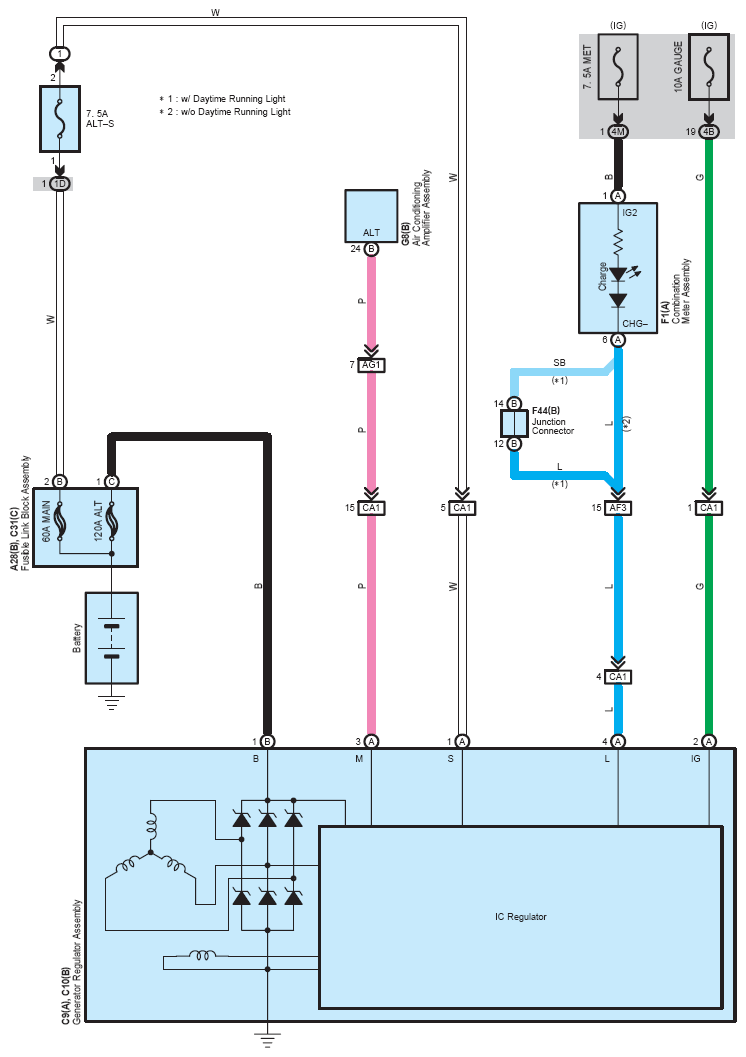
Section 2 (OEM System Circuits): Charging: Notes

WARNING: This page is about a different car, the 2012 Scion xD. However, it is still accessible from the selected car via links, so may be relevant.
Fig 1: Charging System Wiring Diagram
G08761147Courtesy of © TOYOTA, LICENSE AGREEMENT TMS1002