LEMON Manuals: Even more car manuals for everyone
Home >> Scion >> 2007 >> tC Base, Automatic >> Repair and Diagnosis >> External Pages >> Different car >> Section 2 (OEM System Circuits) >> Back Door Opener >> Notes

Back Door Opener: Notes

WARNING: This page is about a different car, the 2012 Scion xD. However, it is still accessible from the selected car via links, so may be relevant.
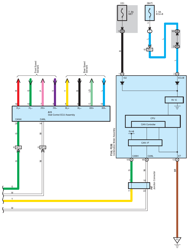
Fig 1: Back Door Opener System Wiring Diagram (1 Of 3)
G08761221Courtesy of © TOYOTA, LICENSE AGREEMENT TMS1002
Fig 2: Back Door Opener System Wiring Diagram (2 Of 3)
G08761222Courtesy of © TOYOTA, LICENSE AGREEMENT TMS1002
Fig 3: Back Door Opener System Wiring Diagram (3 Of 3)
G08761223Courtesy of © TOYOTA, LICENSE AGREEMENT TMS1002