LEMON Manuals: Even more car manuals for everyone
Home >> Scion >> 2007 >> tC Base, Automatic >> Repair and Diagnosis >> External Pages >> Different car >> Section 2 (OEM System Circuits) >> Audio System >> Notes

Audio System: Notes

WARNING: This page is about a different car, the 2012 Scion xD. However, it is still accessible from the selected car via links, so may be relevant.
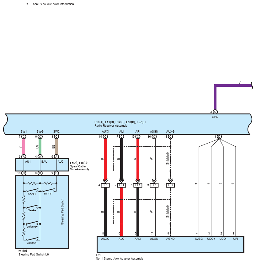
Fig 1: Audio System Wiring Diagram (1 Of 4)
G08761237Courtesy of © TOYOTA, LICENSE AGREEMENT TMS1002
Fig 2: Audio System Wiring Diagram (2 Of 4)
G08761238Courtesy of © TOYOTA, LICENSE AGREEMENT TMS1002
Fig 3: Audio System Wiring Diagram (3 Of 4)
G08761239Courtesy of © TOYOTA, LICENSE AGREEMENT TMS1002
Fig 4: Audio System Wiring Diagram (4 Of 4)
G08761240Courtesy of © TOYOTA, LICENSE AGREEMENT TMS1002