LEMON Manuals: Even more car manuals for everyone
Home >> Scion >> 2006 >> xB Automatic >> Repair and Diagnosis >> Engine Performance >> Engine Control Systems >> Engine Control System (1NZ-FE) >> Circuit Opening Relay >> On-Vehicle Inspection

On-Vehicle Inspection

  1. DISCONNECT CABLE FROM NEGATIVE BATTERY TERMINAL 
    CAUTION: Wait at least 90 seconds after disconnecting the cable from the negative (-) battery terminal to prevent airbag and seat belt pretensioner activation.
  2. REMOVE CIRCUIT OPENING RELAY (Marking: C/OPN) 
    1. Remove the circuit opening relay from the instrument panel junction block.
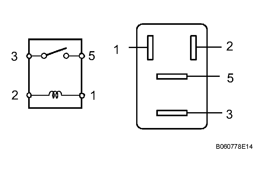
  3. INSPECT CIRCUIT OPENING RELAY 
    1. Measure the resistance of the circuit opening relay.

      Standard resistance 

      TESTER CONNECTION - SPECIFIED CONDITIONS

      Tester Connection Specified Condition
      3 - 5 10 kΩ or higher
      3 - 5 Below 1 Ω
      (when battery voltage is applied to terminals 1 and 2)
      Fig 1: Measuring Resistance Of Circuit Opening Relay
      G04225773Courtesy of © TOYOTA, LICENSE AGREEMENT TMS1002

      If the result is not as specified, replace the circuit opening relay.

  4. INSTALL CIRCUIT OPENING RELAY 
  5. CONNECT CABLE TO NEGATIVE BATTERY TERMINAL