LEMON Manuals: Even more car manuals for everyone
Home >> Scion >> 2006 >> xA Standard >> Repair and Diagnosis >> Engine Performance >> Engine Control Systems >> Engine Control System (1NZ-FE) >> SFI System >> System Diagram

System Diagram

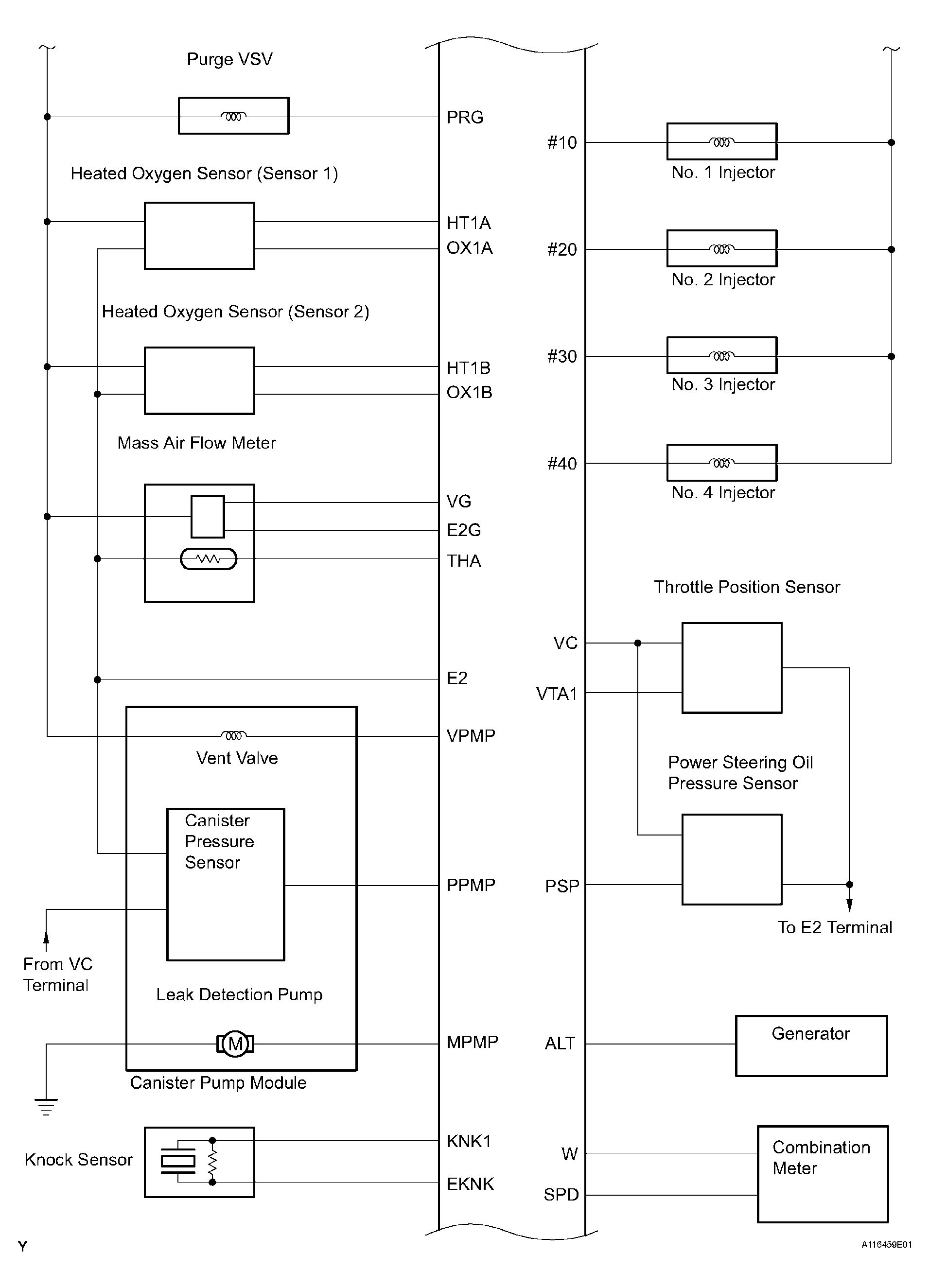
Fig 1: Engine Control System Diagram (1 Of 3)
G04152811Courtesy of © TOYOTA, LICENSE AGREEMENT TMS1002
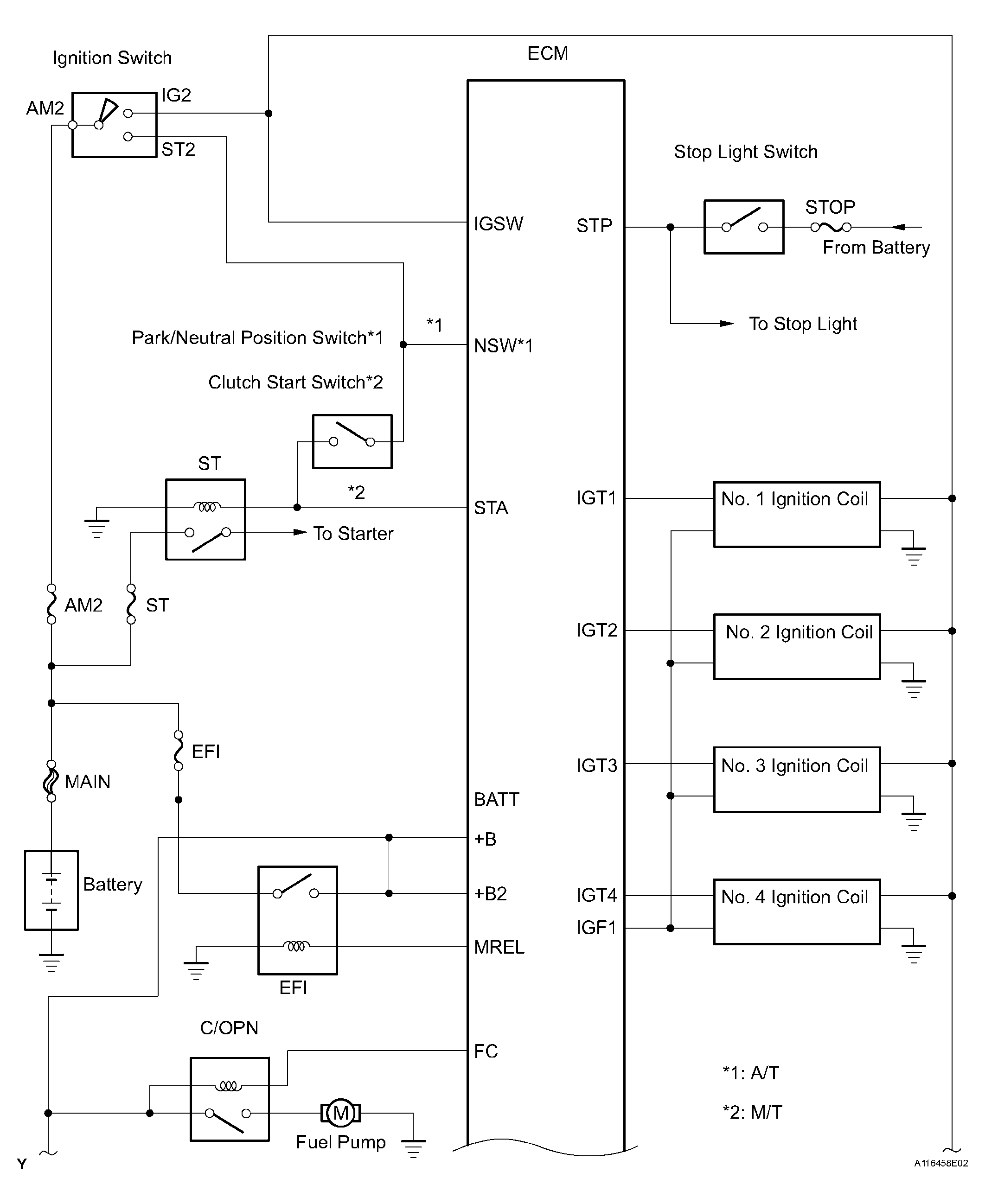
Fig 2: Engine Control System Diagram (2 Of 3)
G04152812Courtesy of © TOYOTA, LICENSE AGREEMENT TMS1002
Fig 3: Engine Control System Diagram (3 Of 3)
G04152813Courtesy of © TOYOTA, LICENSE AGREEMENT TMS1002