LEMON Manuals: Even more car manuals for everyone
Home >> Scion >> 2006 >> tC Standard >> Repair and Diagnosis >> Engine Performance >> Engine Control Systems >> Engine Control System (2AZ-FE) >> SFI System >> VC Output Circuit >> Wiring Diagram

VC Output Circuit: Wiring Diagram

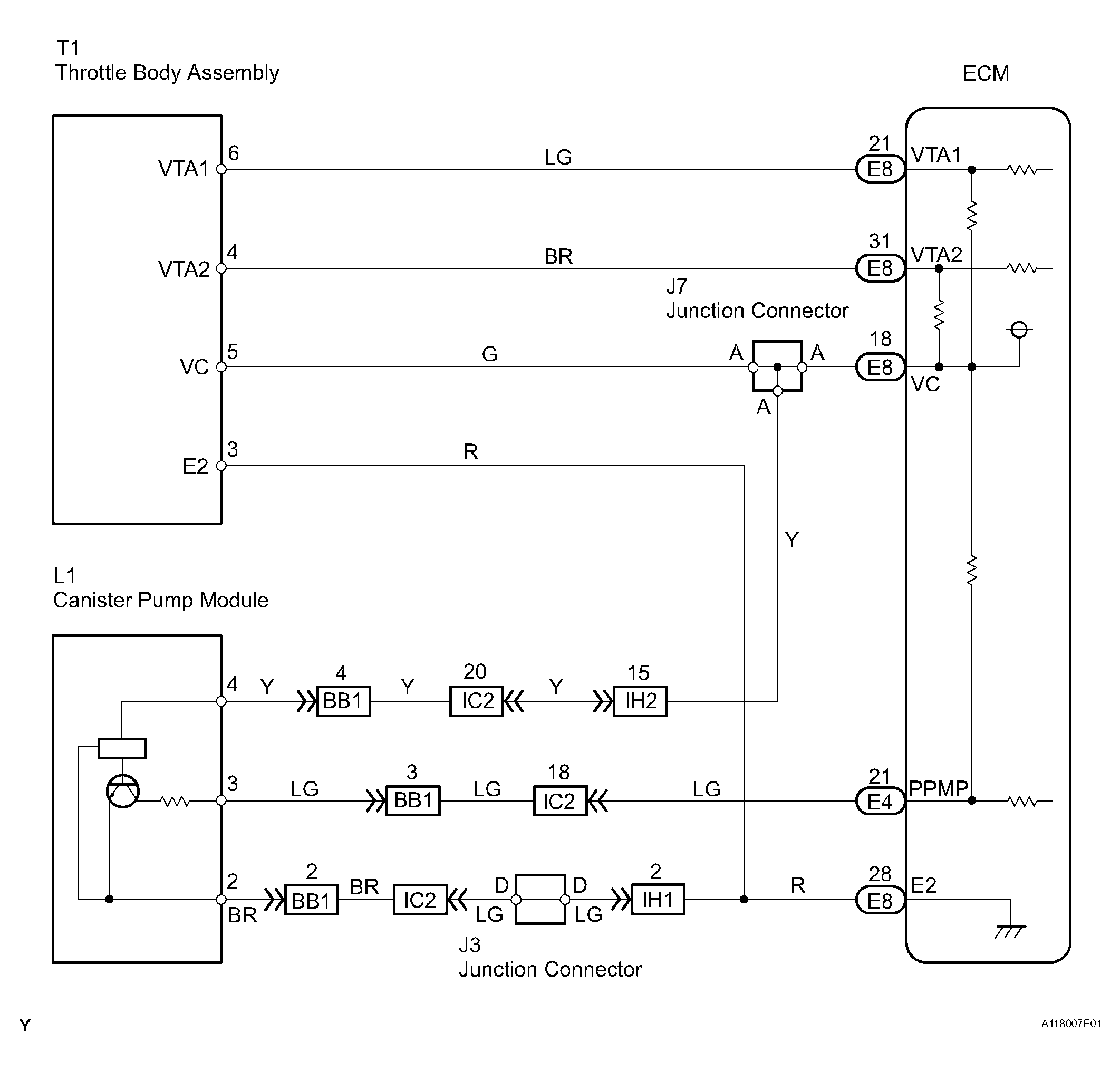
Fig 1: VC Output Circuit - Wiring Diagram
G04221305Courtesy of © TOYOTA, LICENSE AGREEMENT TMS1002
  1. CHECK MIL 
    1. Check that MIL (Malfunction Indicator Lamp) lights up when turning the ignition switch ON.

    Standard: 

    MIL lights up 

    OK : SYSTEM OK 

    NG 

  2. CHECK CONNECTION BETWEEN INTELLIGENT TESTER AND ECM 
    1. Connect the intelligent tester to the DLC3.
    2. Turn the ignition switch ON and turn the intelligent tester ON.
    3. Check the communication between the intelligent tester and ECM.

      Result 

    RESULT CHART

    Condition Proceed To
    Communication is possible A
    Communication is not possible B

    A : GO TO MIL CIRCUIT 

    B : Go to next step 

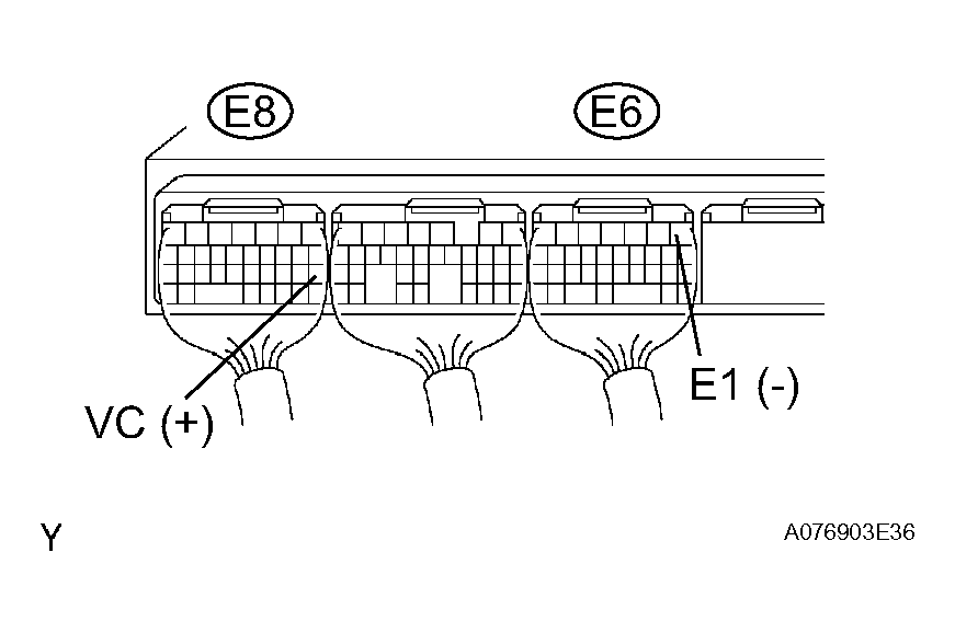
  3. INSPECT ECM (VC VOLTAGE) 
    1. Turn the ignition switch ON.
    2. Measure the voltage of the ECM connector.

      Result 

    TESTER CONNECTION SPECIFIED CONDITION CHART

    Tester Connection Specified Condition
    E8-18 (VC) - E6-1(E1) Voltage is not 5 V
    Fig 2: Measuring Voltage Of ECM Connector
    G04221306Courtesy of © TOYOTA, LICENSE AGREEMENT TMS1002

    NEXT 

  4. CHECK MIL (THROTTLE POSITION SENSOR) 
    1. Disconnect the T1 throttle body connector.
    2. Turn the ignition switch ON.
    3. Check the MIL.

      Result 

    RESULT CHART

    Condition Proceed To
    MIL illuminates A
    MIL does not illuminate B

    A : REPLACE THROTTLE BODY 

    B : Go to next step 

  5. CHECK MIL (CANISTER PUMP MODULE) 
    1. Disconnect the T1 throttle body connector.
    2. Turn the ignition switch ON.
    3. Check the MIL.

      Result 

    RESULT CHART

    Condition Proceed To
    MIL illuminates A
    MIL does not illuminate B

    A : REPLACE CANISTER 

    B : Go to next step 

  6. CHECK WIRE HARNESS (ECM - BODY GROUND) 
    1. Disconnect the T1 throttle body connector.
    2. Disconnect the L1 canister pump module connector.
    3. Disconnect the E8 ECM connector.
    4. Measure the resistance of the wire harness side connector.

    Standard resistance 

    TESTER CONNECTION SPECIFIED CONDITION CHART

    Tester Connection Specified Condition
    E8-18 (VC) - Body ground 10 kΩ or higher

    NG : REPAIR OR REPLACE HARNESS AND CONNECTOR 

    OK : REPLACE ECM