LEMON Manuals: Even more car manuals for everyone
Home >> Scion >> 2006 >> tC Standard >> Repair and Diagnosis >> Engine Performance >> Engine Control Systems >> Engine Control System (2AZ-FE) >> SFI System >> Fuel Pump Control Circuit >> Wiring Diagram

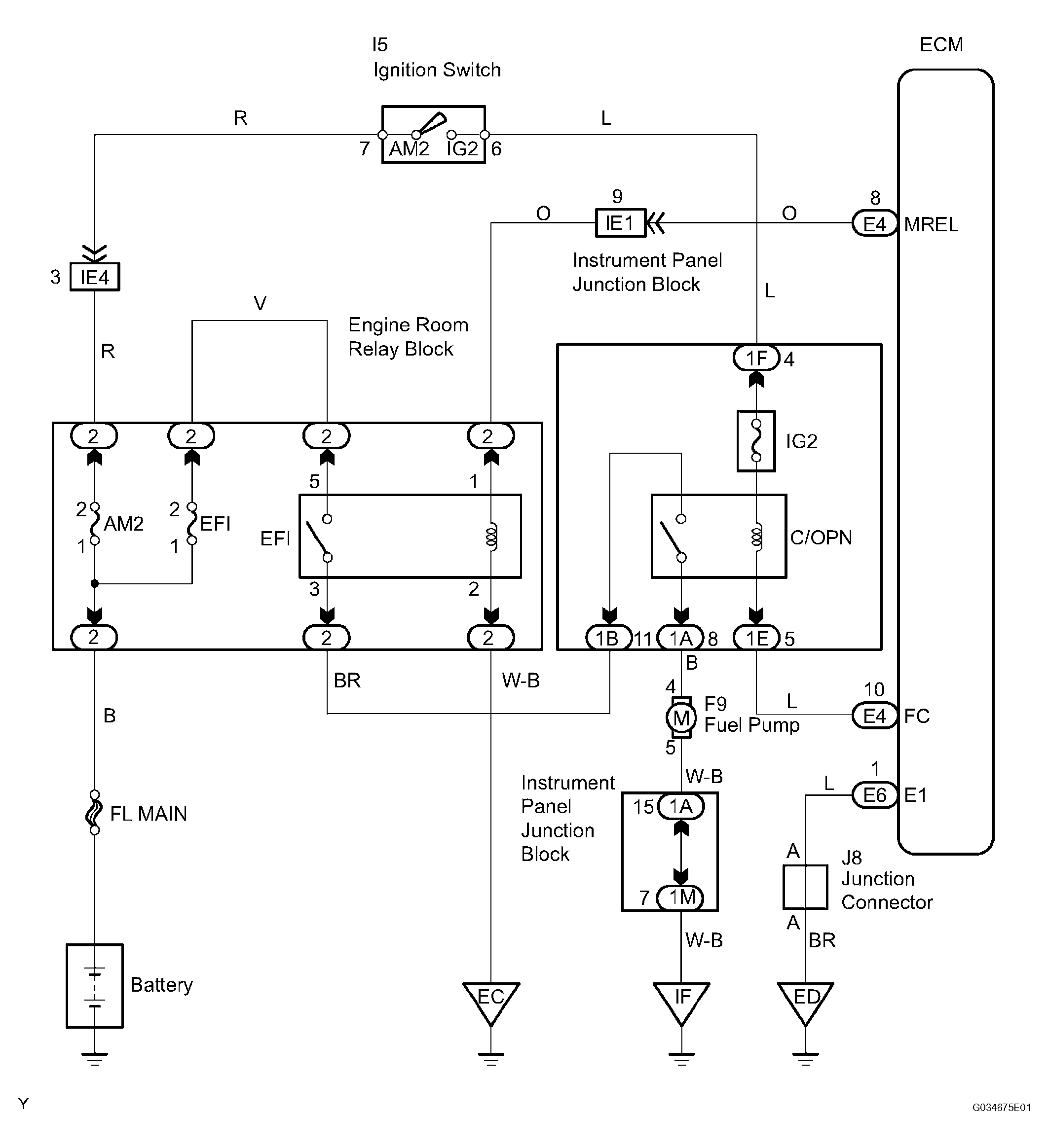
Fuel Pump Control Circuit: Wiring Diagram

Fig 1: Fuel Pump Control - Wiring Diagram
G04221308Courtesy of © TOYOTA, LICENSE AGREEMENT TMS1002
  1. PERFORM ACTIVE TEST USING INTELLIGENT TESTER (OPERATION OF CIRCUIT OPENING RELAY) 
    1. Connect the intelligent tester to the DLC3.
    2. Turn the ignition switch ON and turn the tester ON.
    3. Enter the following menus: DIAGNOSIS / ENHANCED OBD II / ACTIVE TEST / FUEL PUMP/SPD.
    4. Check whether operating sounds can be heard while operating the relay using the tester.

    OK: 

    Operating sounds can be heard from relay. 

    OK : GO TO STEP   7 

    NG 

  2. INSPECT ECM POWER SOURCE CIRCUIT 

    NG : REPAIR OR REPLACE POWER SOURCE CIRCUIT 

    OK : Go to next Step 

  3. INSPECT CIRCUIT OPENING RELAY (Marking: C/OPN) 
    1. Disconnect the 1A, 1B, 1D and 1E instrument panel junction block connector.
    2. Measure the resistance of the circuit opening relay.

    Standard resistance 

    TESTER CONNECTION SPECIFIED CONDITION CHART

    Tester Connection Specified Condition
    1B (11) - 1A (8) 10 kΩ or higher
    1B (11) - 1A (8) Below 1Ω (when battery voltage is applied to terminals 1E (5) and 1D (1))

    NG : REPLACE INSTRUMENT PANEL JUNCTION BLOCK ASSEMBLY 

    Fig 2: Measuring Resistance Of Circuit Opening Relay
    G04221309Courtesy of © TOYOTA, LICENSE AGREEMENT TMS1002

    OK : Go to next Step 

  4. INSPECT ECM (FC VOLTAGE) 
    1. Turn the ignition switch ON.
    2. Measure the voltage of the ECM connectors.

      standard voltage 

    TESTER CONNECTION SPECIFIED CONDITION CHART

    Tester Connection Specified Condition
    FC (E4-10) - E1 (E6-1) 9 to 14 V

    OK : REPLACE ECM 

    Fig 3: Measuring Voltage Of u Connectors
    G04221310Courtesy of © TOYOTA, LICENSE AGREEMENT TMS1002

    NG 

  5. CHECK WIRE HARNESS (IGNITION SWITCH - CIRCUIT OPENING RELAY (Marking: C/ OPN)) 
    1. Disconnect the I5 ignition switch connector.
      Fig 4: Identifying I5 Ignition Switch Connector Terminals
      G04221311Courtesy of © TOYOTA, LICENSE AGREEMENT TMS1002
    2. Disconnect the 1F instrument panel junction block connector.
    3. Measure the resistance of the wire harness side connectors.

    Standard resistance 

    TESTER CONNECTION SPECIFIED CONDITION CHART

    Tester Connection Specified Condition
    IG2 (I5-6) - Instrument panel junction block (1F-4) Below 1 Ω
    IG2 (I5-6) or Instrument panel junction block (1F-4) - Body ground 10 kΩ or higher

    NG : REPAIR OR REPLACE HARNESS AND CONNECTOR 

    Fig 5: Disconnecting 1F Instrument Panel Junction Block Connector
    G04221312Courtesy of © TOYOTA, LICENSE AGREEMENT TMS1002

    OK : Go to next Step 

  6. CHECK WIRE HARNESS (ECM - CIRCUIT OPENING RELAY) 
    1. Disconnect the E4 ECM connector.
      Fig 6: Disconnecting E4 ECM Connector
      G04221313Courtesy of © TOYOTA, LICENSE AGREEMENT TMS1002
    2. Disconnect the 1E instrument panel junction block connector.
    3. Measure the resistance of the wire harness side connectors.

    Standard resistance 

    TESTER CONNECTION SPECIFIED CONDITION CHART

    Tester Connection Specified Condition
    FC (E4-10) - Instrument panel junction block (1E-5) Below 1 Ω
    FC (E4-10) or Instrument panel junction block (1E-5) - Body ground 10 kΩ or higher

    NG : REPAIR OR REPLACE HARNESS AND CONNECTOR 

    Fig 7: Disconnecting 1E Instrument Panel Junction Block Connector
    G04221314Courtesy of © TOYOTA, LICENSE AGREEMENT TMS1002

    OK : REPLACE ECM 

  7. INSPECT FUEL PUMP 
    1. Inspect the fuel pump (see INSPECTION ).

    NG : REPLACE FUEL PUMP 

    OK : Go to next Step 

  8. CHECK WIRE HARNESS (FUEL PUMP - CIRCUIT OPENING RELAY (C/OPN), BODY GROUND) 
    1. Disconnect the 1A instrument panel junction block connector.
      Fig 8: Identifying 1A Instrument Panel Junction Block Connector Terminals
      G04221315Courtesy of © TOYOTA, LICENSE AGREEMENT TMS1002
    2. Disconnect the F9 fuel pump connector.
    3. Measure the resistance of the wire harness side connectors.

    Standard resistance 

    TESTER CONNECTION SPECIFIED CONDITION CHART

    Tester Connection Specified Condition
    Instrument panel junction block (1A-8) - Fuel pump (F9-4) Below 1 Ω
    Fuel pump (F9-5) - Body ground Below 1 Ω
    Instrument panel junction block (1A-8) or Fuel pump (F9-4) - Body ground 10 kΩ or higher

    NG : REPAIR OR REPLACE HARNESS AND CONNECTOR 

    Fig 9: Identifying F9 Fuel Pump Connector Terminals
    G04221316Courtesy of © TOYOTA, LICENSE AGREEMENT TMS1002

    OK : CHECK AND REPAIR HARNESS AND CONNECTOR (EFI RELAY - CIRCUIT OPENING RELAY)