LEMON Manuals: Even more car manuals for everyone
Home >> Scion >> 2006 >> tC Automatic >> Repair and Diagnosis >> Engine Performance >> Engine Control Systems >> Engine Control System (2AZ-FE) >> SFI System >> EVAP System >> Wiring Diagram

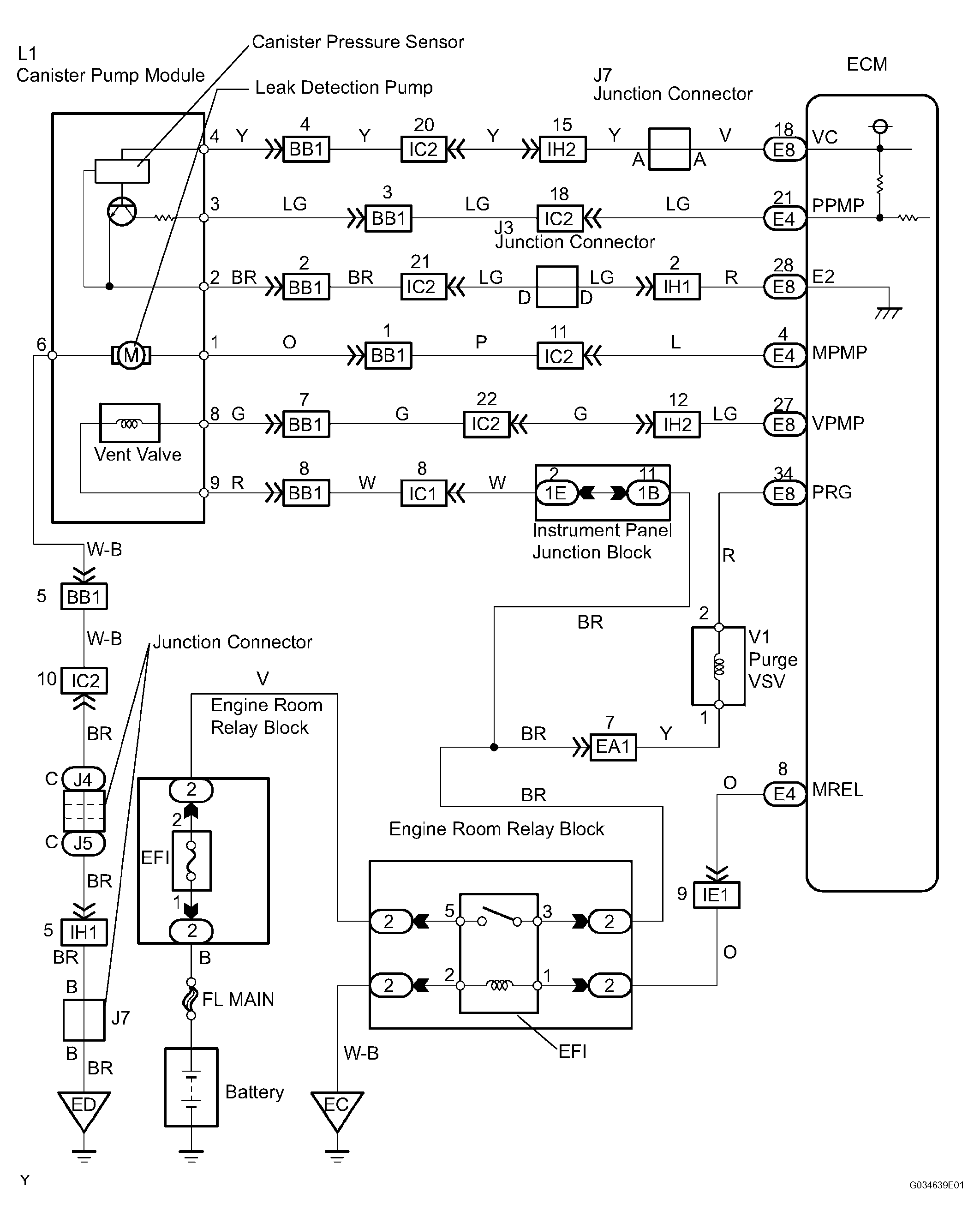
EVAP System: Wiring Diagram

Fig 1: EVAP System - Wiring Diagram
G04221265Courtesy of © TOYOTA, LICENSE AGREEMENT TMS1002

CONFIRMATION DRIVING PATTERN 

Check the monitor result after driving with this driving pattern.

  1. Key-off monitor drive pattern 
    1. Connect the intelligent tester to the DLC3.
    2. Confirm that the following conditions are satisfied:
      • The fuel level is less than 90%.
      • The altitude is less than 2,400 m (8,000 ft.).
      • The vehicle is stopped (the vehicle speed is less than 3.2 km/h (2 mph).
      • The engine coolant temperature is 4.4 to 35°C (4 to 95°F).
      • The intake air temperature is 4.4 to 35°C (4 to 95°F).
    3. Perform the drive pattern:
      1. Allow the engine to idle for 5 minutes or more.
      2. Turn the ignition switch OFF and wait 6 hours.
    4. Check the monitor result with the intelligent tester.
  2. Purge flow monitor drive pattern (P0441) 
    1. Connect the intelligent tester to the DLC3.
    2. Confirm that the following conditions are satisfied:
      • The engine coolant temperature is more than 4.4°C (40°F).
      • The intake air temperature is more than 4.4°C (40°F).
    3. Perform the drive pattern:
      1. Remove and reinstall the fuel tank cap to release the fuel tank pressure.
      2. Warm the engine until the engine coolant temperature reaches 75°C (167°F) or more.
      3. Run the engine at 3,000 rpm once.
      4. Allow the engine to idle and turn the air conditioning ON for 1 minute.
    4. Check the monitor result with the intelligent tester.