LEMON Manuals: Even more car manuals for everyone
Home >> Scion >> 2005 >> tC Standard >> Repair and Diagnosis >> Body & Frame >> Windows >> Power Window Control System >> Auto Up/Down Function Does Not Operate On Driver Side >> Wiring Diagram

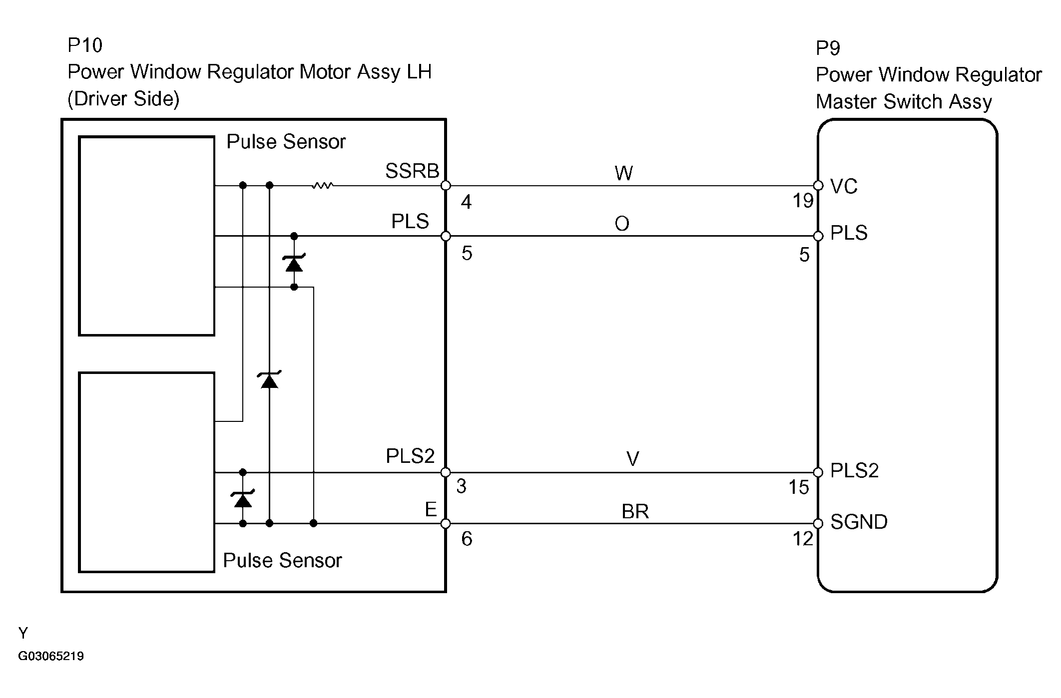
Auto Up/Down Function Does Not Operate On Driver Side: Wiring Diagram

Fig 1: Wiring Diagram - Auto Up/Down (Driver Side)
G03065219Courtesy of © TOYOTA, LICENSE AGREEMENT TMS1002