LEMON Manuals: Even more car manuals for everyone
Home >> Saturn >> 2010 >> Sky Base, Standard >> Repair and Diagnosis >> Accessories & Equipment >> Infotainment >> Cellular Systems, Entertainment Systems & Navigation Systems >> Schematic and Routing Diagrams >> Radio/Navigation System Schematics

Radio/Navigation System Schematics

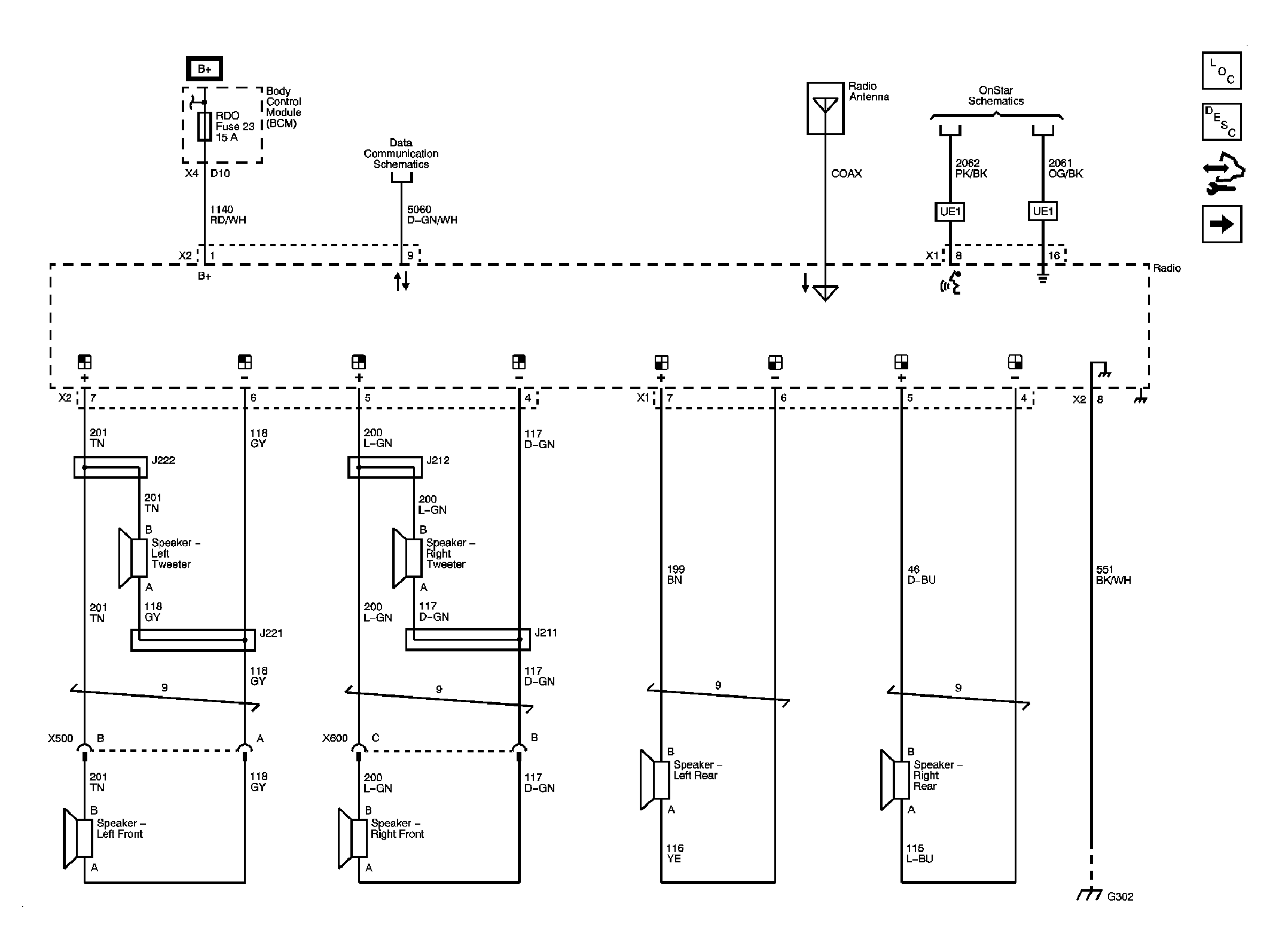
Fig 1: Radio, Speakers (UW5) Circuit Schematic
GM2225166Courtesy of GENERAL MOTORS CORP.
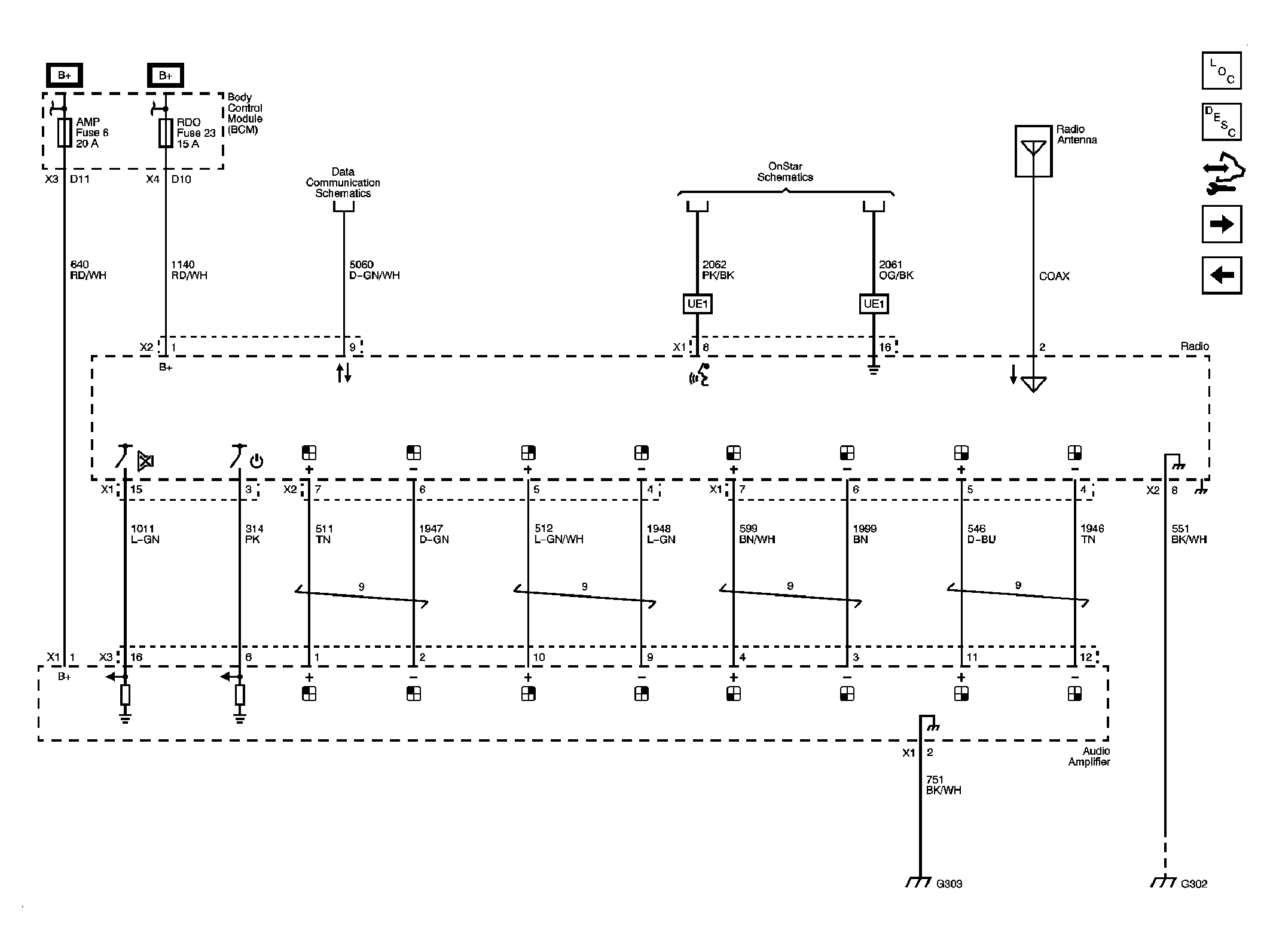
Fig 2: Amplifier Power, Speakers (UQ3) Circuit Schematic (1 of 2)
GM2225169Courtesy of GENERAL MOTORS CORP.
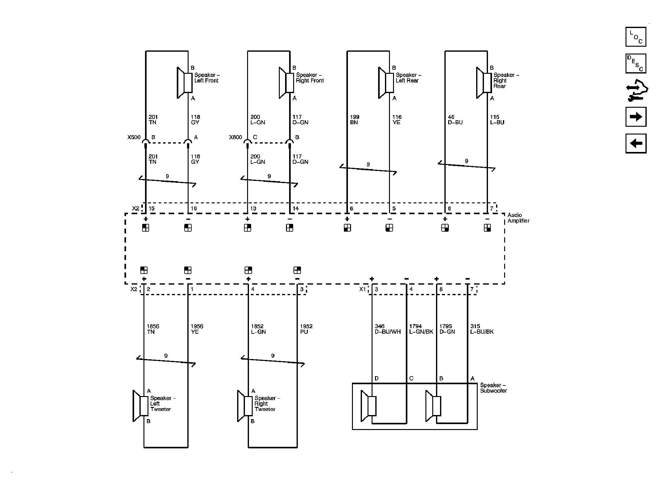
Fig 3: Amplifier Power, Speakers (UQ3) Circuit Schematic (2 of 2)
GM2225171Courtesy of GENERAL MOTORS CORP.
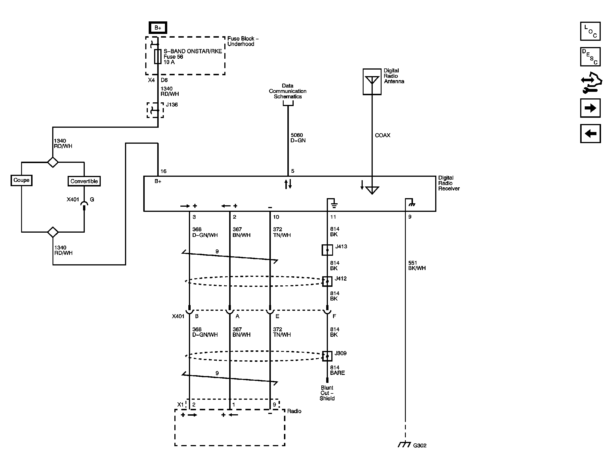
Fig 4: Digital Radio Receiver (U2K) Circuit Schematic
GM2225173Courtesy of GENERAL MOTORS CORP.
Fig 5: Redundant Radio Controls Circuit Schematic
GM2225175Courtesy of GENERAL MOTORS CORP.