LEMON Manuals: Even more car manuals for everyone
Home >> Saturn >> 2009 >> Vue Red Line, AWD >> Repair and Diagnosis >> External Pages >> Different car >> Section 129 (Antilock Brake System With Traction Control System & Stability Control System) >> Schematic and Routing Diagrams >> ABS Schematics

ABS Schematics

WARNING: This page is about a different car, the 2006 Buick LaCrosse and 2006 Buick Allure. However, it is still accessible from the selected car via links, so may be relevant.
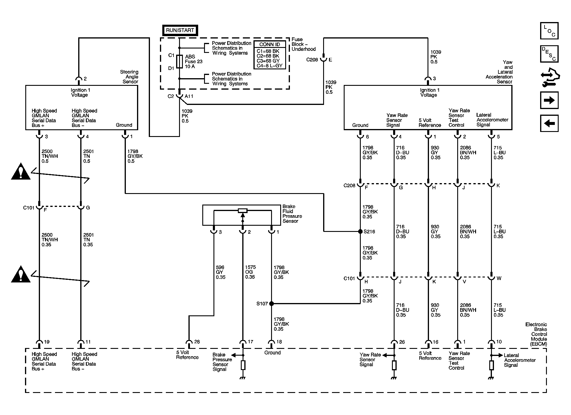
Fig 1: Power, Ground and Brake Pressure Modulator Valves
GM1645389Courtesy of GENERAL MOTORS CORP.
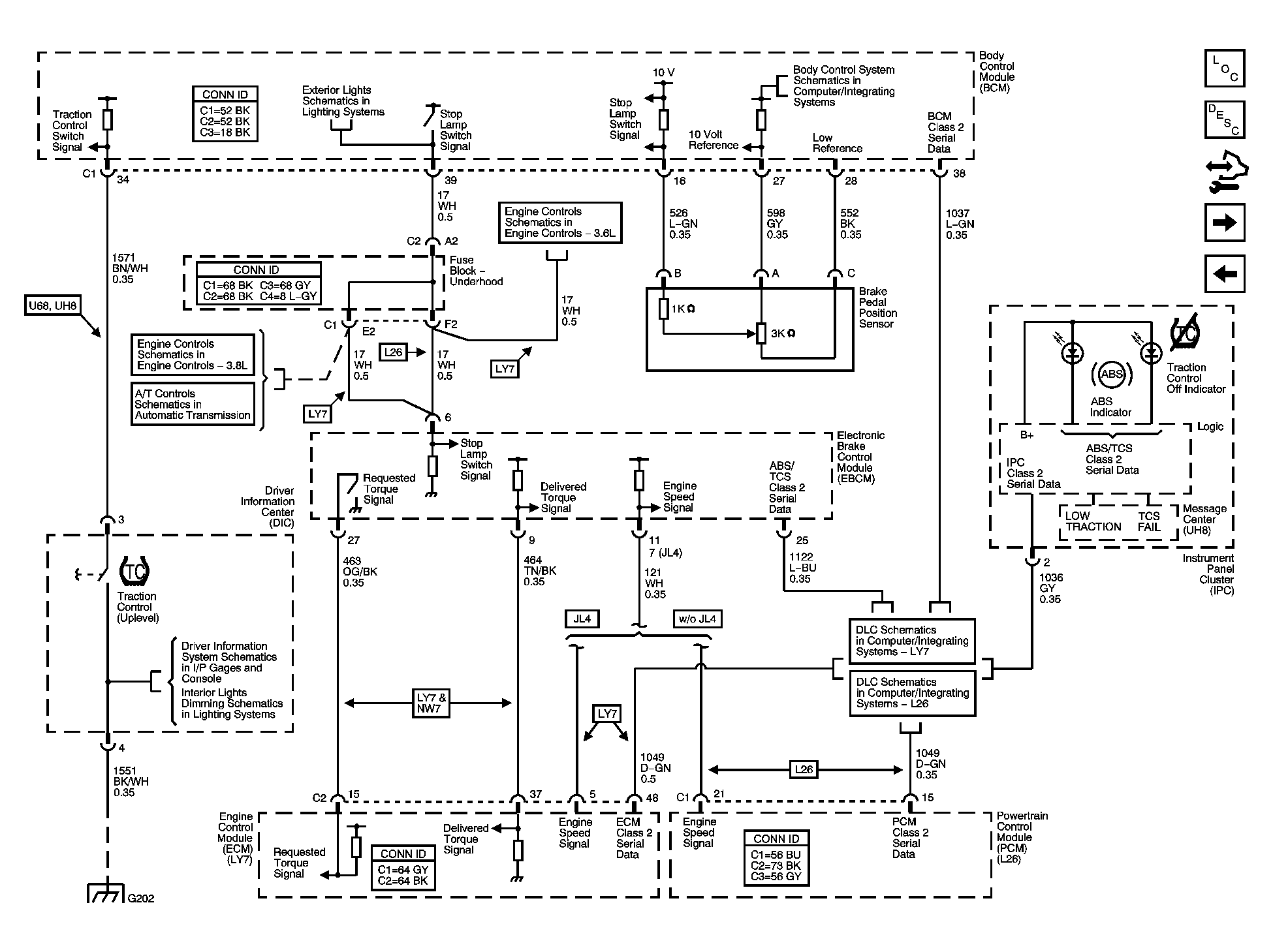
Fig 2: Indicators, Stop Lamp, Traction Controls and Serial Data
GM1645390Courtesy of GENERAL MOTORS CORP.
Fig 3: Active Brake and Stability Controls (JL4)
GM1645392Courtesy of GENERAL MOTORS CORP.
Fig 4: Wheel Speed Sensors
GM1645393Courtesy of GENERAL MOTORS CORP.