LEMON Manuals: Even more car manuals for everyone
Home >> Saturn >> 2009 >> Vue Red Line, AWD >> Repair and Diagnosis >> External Pages >> Different car >> Section 1140 (Cellular System, Entertainment System, And Navigation System) >> Schematic and Routing Diagrams >> Video System Schematics

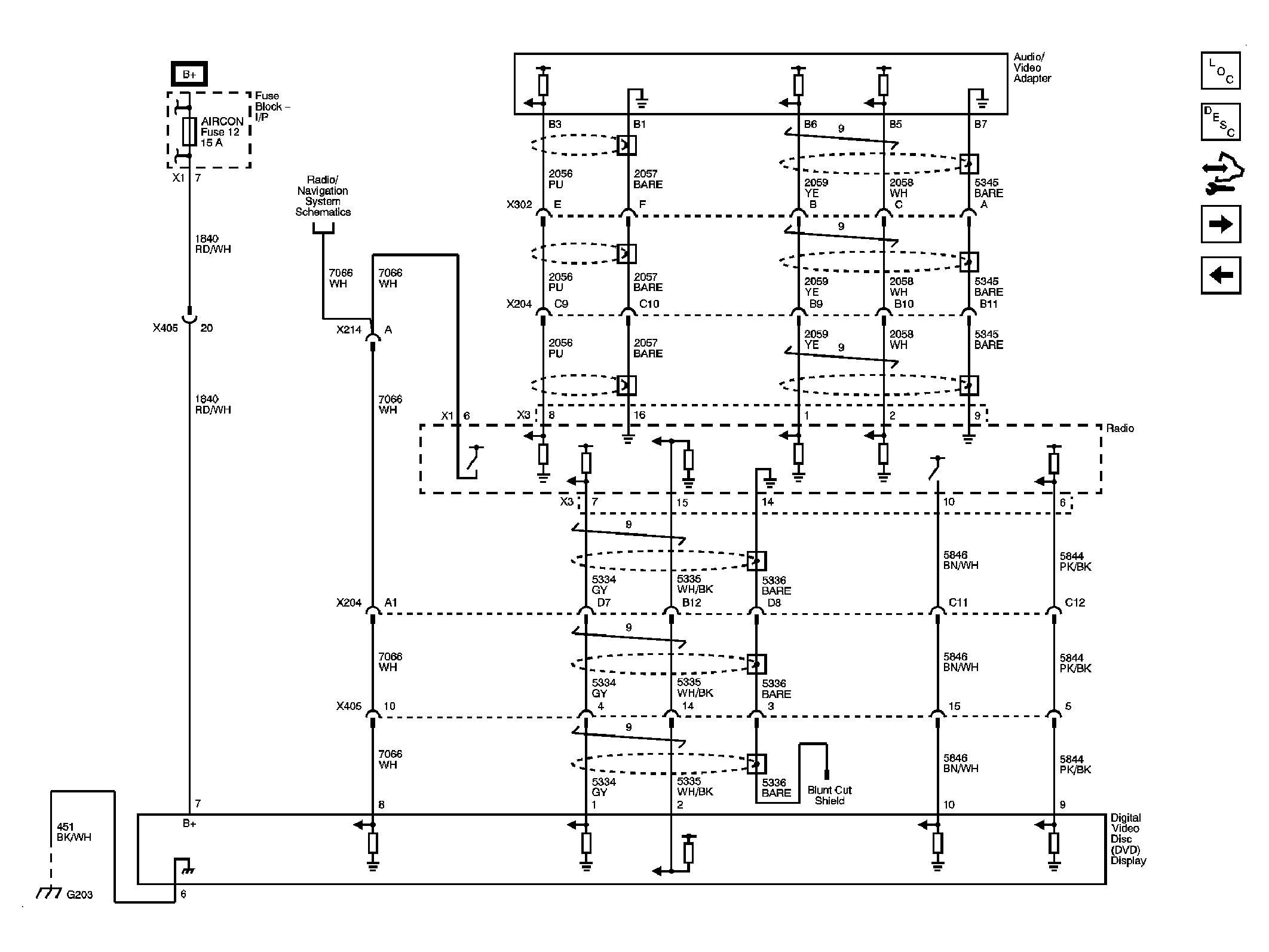
Video System Schematics

WARNING: This page is about a different car, the 2008 Saturn Vue. However, it is still accessible from the selected car via links, so may be relevant.
Fig 1: Rear Video/Audio Power, Grounds, Data Communications And Infrared Module - Schematic
GM1882236Courtesy of GENERAL MOTORS CORP.
Fig 2: Rear Seat Video Display - Schematic
GM1882239Courtesy of GENERAL MOTORS CORP.