LEMON Manuals: Even more car manuals for everyone
Home >> Saturn >> 2009 >> Vue Red Line, AWD >> Repair and Diagnosis >> External Pages >> Different car >> Section 1140 (Cellular System, Entertainment System, And Navigation System) >> Schematic and Routing Diagrams >> Radio/Navigation System Schematics

Radio/Navigation System Schematics

WARNING: This page is about a different car, the 2008 Saturn Vue. However, it is still accessible from the selected car via links, so may be relevant.
Fig 1: Radio - Schematic
GM1882130Courtesy of GENERAL MOTORS CORP.
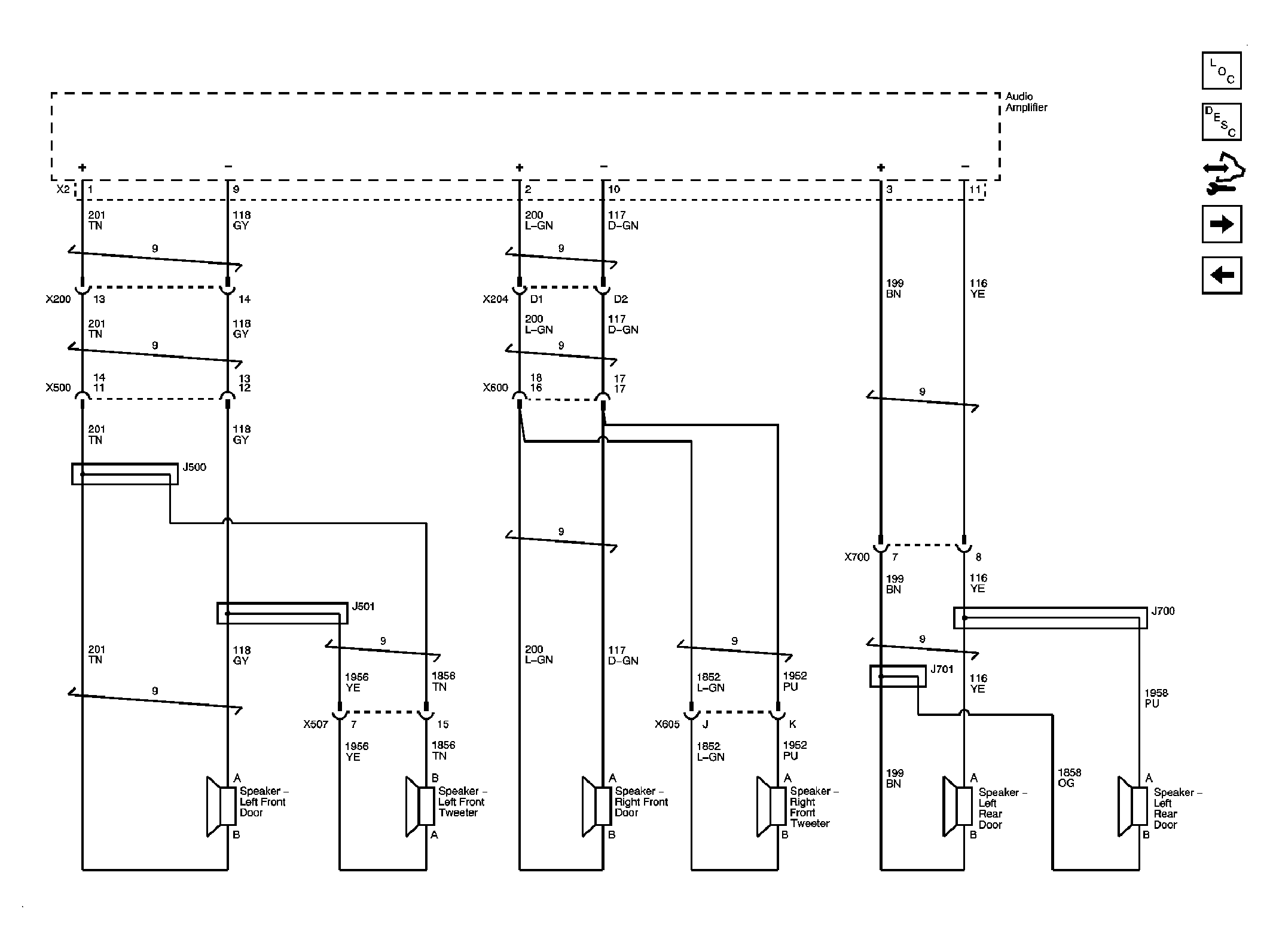
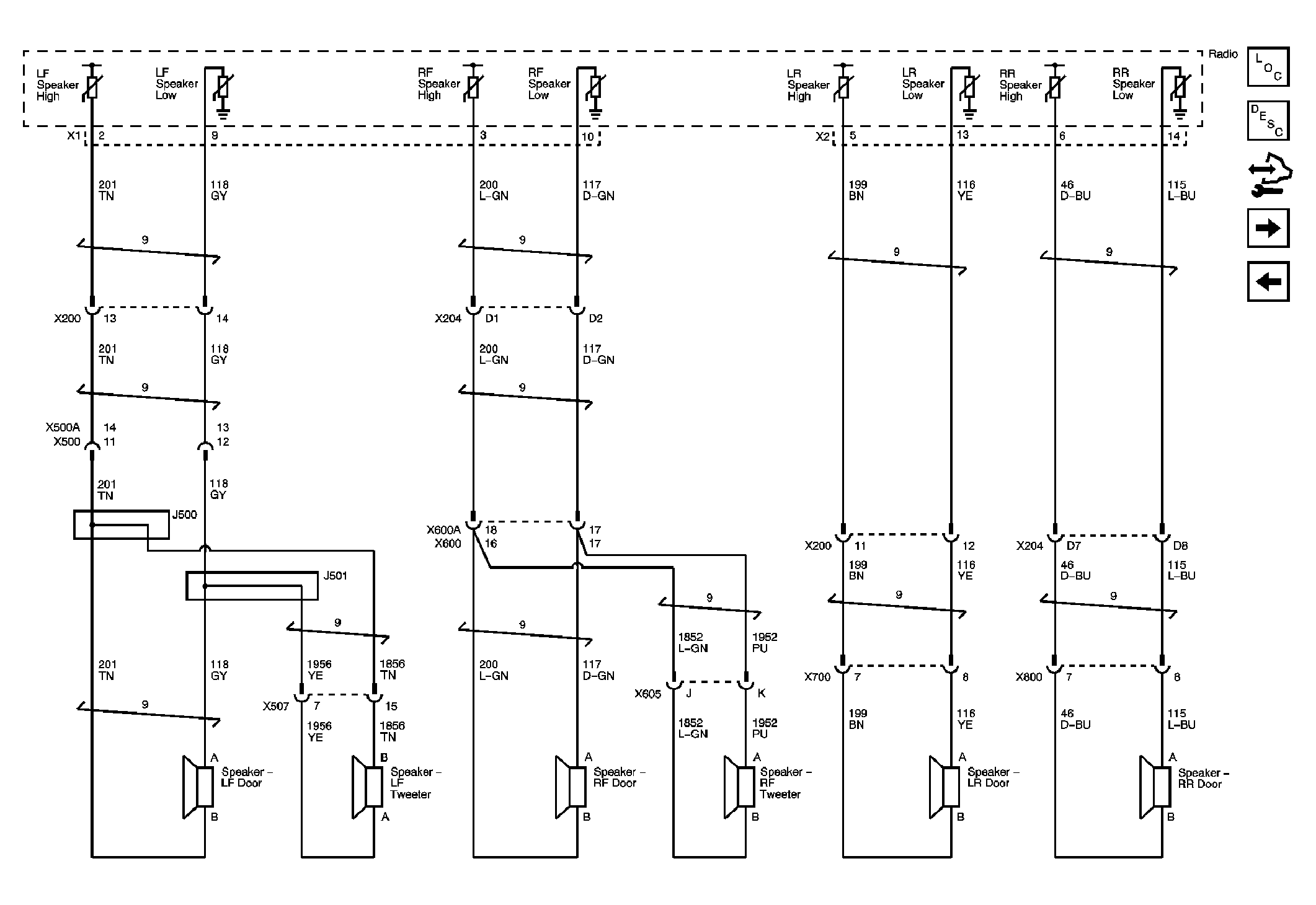
Fig 2: Speakers (UW6) - Schematic
GM1882132Courtesy of GENERAL MOTORS CORP.
Fig 3: Speakers (U61) - Schematic
GM1882144Courtesy of GENERAL MOTORS CORP.
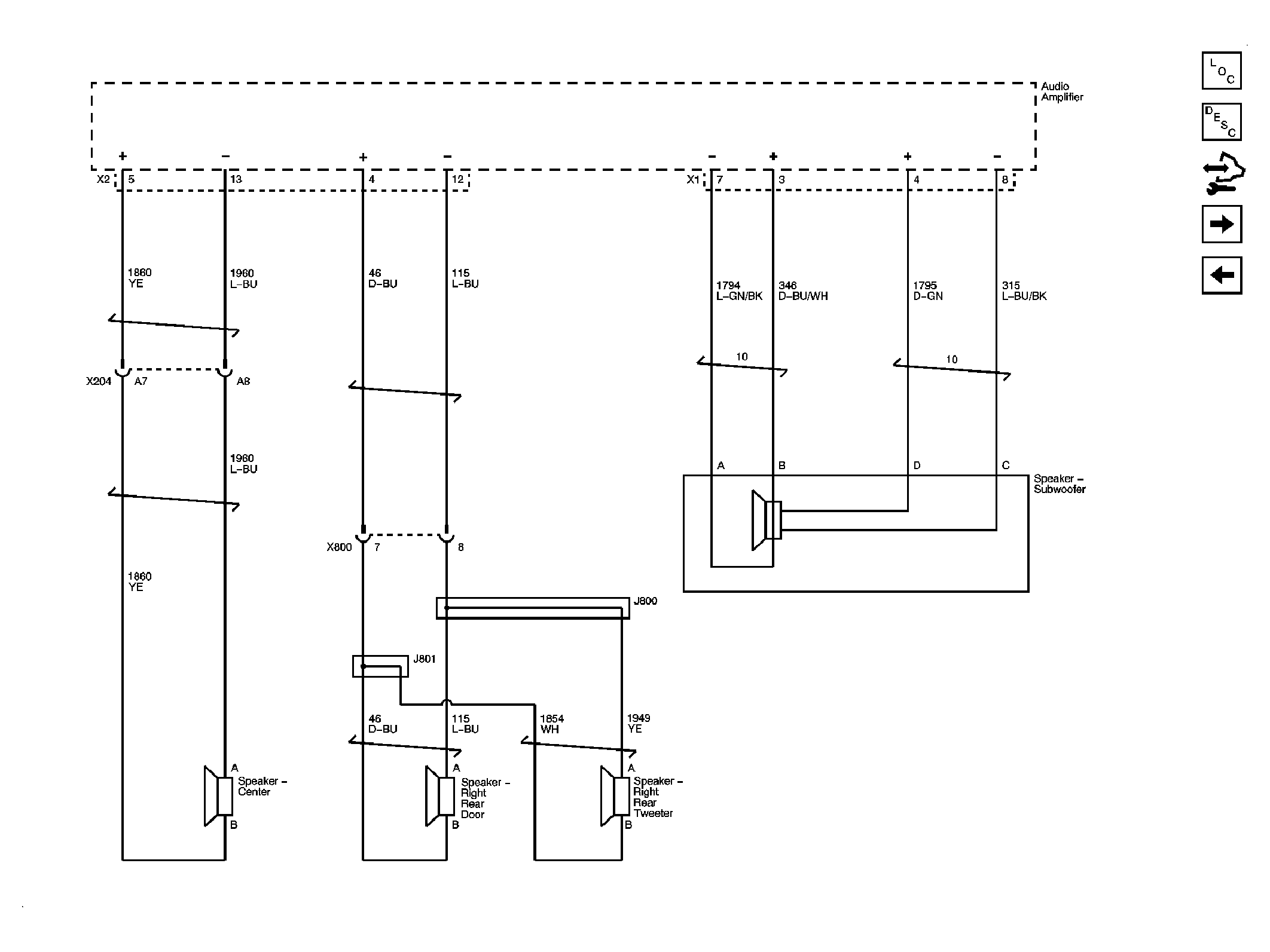
Fig 4: Speakers (U61) 2 Of 2 - Schematic
GM1882176Courtesy of GENERAL MOTORS CORP.
Fig 5: Audio Amplifier - Schematic
GM1882142Courtesy of GENERAL MOTORS CORP.
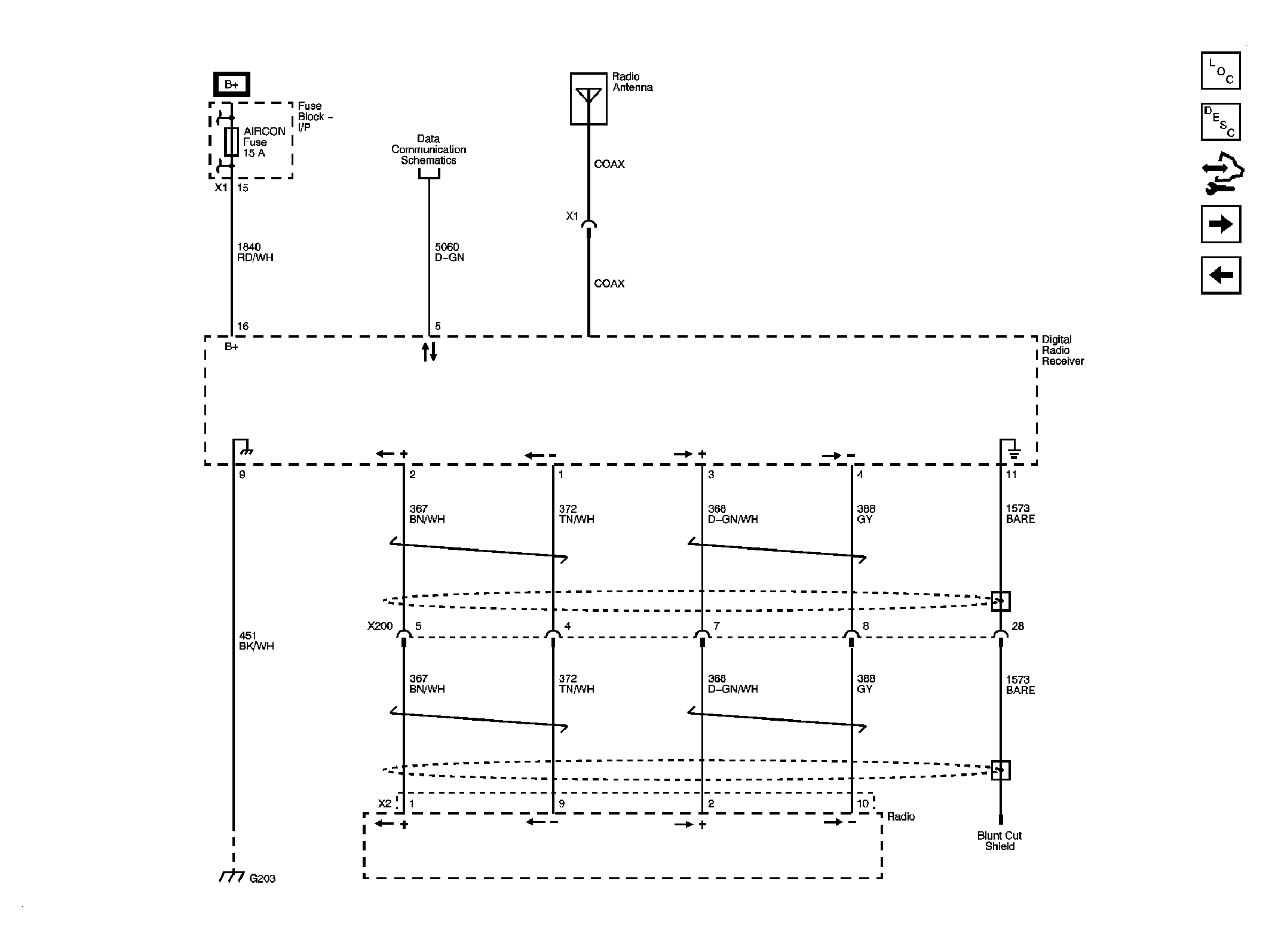
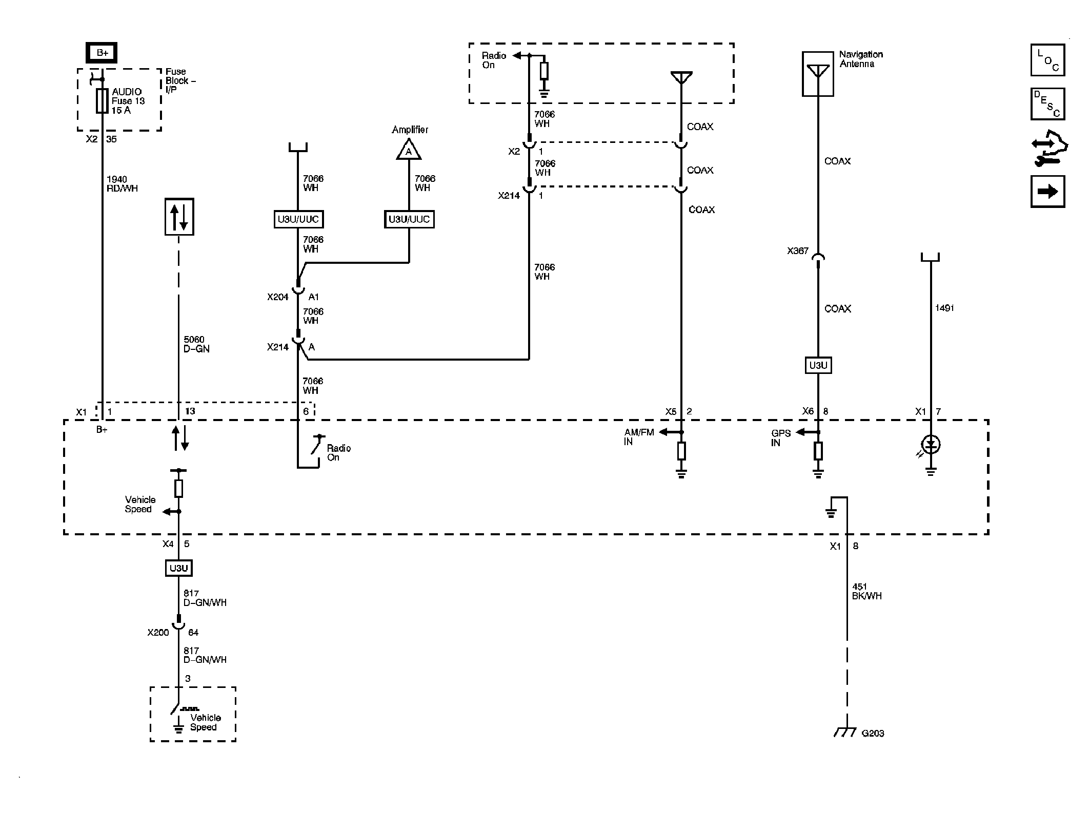
Fig 6: Digital Radio - Schematic
GM1882308Courtesy of GENERAL MOTORS CORP.
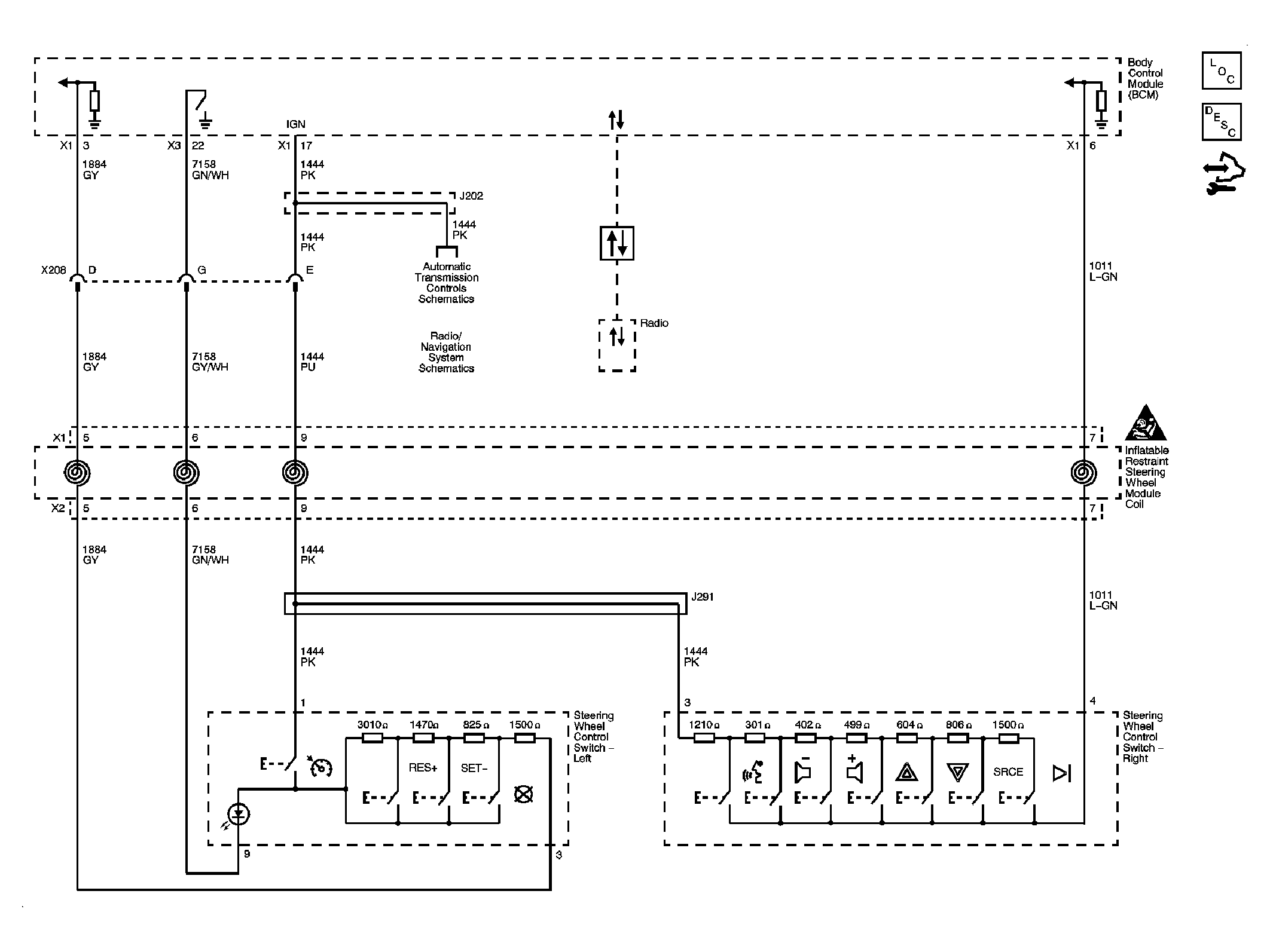
Fig 7: Steering Wheel Controls - Schematic
GM1882399Courtesy of GENERAL MOTORS CORP.