LEMON Manuals: Even more car manuals for everyone
Home >> Saturn >> 2009 >> Sky Red Line, Standard >> Repair and Diagnosis >> External Pages >> Different car >> Section 87 (Cellular System, Entertainment System, And Navigation System) >> Schematic & Routing Diagrams >> OnStar Schematics

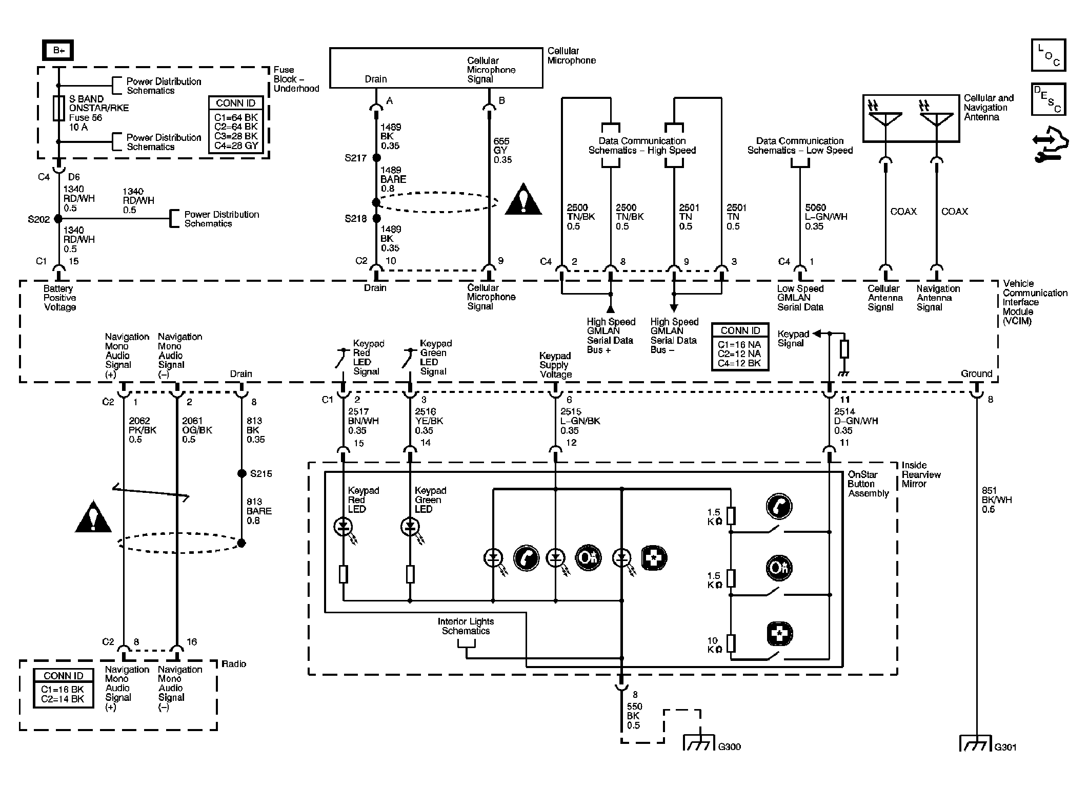
OnStar Schematics

WARNING: This page is about a different car, the 2008 Saturn Sky and 2008 Pontiac Solstice. However, it is still accessible from the selected car via links, so may be relevant.
Fig 1: OnStar Schematic
GM1914157Courtesy of GENERAL MOTORS CORP.