LEMON Manuals: Even more car manuals for everyone
Home >> Saturn >> 2009 >> Sky Base, Standard >> Repair and Diagnosis >> Engine Performance >> System >> Engine Controls And Fuel - 2.4L - Introduction >> Schematic and Routing Diagrams >> Engine Controls Schematics

Engine Controls Schematics

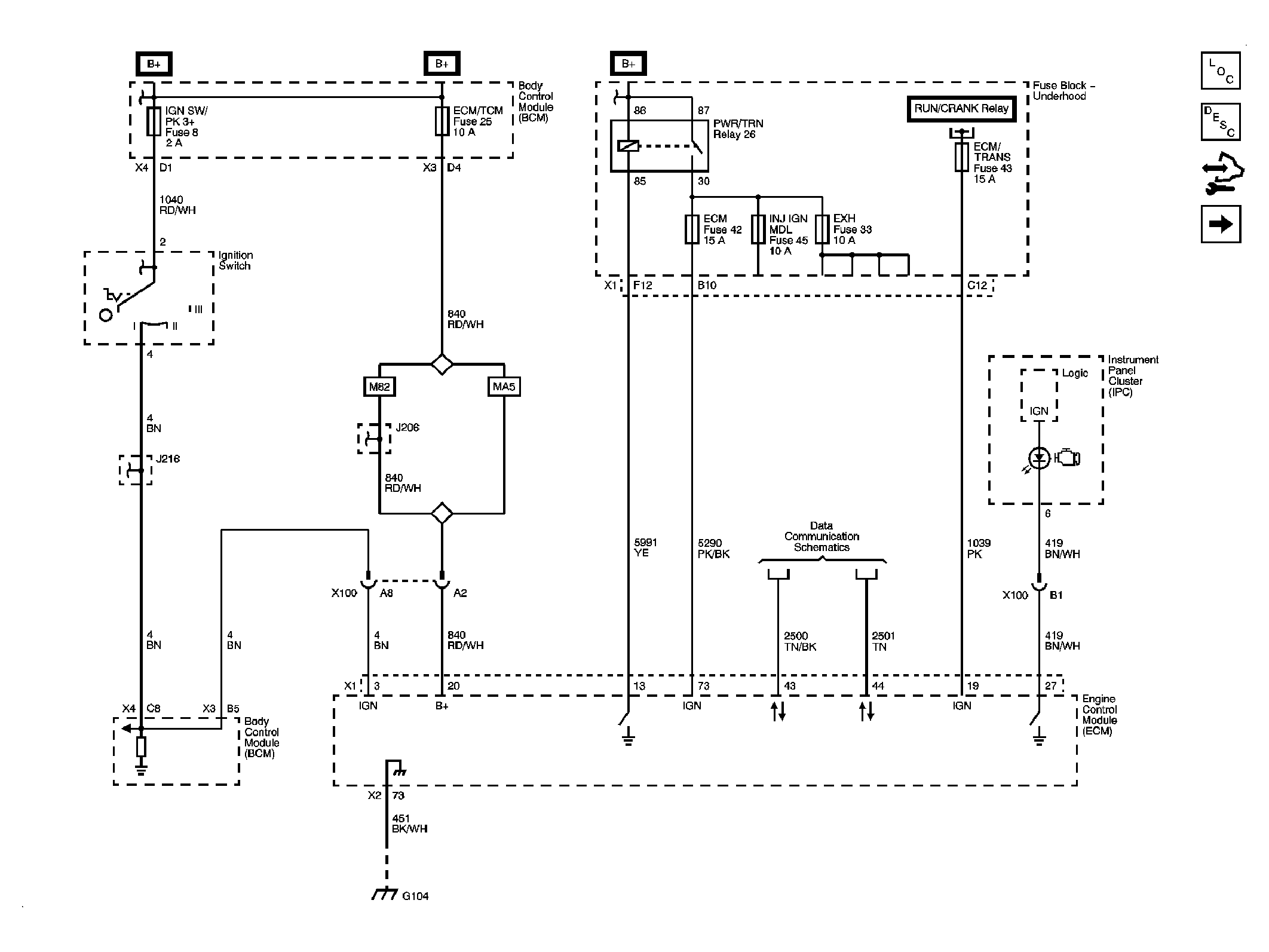
Fig 1: Power, Ground, Data Link & MIL
GM2049484Courtesy of GENERAL MOTORS CORP.
Fig 2: 5-Volt & Low Reference
GM2049486Courtesy of GENERAL MOTORS CORP.
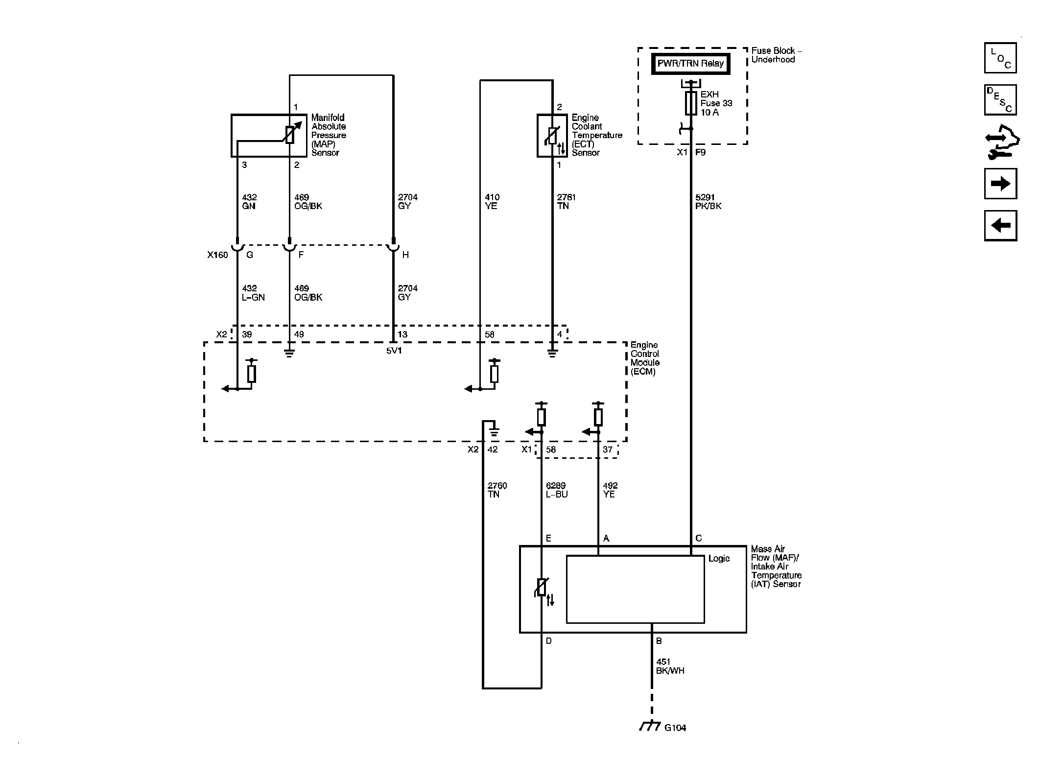
Fig 3: Engine Data Sensors - Pressure & Temperature
GM2049488Courtesy of GENERAL MOTORS CORP.
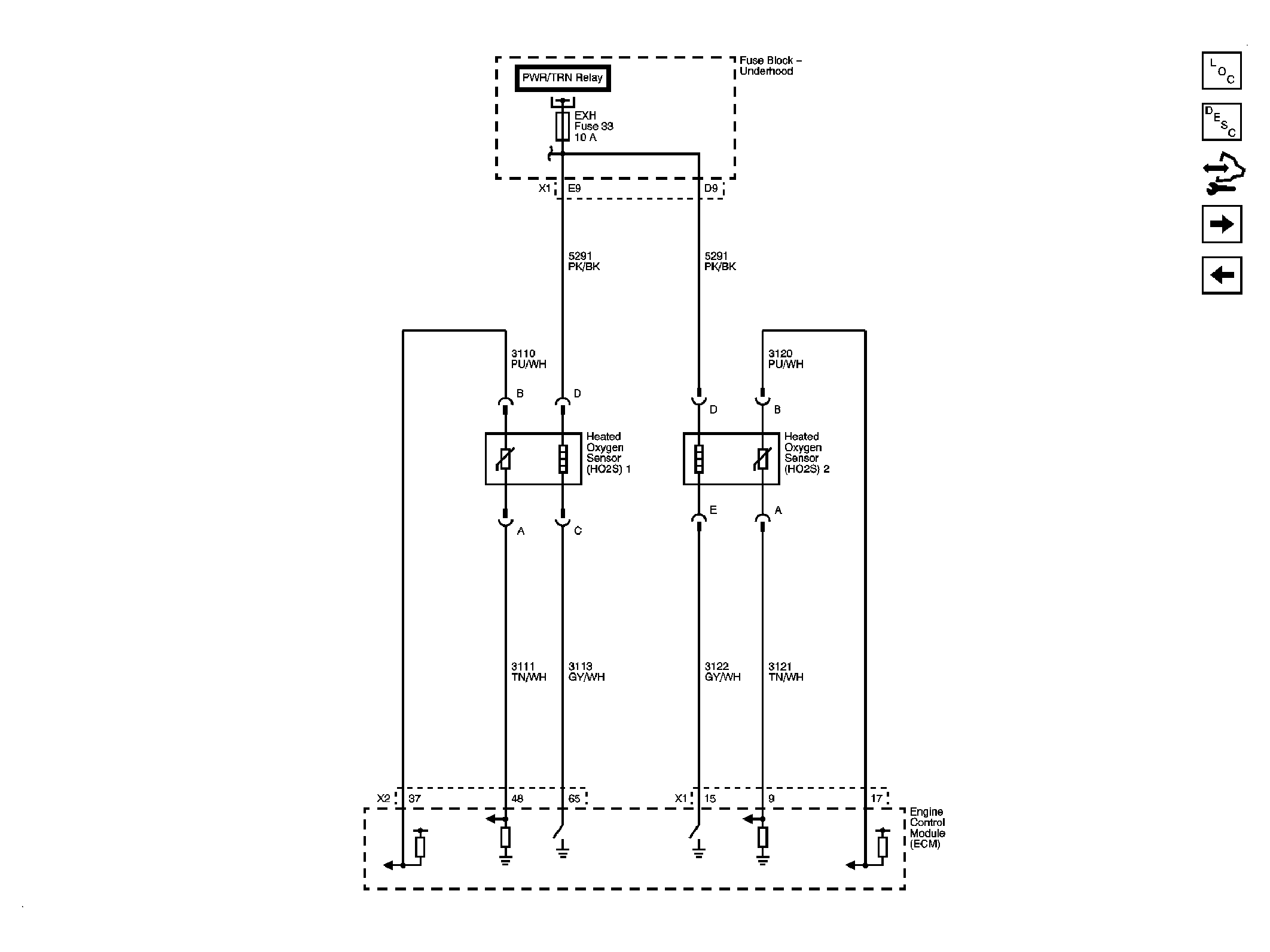
Fig 4: Engine Data Sensors - Oxygen Sensors
GM2049490Courtesy of GENERAL MOTORS CORP.
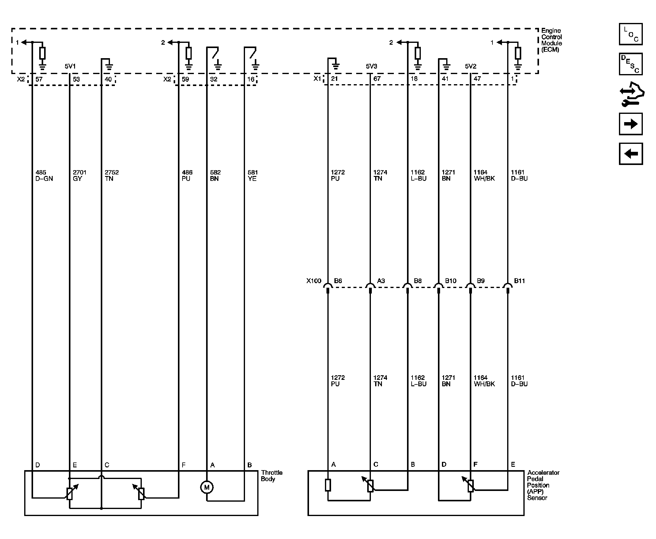
Fig 5: Engine Data Sensors - Electronic Throttle Controls
GM2049492Courtesy of GENERAL MOTORS CORP.
Fig 6: Ignition Controls - Sensors
GM2049494Courtesy of GENERAL MOTORS CORP.
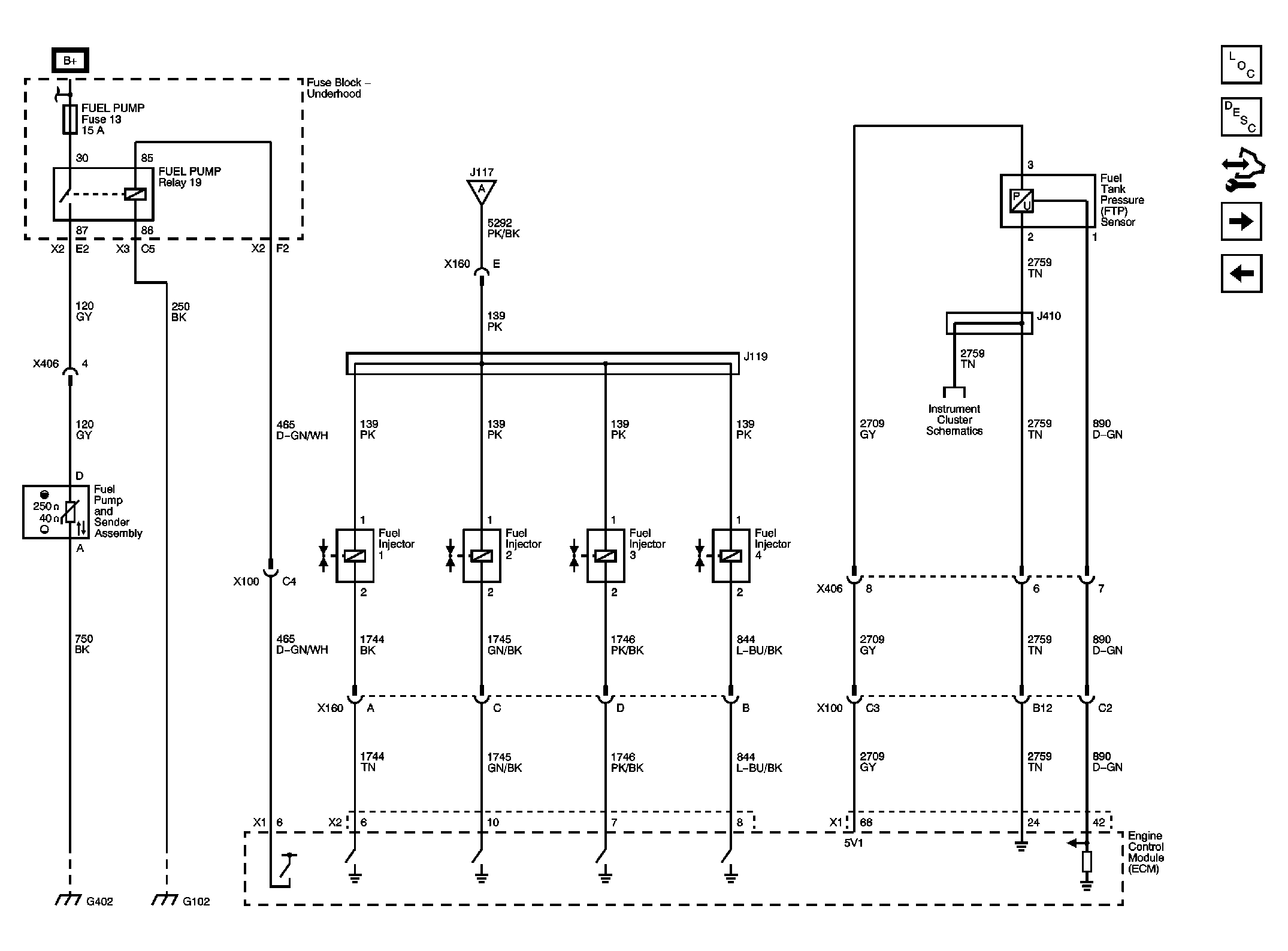
Fig 7: Fuel Controls - Fuel Pump Controls & Fuel Injectors
GM2049496Courtesy of GENERAL MOTORS CORP.
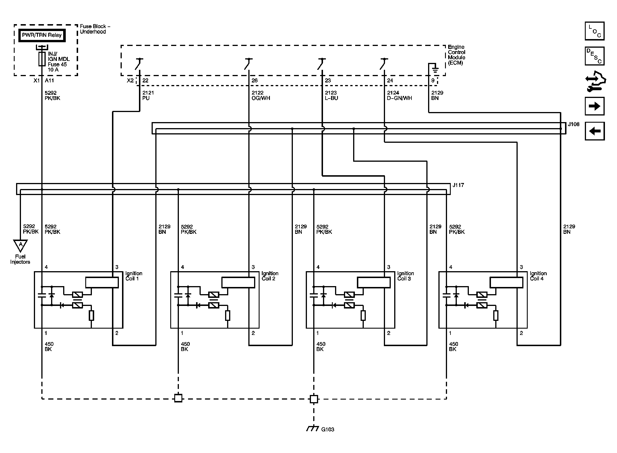
Fig 8: Ignition Controls - Ignition System
GM2049498Courtesy of GENERAL MOTORS CORP.
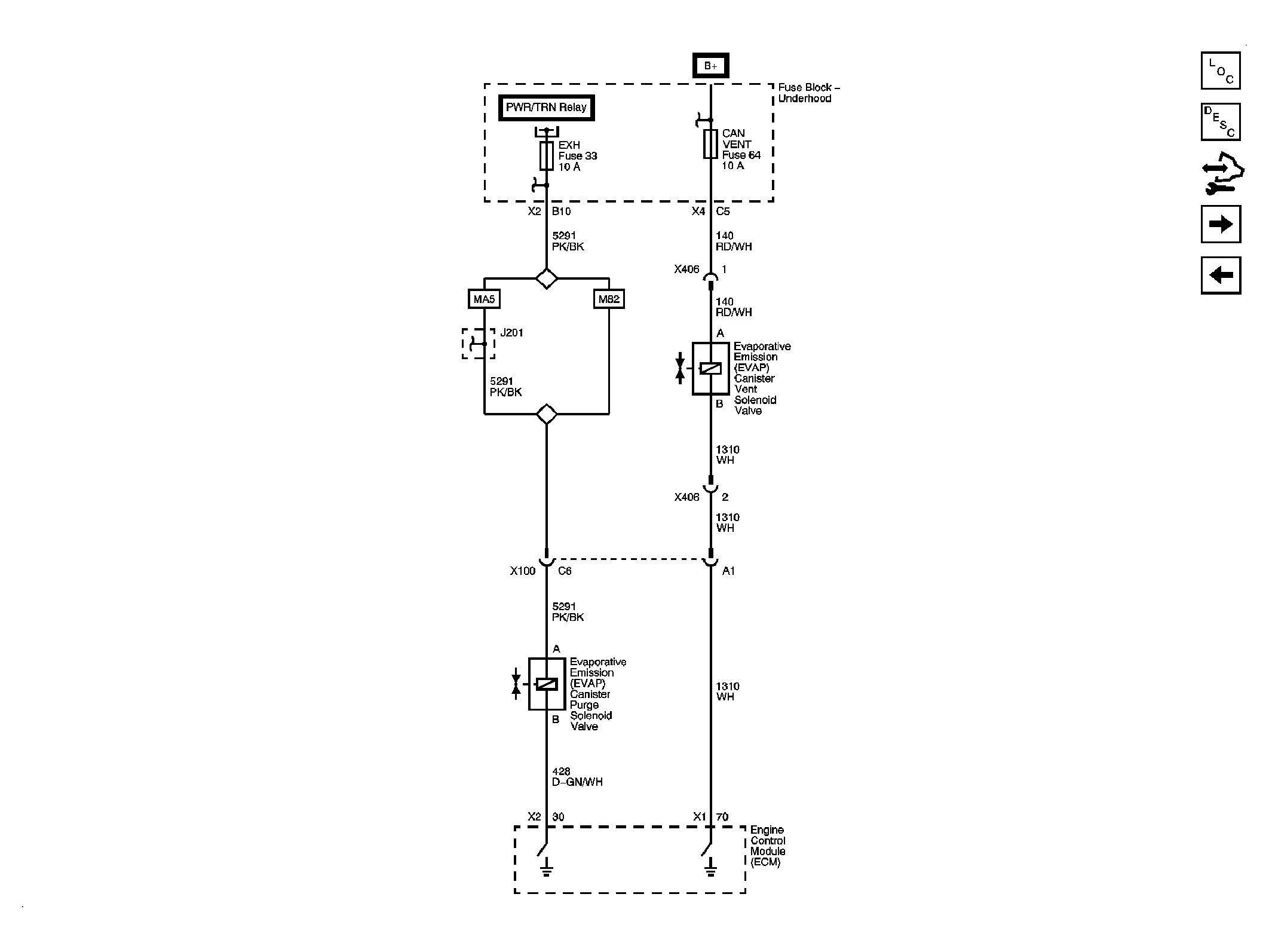
Fig 9: Fuel Controls - EVAP Controls
GM2049500Courtesy of GENERAL MOTORS CORP.
Fig 10: Controlled/Monitored Subsystem References
GM2049502Courtesy of GENERAL MOTORS CORP.