LEMON Manuals: Even more car manuals for everyone
Home >> Saturn >> 2009 >> Aura Green Line >> Repair and Diagnosis >> External Pages >> Different car >> Section 846 (Data Communication System) >> Schematic and Routing Diagrams >> Body Control System Schematics

Body Control System Schematics

WARNING: This page is about a different car, the 2008 Saturn Aura. However, it is still accessible from the selected car via links, so may be relevant.
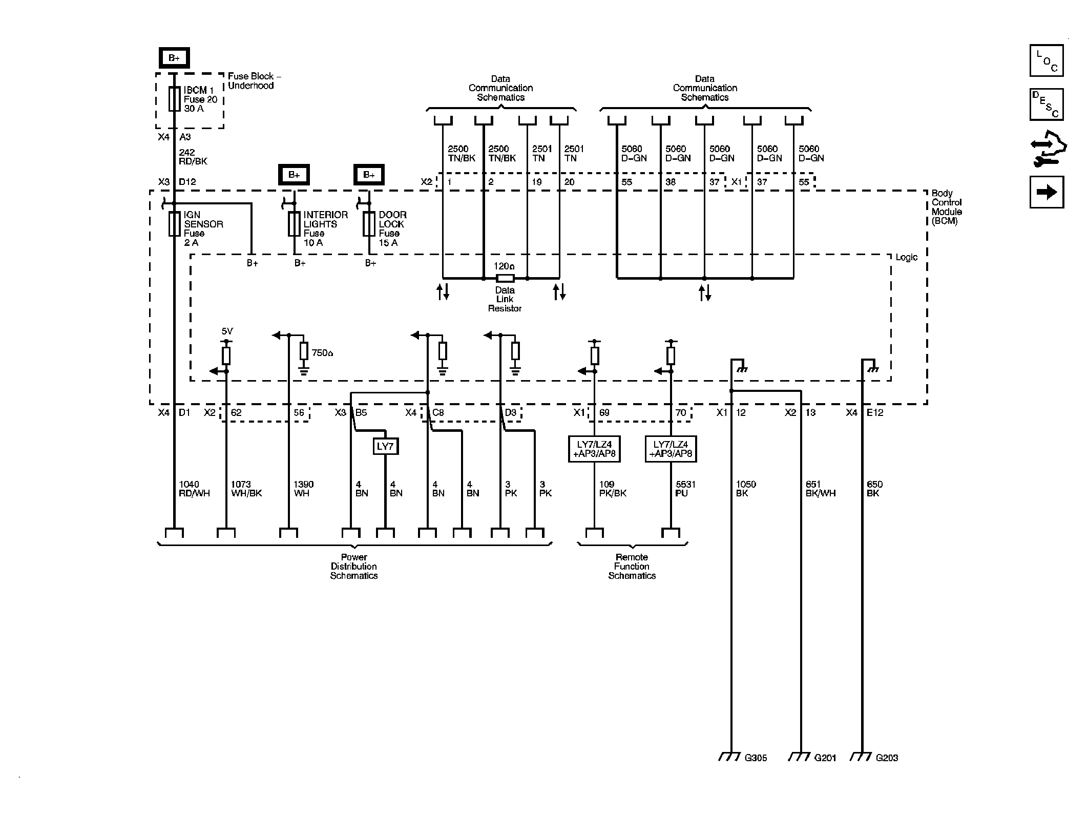
Fig 1: Power, Ground and Serial Data Schematic
GM1898368Courtesy of GENERAL MOTORS CORP.
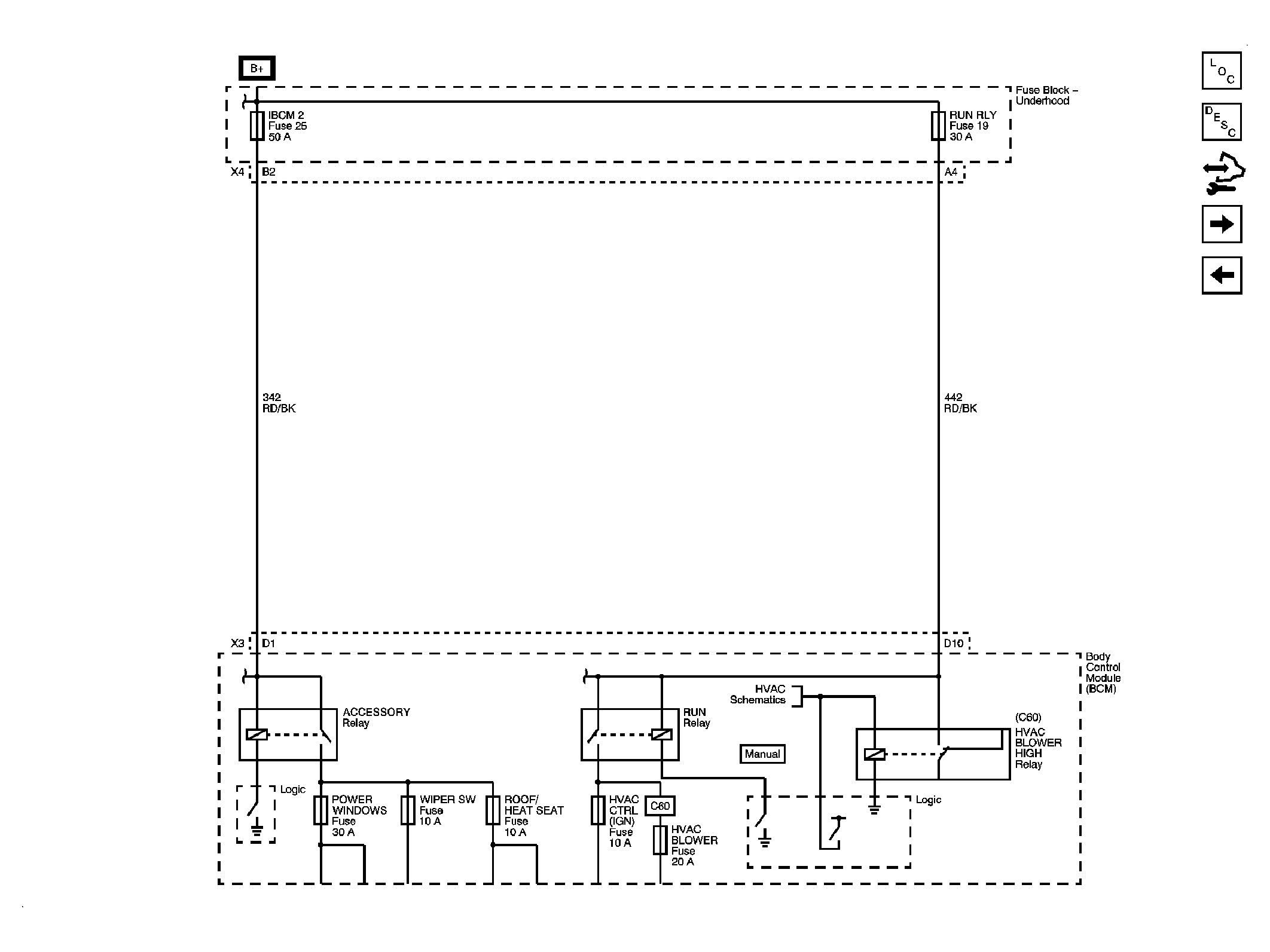
Fig 2: Controlled/Monitored Subsystem References Schematic (1 of 4)
GM1898370Courtesy of GENERAL MOTORS CORP.
Fig 3: Controlled/Monitored Subsystem References Schematic (2 of 4)
GM1898373Courtesy of GENERAL MOTORS CORP.
Fig 4: Controlled/Monitored Subsystem References Schematic (3 of 4)
GM1898375Courtesy of GENERAL MOTORS CORP.
Fig 5: Controlled/Monitored Subsystem References Schematic (4 of 4)
GM1898377Courtesy of GENERAL MOTORS CORP.