LEMON Manuals: Even more car manuals for everyone
Home >> Saturn >> 2008 >> Sky Base, Standard >> Repair and Diagnosis >> External Pages >> Different car >> Section 135 (Suspension Control System - Automatic Level Control (ALCM)) >> Schematic & Routing Diagrams >> Automatic Level Control Schematics

Automatic Level Control Schematics

WARNING: This page is about a different car, the 2008 Cadillac DTS. However, it is still accessible from the selected car via links, so may be relevant.
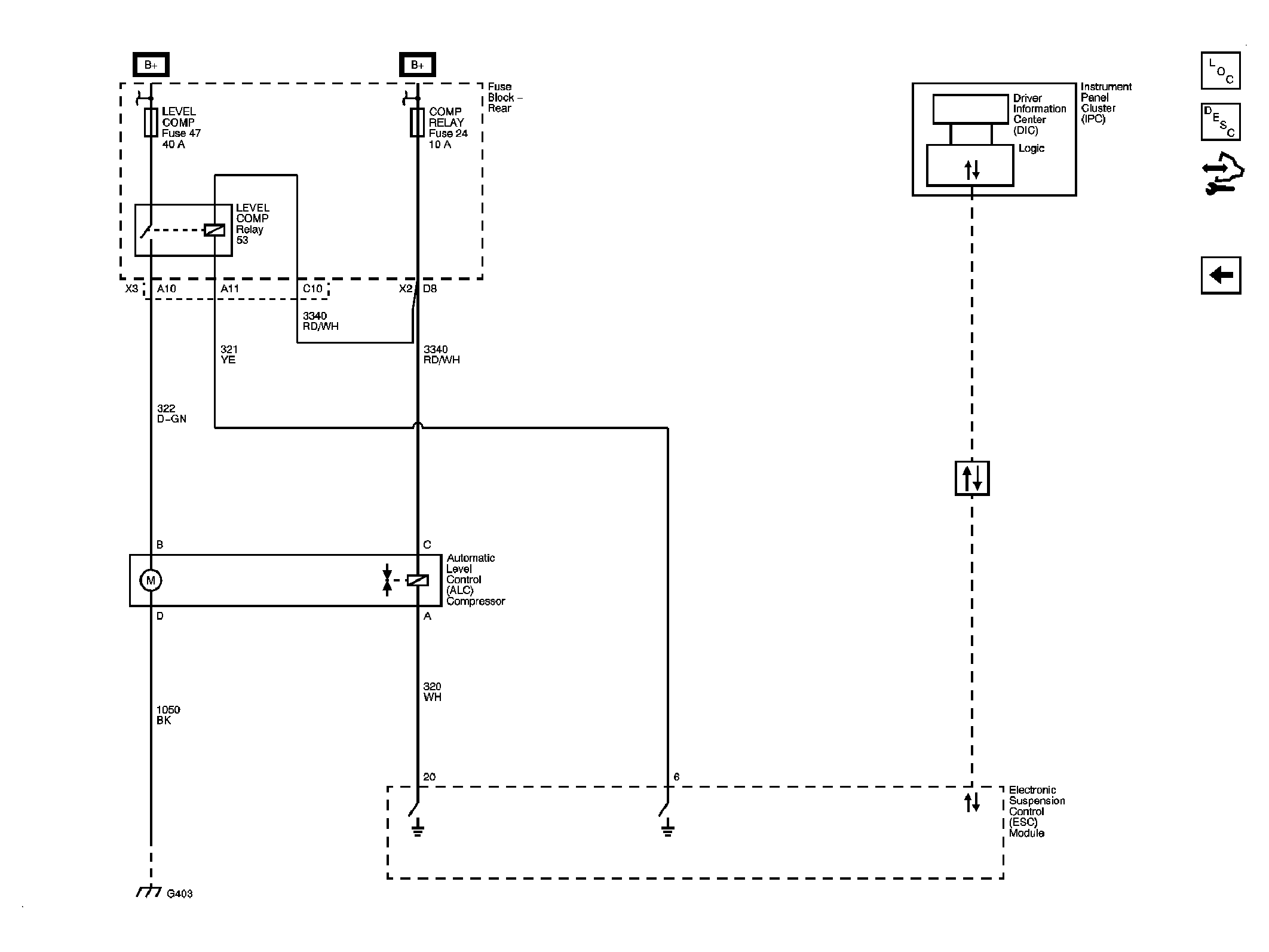
Fig 1: Automatic Level Control (ALC) w/FE1 Schematic
GM1885088Courtesy of GENERAL MOTORS CORP.
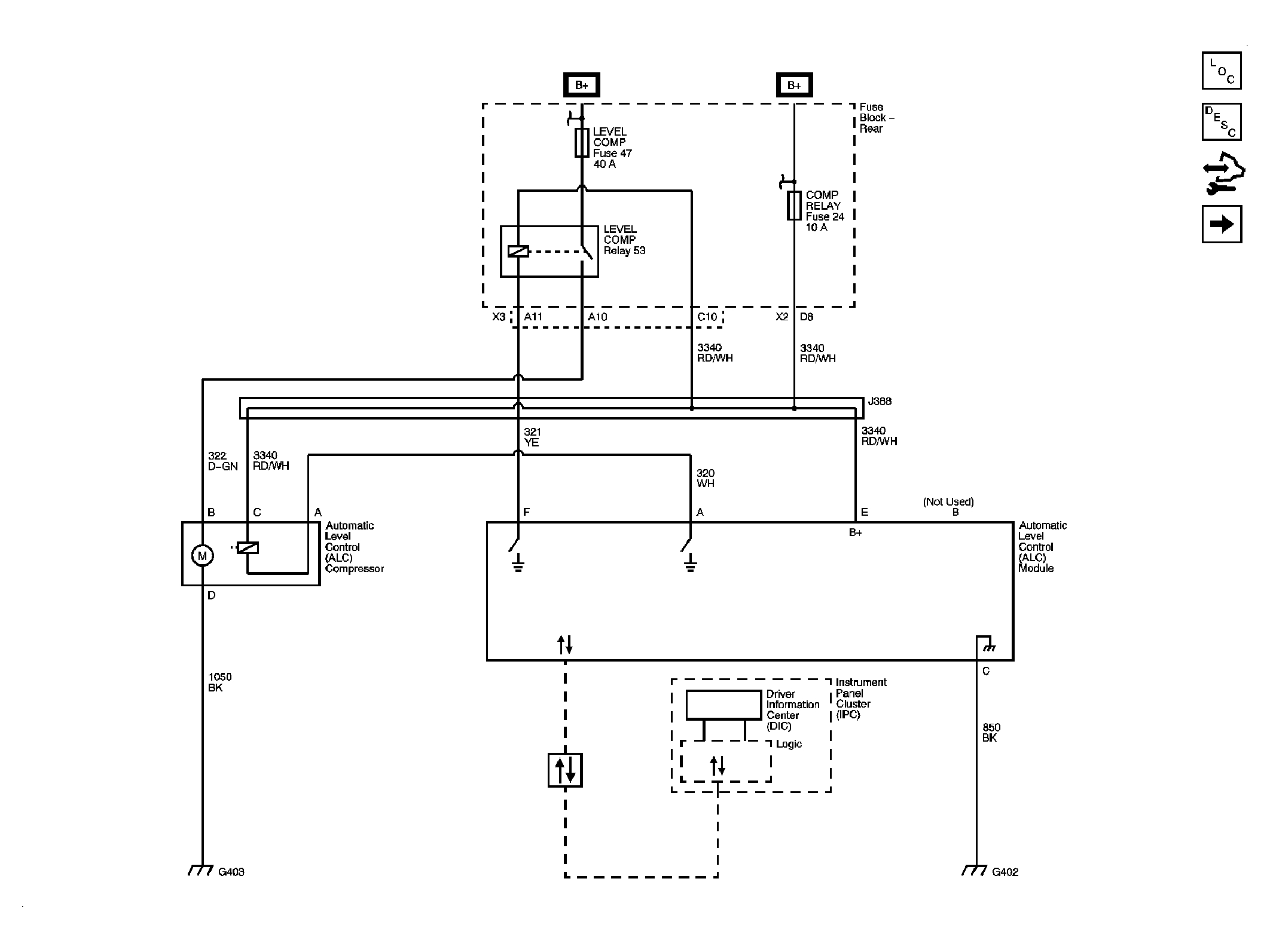
Fig 2: Automatic Level Control (ALC) w/F55 Schematic
GM1885094Courtesy of GENERAL MOTORS CORP.