LEMON Manuals: Even more car manuals for everyone
Home >> Saturn >> 2008 >> Sky Base, Standard >> Repair and Diagnosis >> External Pages >> Different car >> Section 119 (Keyless Entry System & Remote Functions) >> Schematic & Routing Diagrams >> Remote Function Schematics

Remote Function Schematics

WARNING: This page is about a different car, the 2008 Cadillac DTS. However, it is still accessible from the selected car via links, so may be relevant.
Fig 1: Garage Door Opener Schematic
GM1885480Courtesy of GENERAL MOTORS CORP.
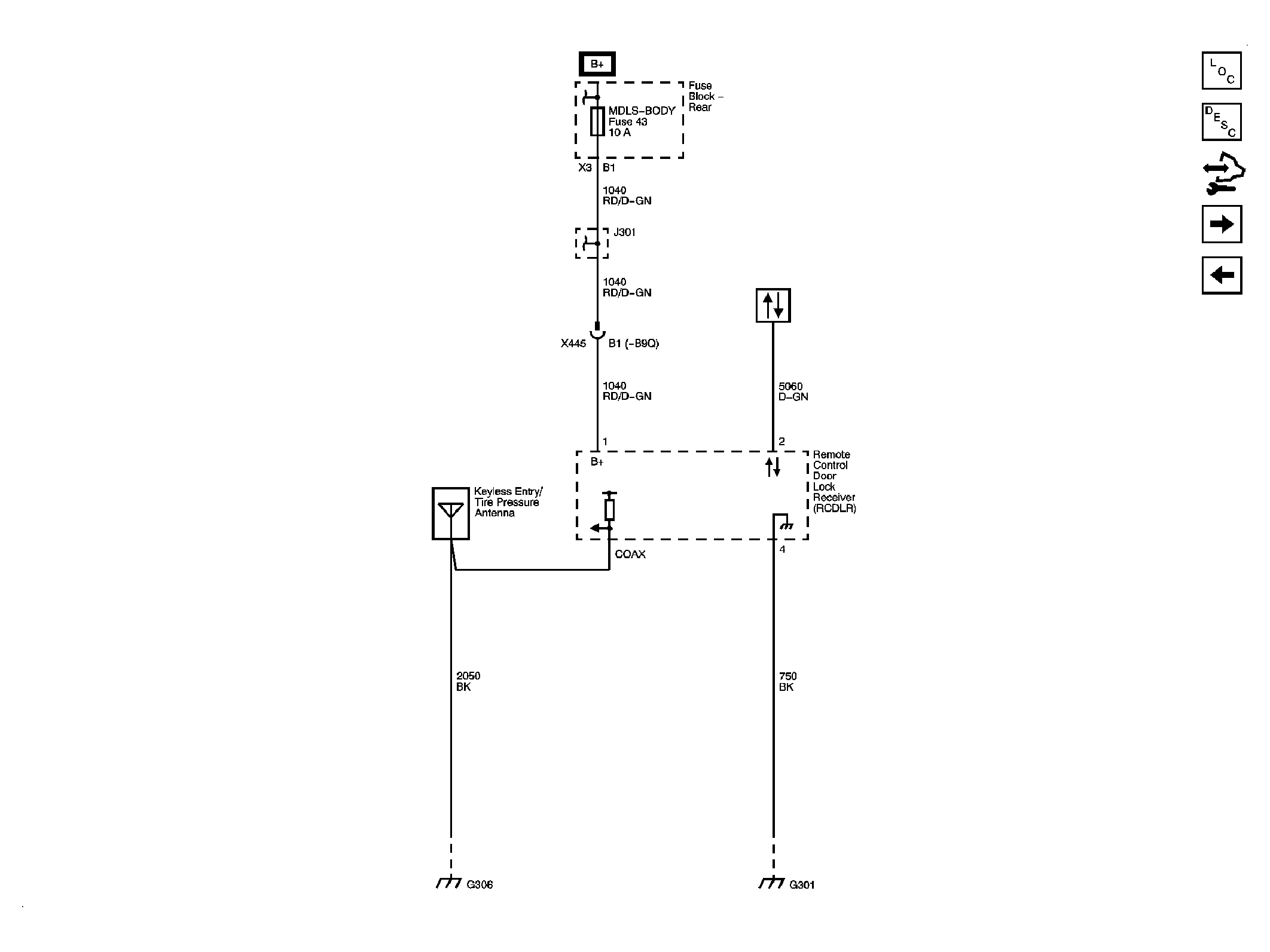
Fig 2: Remote Control Door Lock Receiver (RCDLR) Schematic
GM1885482Courtesy of GENERAL MOTORS CORP.
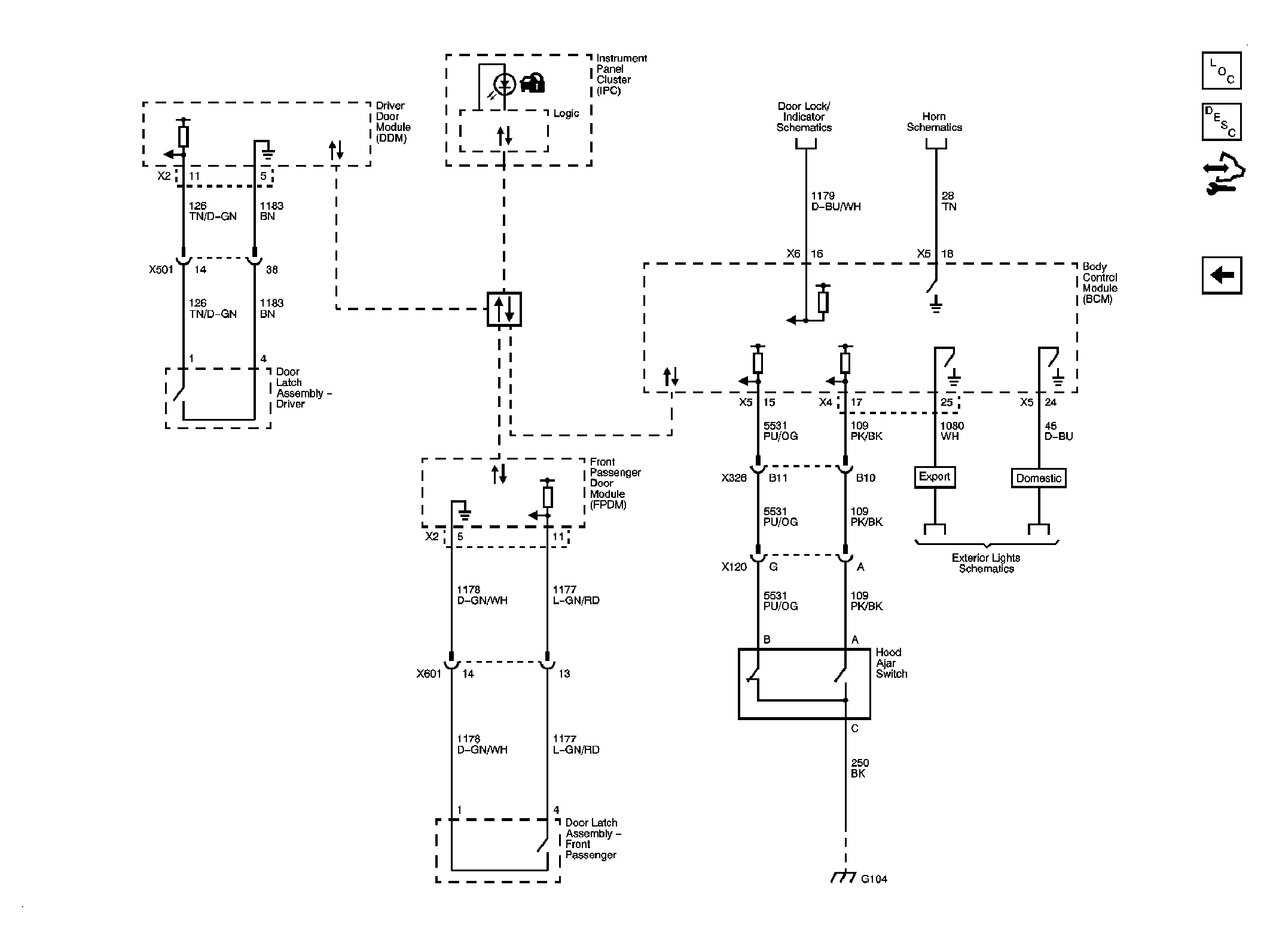
Fig 3: Door Latch Assemblies & Hood Ajar Switch Schematic
GM1885485Courtesy of GENERAL MOTORS CORP.