LEMON Manuals: Even more car manuals for everyone
Home >> Saturn >> 2008 >> Sky Base, Standard >> Repair and Diagnosis >> External Pages >> Different car >> Section 103 (Object Detection System) >> Schematic & Routing Diagrams >> Object Detection Schematics

Object Detection Schematics

WARNING: This page is about a different car, the 2008 Cadillac DTS. However, it is still accessible from the selected car via links, so may be relevant.
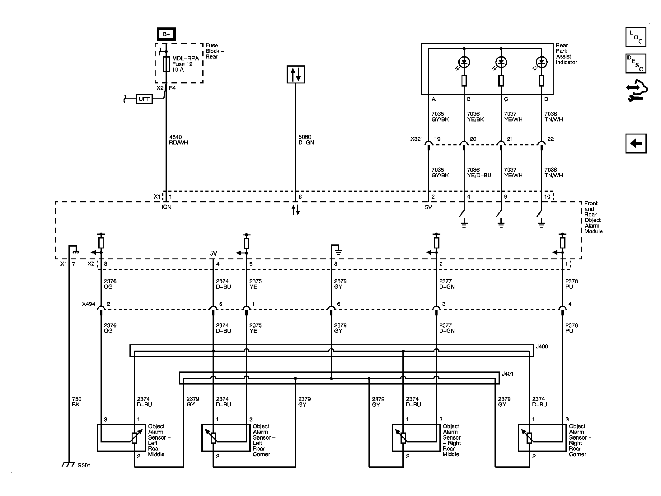
Fig 1: Front Park Assist Schematic - UFR
GM1885474Courtesy of GENERAL MOTORS CORP.
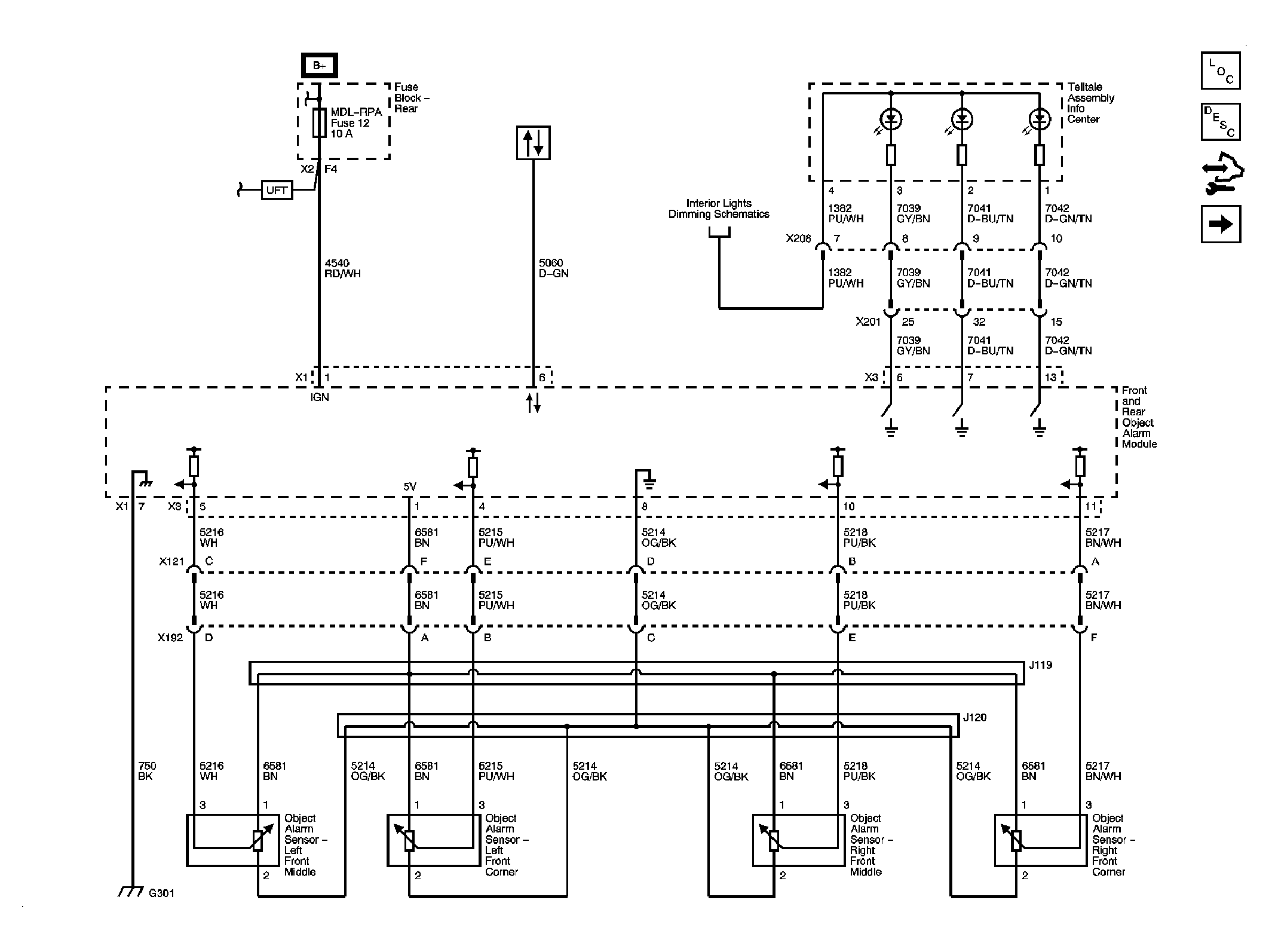
Fig 2: Rear Park Assist Schematic - UFR
GM1885477Courtesy of GENERAL MOTORS CORP.
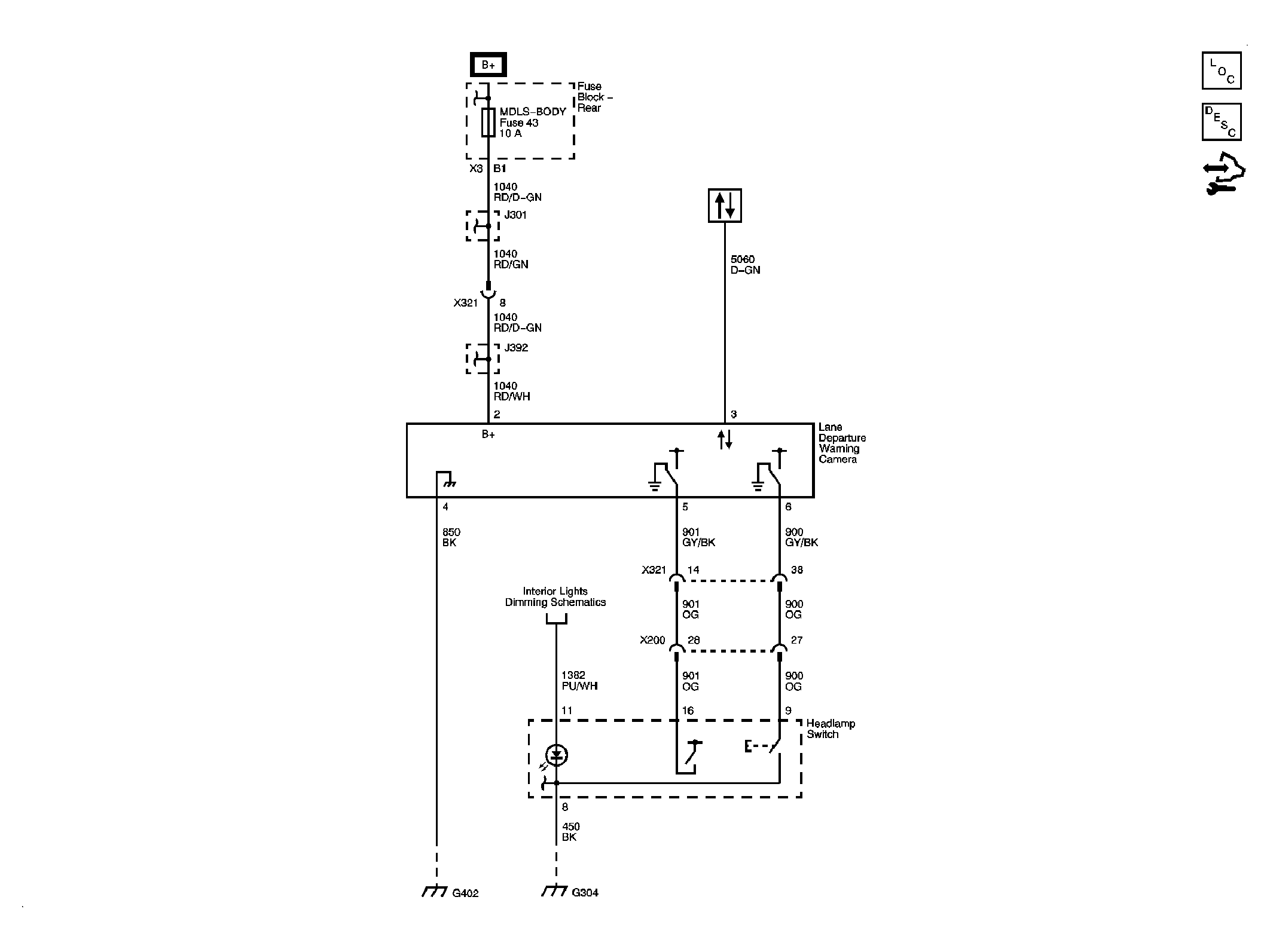
Fig 3: Lane Departure Warning System Schematic - UFL
GM1892667Courtesy of GENERAL MOTORS CORP.
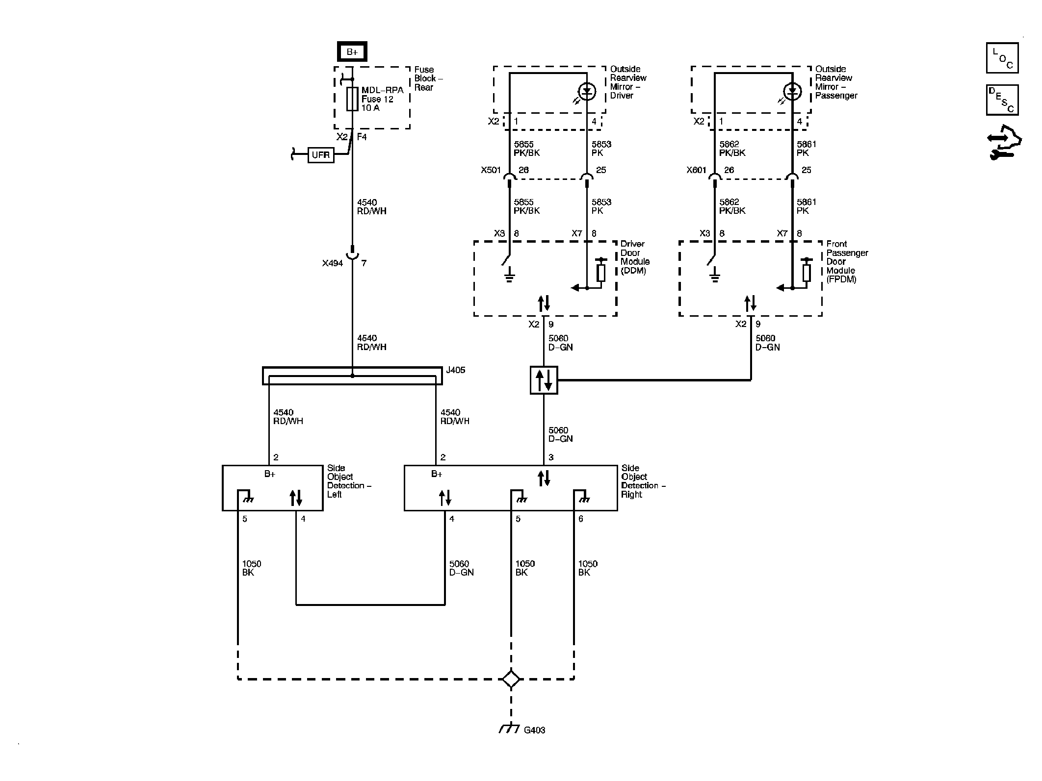
Fig 4: Side Object Detection Schematic - UFT
GM1892670Courtesy of GENERAL MOTORS CORP.