LEMON Manuals: Even more car manuals for everyone
Home >> Saturn >> 2008 >> Sky Base, Standard >> Repair and Diagnosis >> Accessories & Equipment >> Memory Modules >> Configurable Customer Control System >> Schematic & Routing Diagrams >> Steering Wheel Secondary/Configurable Control Schematics

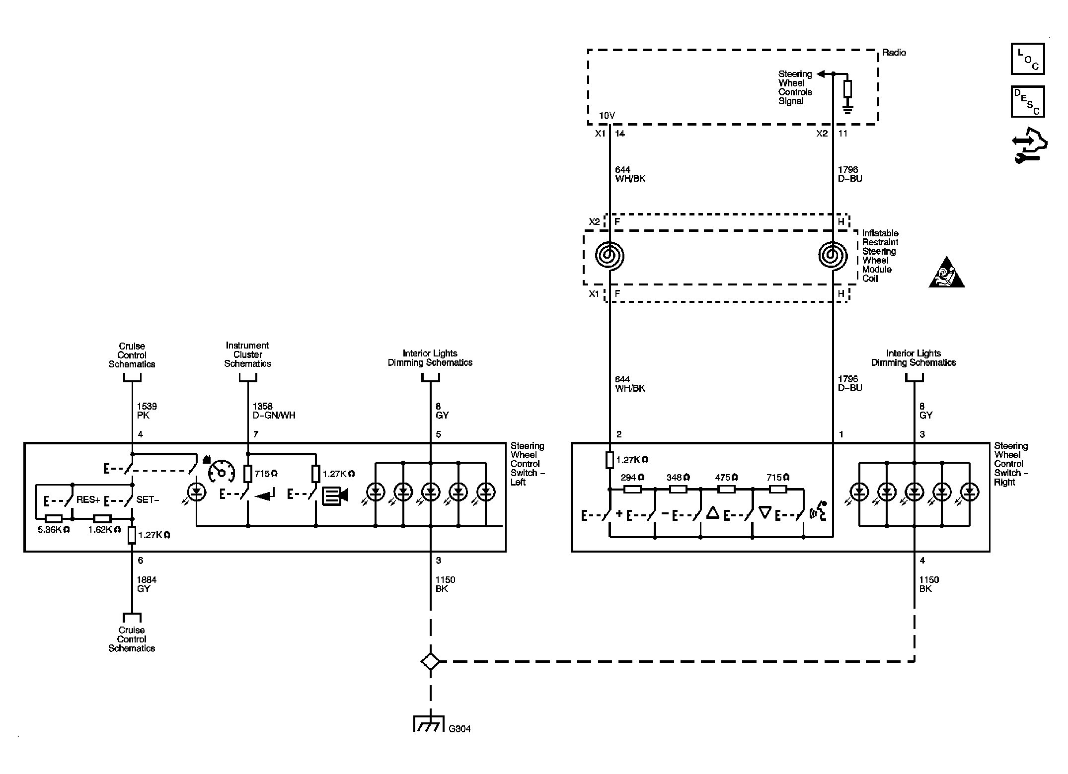
Steering Wheel Secondary/Configurable Control Schematics

Fig 1: Steering Wheel Secondary/Configurable Control Schematic
GM1914224Courtesy of GENERAL MOTORS CORP.