LEMON Manuals: Even more car manuals for everyone
Home >> Saturn >> 2007 >> Vue Red Line, AWD >> Repair and Diagnosis >> External Pages >> Different car >> Section 778 (Antilock Brake System, Traction Control System & Stability Control System) >> Schematic and Routing Diagrams >> Antilock Brake System Schematics

Antilock Brake System Schematics

WARNING: This page is about a different car, the 2007 Buick Lucerne. However, it is still accessible from the selected car via links, so may be relevant.
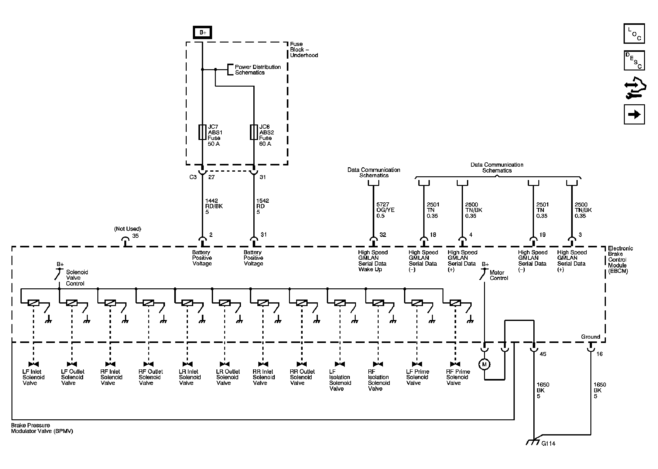
Fig 1: Power and Ground
GM1790258Courtesy of GENERAL MOTORS CORP.
Fig 2: Wheel Speed Sensors
GM1790304Courtesy of GENERAL MOTORS CORP.
Fig 3: Yaw and Lateral Acceleration, Steering Angle Sensor
GM1790338Courtesy of GENERAL MOTORS CORP.
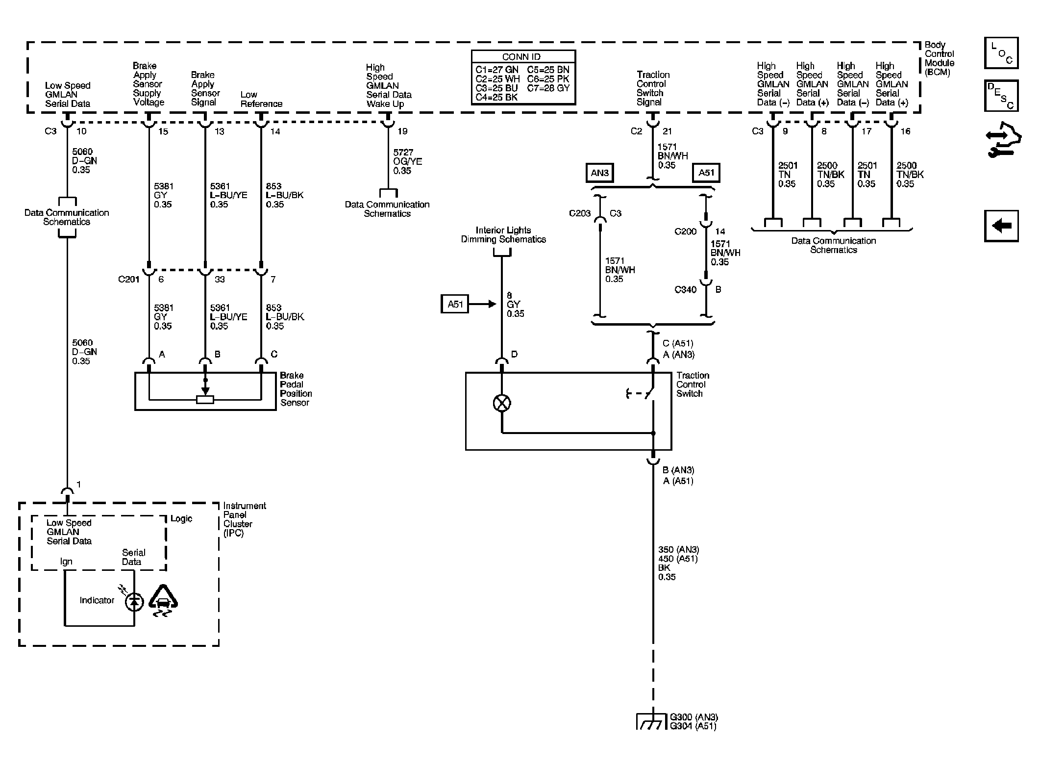
Fig 4: Brake Pedal Position, Traction Control Switch, Data Link Communications
GM1790345Courtesy of GENERAL MOTORS CORP.