LEMON Manuals: Even more car manuals for everyone
Home >> Saturn >> 2007 >> Vue Red Line, AWD >> Repair and Diagnosis >> External Pages >> Different car >> Section 1220 (Cellular Systems, Entertainment Systems And Navigation Systems) >> Schematic and Routing Diagrams >> OnStar Schematics

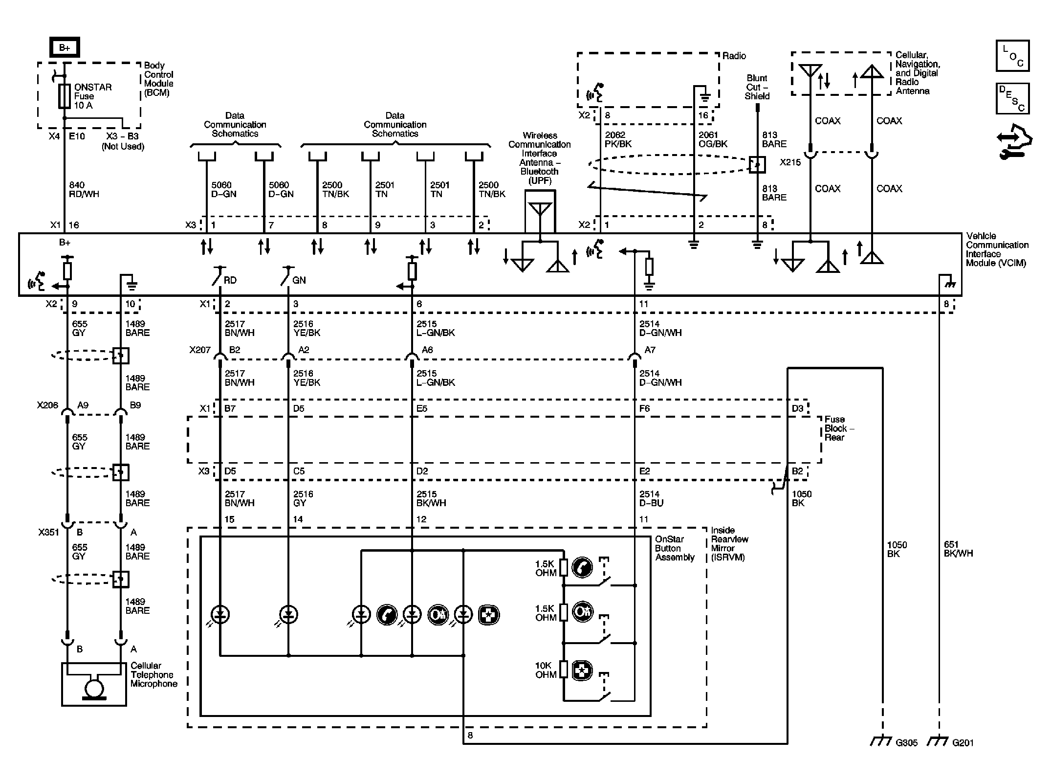
OnStar Schematics

WARNING: This page is about a different car, the 2010 Chevrolet Malibu. However, it is still accessible from the selected car via links, so may be relevant.
Fig 1: OnStar Schematic
GM2253292Courtesy of GENERAL MOTORS CORP.