LEMON Manuals: Even more car manuals for everyone
Home >> Saturn >> 2007 >> Sky Base, Automatic >> Repair and Diagnosis >> External Pages >> Different car >> Section 6 (Cellular System, Entertainment System, And Navigation System) >> Schematic and Routing Diagrams >> OnStar Schematics

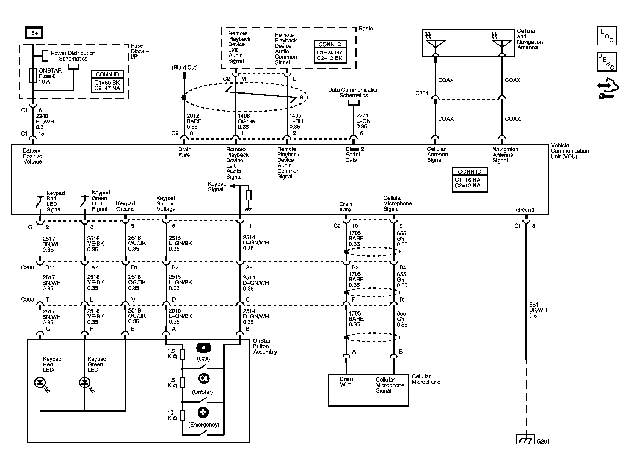
OnStar Schematics

WARNING: This page is about a different car, the 2007 Pontiac Montana SV6, 2007 Chevrolet Uplander, and 2007 Buick Terraza. However, it is still accessible from the selected car via links, so may be relevant.
Fig 1: OnStar Schematic
GM1740160Courtesy of GENERAL MOTORS CORP.