LEMON Manuals: Even more car manuals for everyone
Home >> Saturn >> 2007 >> Sky Base, Automatic >> Repair and Diagnosis >> External Pages >> Different car >> Section 109 (Anti-Lock Brake System, Traction Control System & Stability Control System) >> Schematic and Routing Diagrams >> Antilock Brake System Schematics

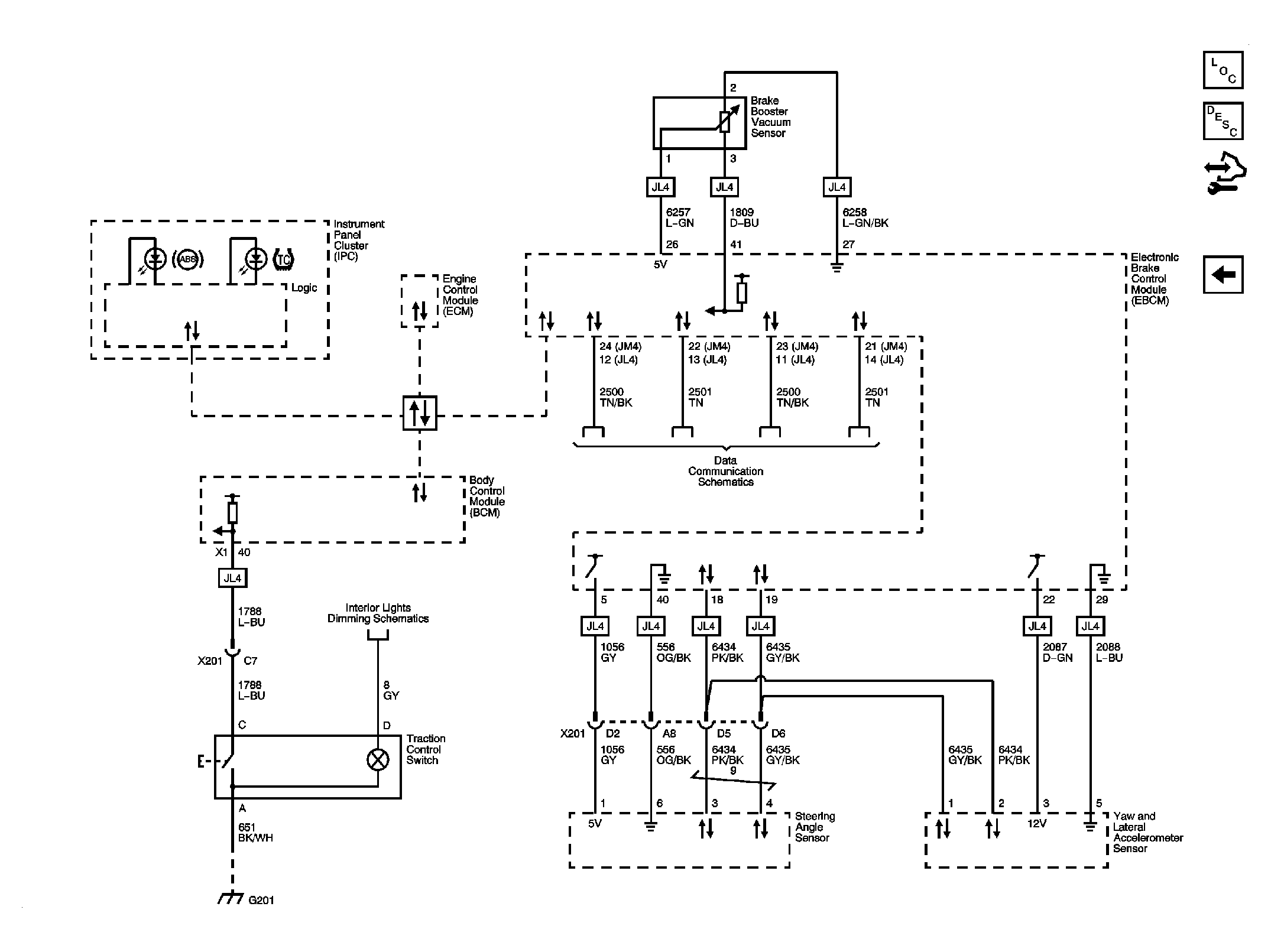
Antilock Brake System Schematics

WARNING: This page is about a different car, the 2008 Pontiac G5 and 2008 Chevrolet Cobalt. However, it is still accessible from the selected car via links, so may be relevant.
Fig 1: Power, Ground, Wheel Speed Sensors Schematic
GM1963132Courtesy of GENERAL MOTORS CORP.
Fig 2: Indicators Schematic
GM1963140Courtesy of GENERAL MOTORS CORP.