LEMON Manuals: Even more car manuals for everyone
Home >> Saturn >> 2007 >> Relay 3.9 1 >> Repair and Diagnosis >> External Pages >> Different car >> Section 55 (Object Detection System) >> Schematic and Routing Diagrams >> Object Detection Schematics

Object Detection Schematics

WARNING: This page is about a different car, the 2007 Saturn Outlook. However, it is still accessible from the selected car via links, so may be relevant.
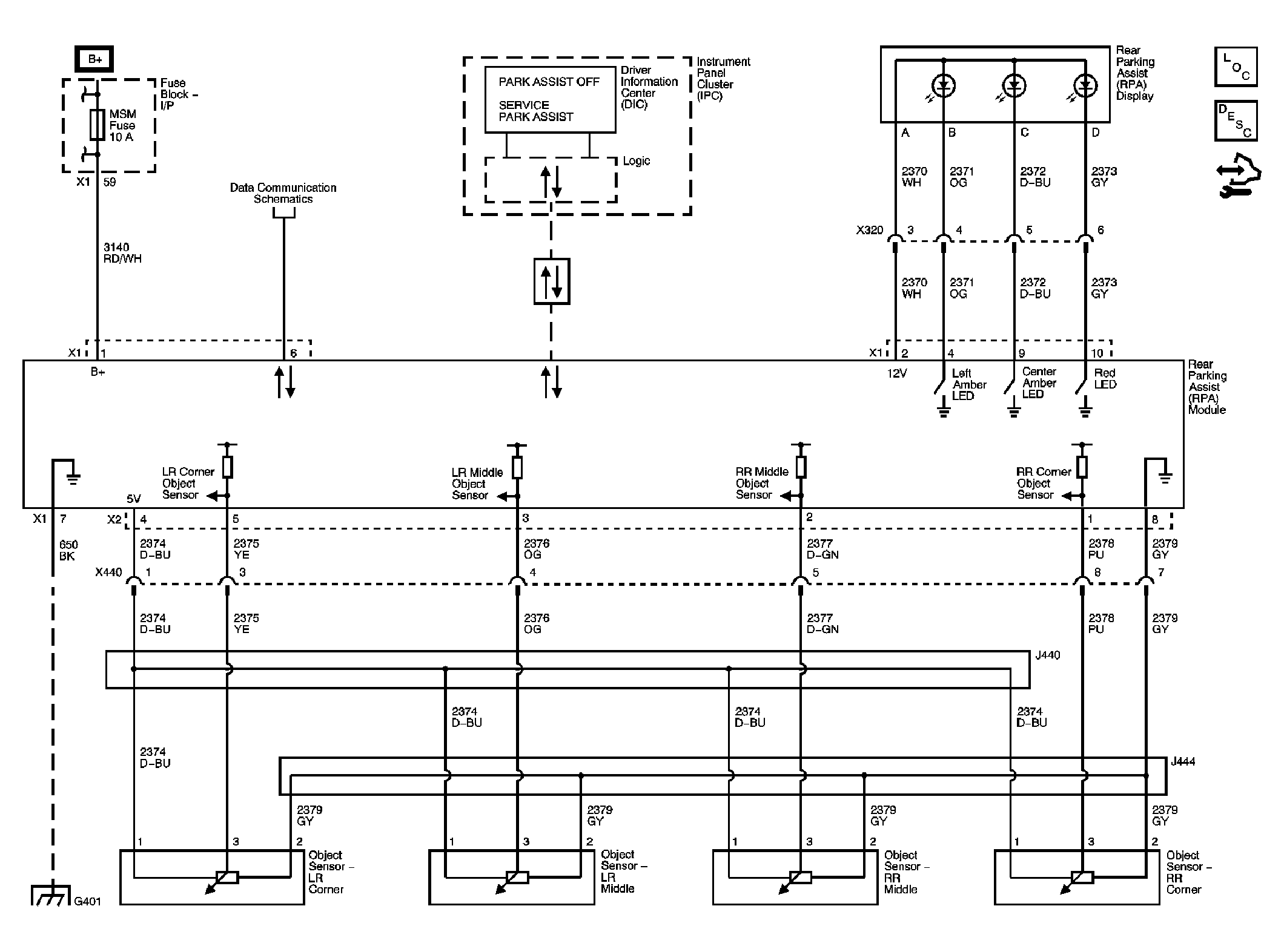
Fig 1: Rear Park Assist Schematic - UD7
GM1844224Courtesy of GENERAL MOTORS CORP.