LEMON Manuals: Even more car manuals for everyone
Home >> Saturn >> 2007 >> Relay 3.9 1 >> Repair and Diagnosis >> External Pages >> Different car >> Section 129 (Data Communication System) >> Schematic and Routing Diagrams >> Body Control System Schematics

Body Control System Schematics

WARNING: This page is about a different car, the 2007 Chevrolet Monte Carlo and 2007 Chevrolet Impala. However, it is still accessible from the selected car via links, so may be relevant.
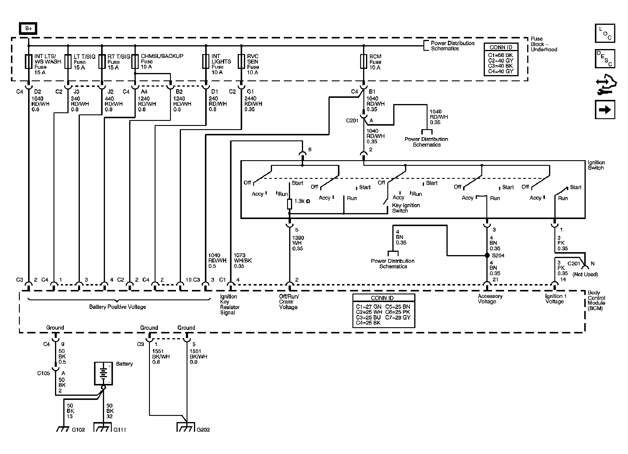
Fig 1: Power & Ground Schematics
GM1762748Courtesy of GENERAL MOTORS CORP.
Fig 2: Data Link, Starting & Charging, Engine Controls, A/T Shift lock Controls, Cruise Control, ABS, Brake Warning, Headlights/DRL, & Fog Lights References Schematics
GM1762752Courtesy of GENERAL MOTORS CORP.
Fig 3: Exterior Lights, Interior Lights, Interior Lights Dimming, RAP, & Door Lock/Indicator References Schematics
GM1762756Courtesy of GENERAL MOTORS CORP.
Fig 4: Door Lock/Indicator Cont., Theft Deterrent, Horns, Steering Wheel, Upfitter Provisions, Wiper/Washer, & Body Rear End References Schematics
GM1762760Courtesy of GENERAL MOTORS CORP.