LEMON Manuals: Even more car manuals for everyone
Home >> Saturn >> 2007 >> Ion Red Line >> Repair and Diagnosis (Single Page) >> Body & Frame >> Ignition Switch/Steering Lock >> Wiring Systems And Power Management - Introduction >> Schematic and Routing Diagrams >> Power Moding Schematics

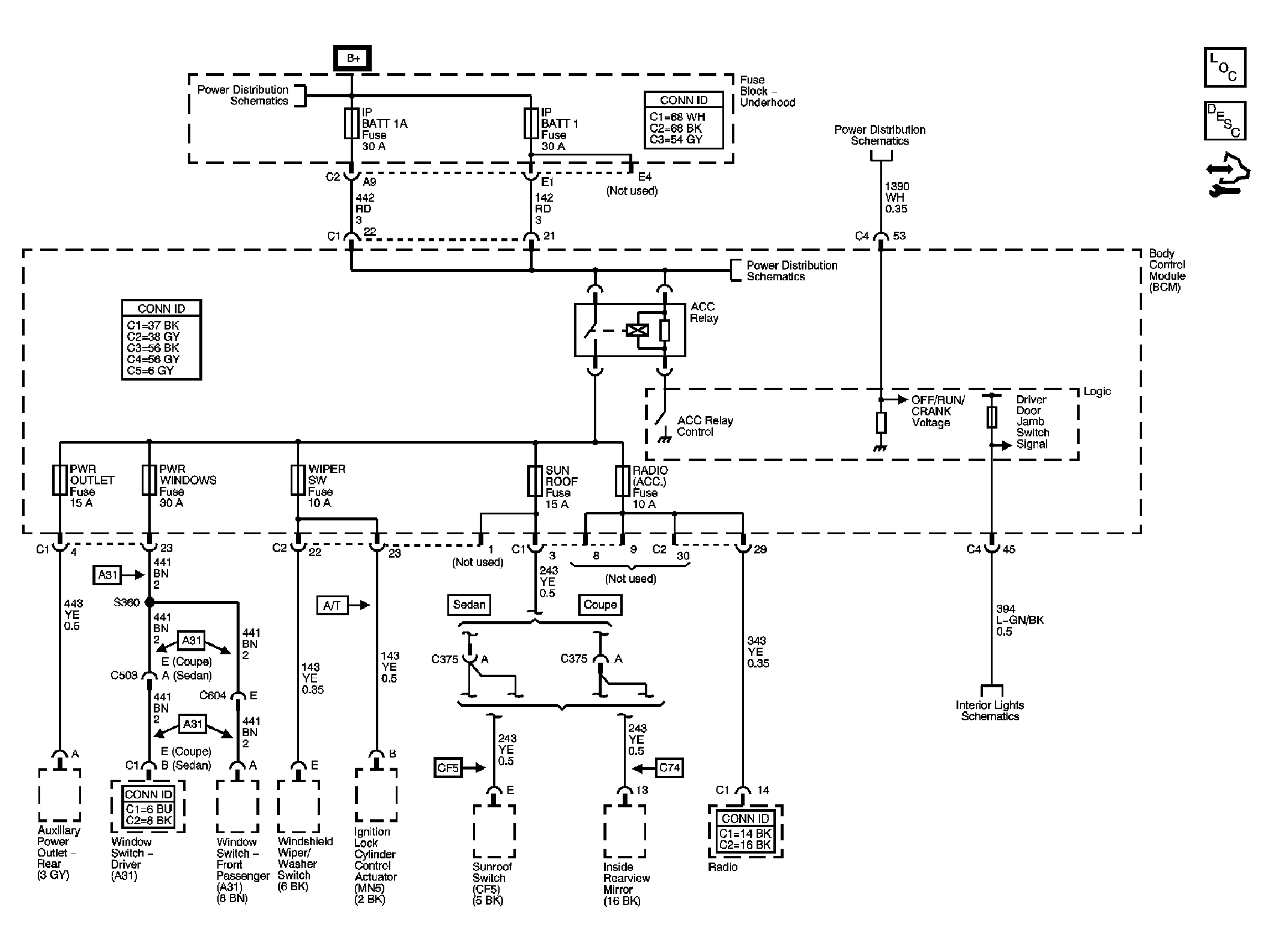
Power Moding Schematics

Fig 1: Retained Accessory Power (RAP)
GM1769373Courtesy of GENERAL MOTORS CORP.