LEMON Manuals: Even more car manuals for everyone
Home >> Saturn >> 2006 >> Vue Red Line, AWD >> Repair and Diagnosis >> External Pages >> Different car >> Section 1190 (Cellular System, Entertainment System, And Navigation System) >> Schematic Wiring Diagrams >> Radio/Navigation System Wiring Schematics >> Redundant Radio Controls (UK3) Wiring Schematics

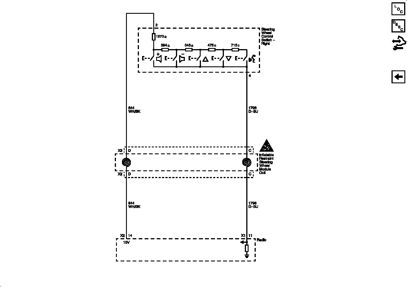
Redundant Radio Controls (UK3) Wiring Schematics

WARNING: This page is about a different car, the 2012 Chevrolet Malibu. However, it is still accessible from the selected car via links, so may be relevant.
Fig 1: Redundant Radio Controls (UK3) Wiring Schematics
GM2582032Courtesy of GENERAL MOTORS COMPANY