LEMON Manuals: Even more car manuals for everyone
Home >> Saturn >> 2005 >> Relay AWD >> Repair and Diagnosis >> External Pages >> Different car >> Section 170 (Cellular System, Entertainment System, And Navigation System) >> Schematic and Routing Diagrams >> Video System Schematics (UMS)

Video System Schematics (UMS)

WARNING: This page is about a different car, the 2007 Pontiac Montana SV6, 2007 Chevrolet Uplander, and 2007 Buick Terraza. However, it is still accessible from the selected car via links, so may be relevant.
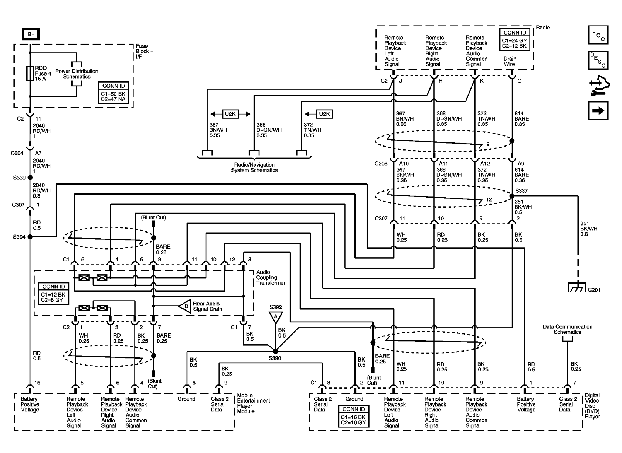
Fig 1: Video System Schematic (w/UMS)
GM1740156Courtesy of GENERAL MOTORS CORP.
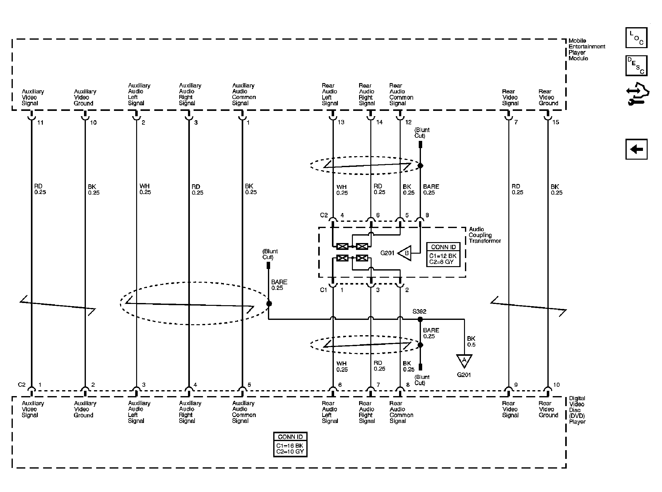
Fig 2: Rear Audio Output
GM1740158Courtesy of GENERAL MOTORS CORP.
Fig 3: Auxiliary and Rear Audio and Video Signals
GM1740159Courtesy of GENERAL MOTORS CORP.