LEMON Manuals: Even more car manuals for everyone
Home >> Saturn >> 2005 >> Relay AWD >> Repair and Diagnosis >> Engine Performance >> System >> Engine Control System - 3.5L - Introduction (2 Of 2) >> Repair Instructions >> Fuel Level Sensor Replacement >> Installation Procedure

Installation Procedure

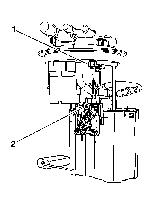
    Fig 1: View Of Fuel Level Sensor
    GM1544791Courtesy of GENERAL MOTORS CORP.
  1. Install the fuel level sensor to the modular fuel sender.
  2. Install the fuel sender assembly. Refer to Fuel Sender Assembly Replacement (Short Wheel Base)  or Fuel Sender Assembly Replacement (Long Wheel Base) .