LEMON Manuals: Even more car manuals for everyone
Home >> Saturn >> 2005 >> Relay AWD >> Repair and Diagnosis (Single Page) >> Engine Performance >> System >> Engine Control System - 3.5L - Introduction (2 Of 2) >> Schematic and Routing Diagrams >> Engine Controls Schematics

Engine Controls Schematics

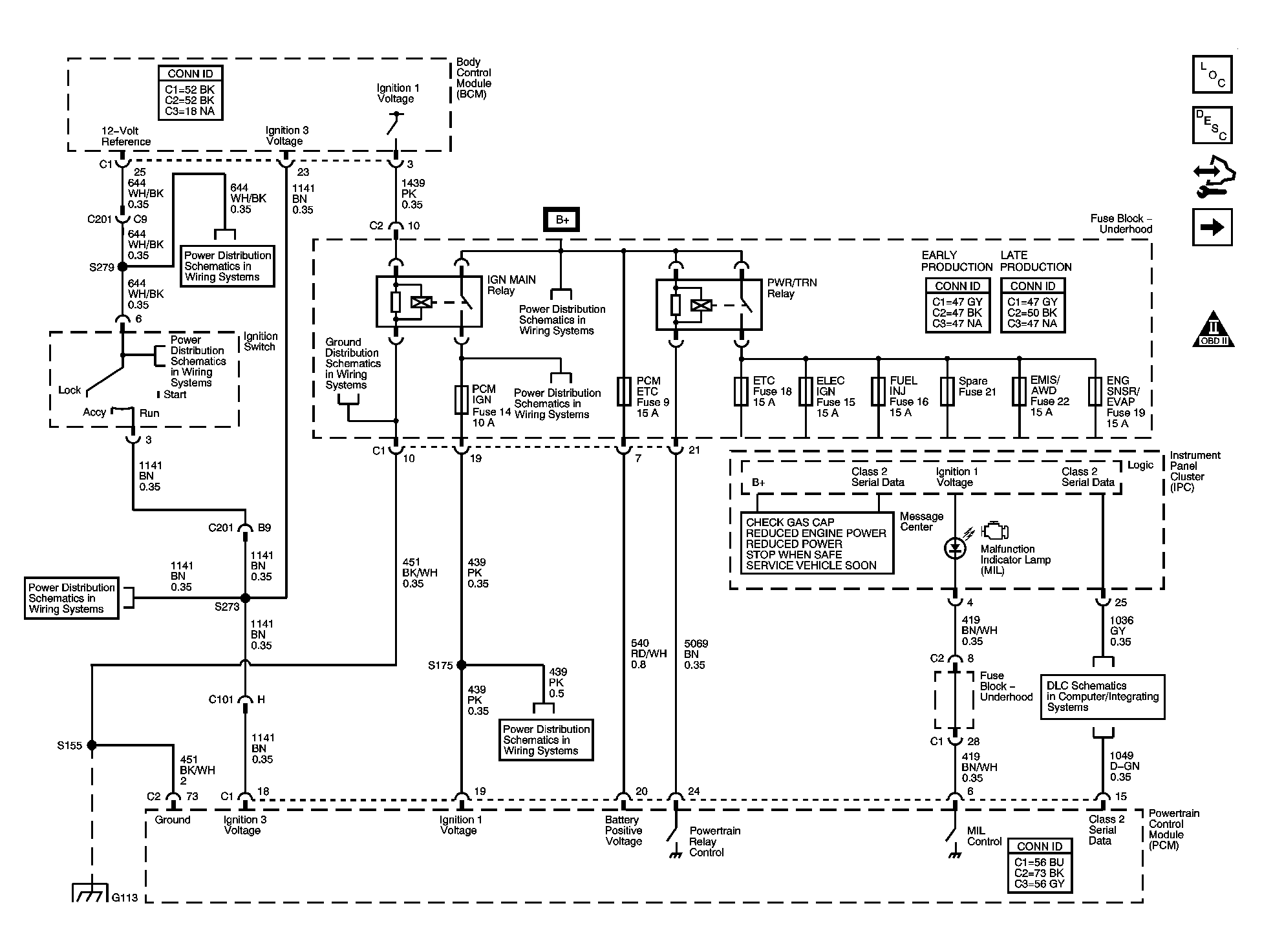
Fig 1: Module Power, Ground, Serial Data & MIL
GM1486100Courtesy of GENERAL MOTORS CORP.
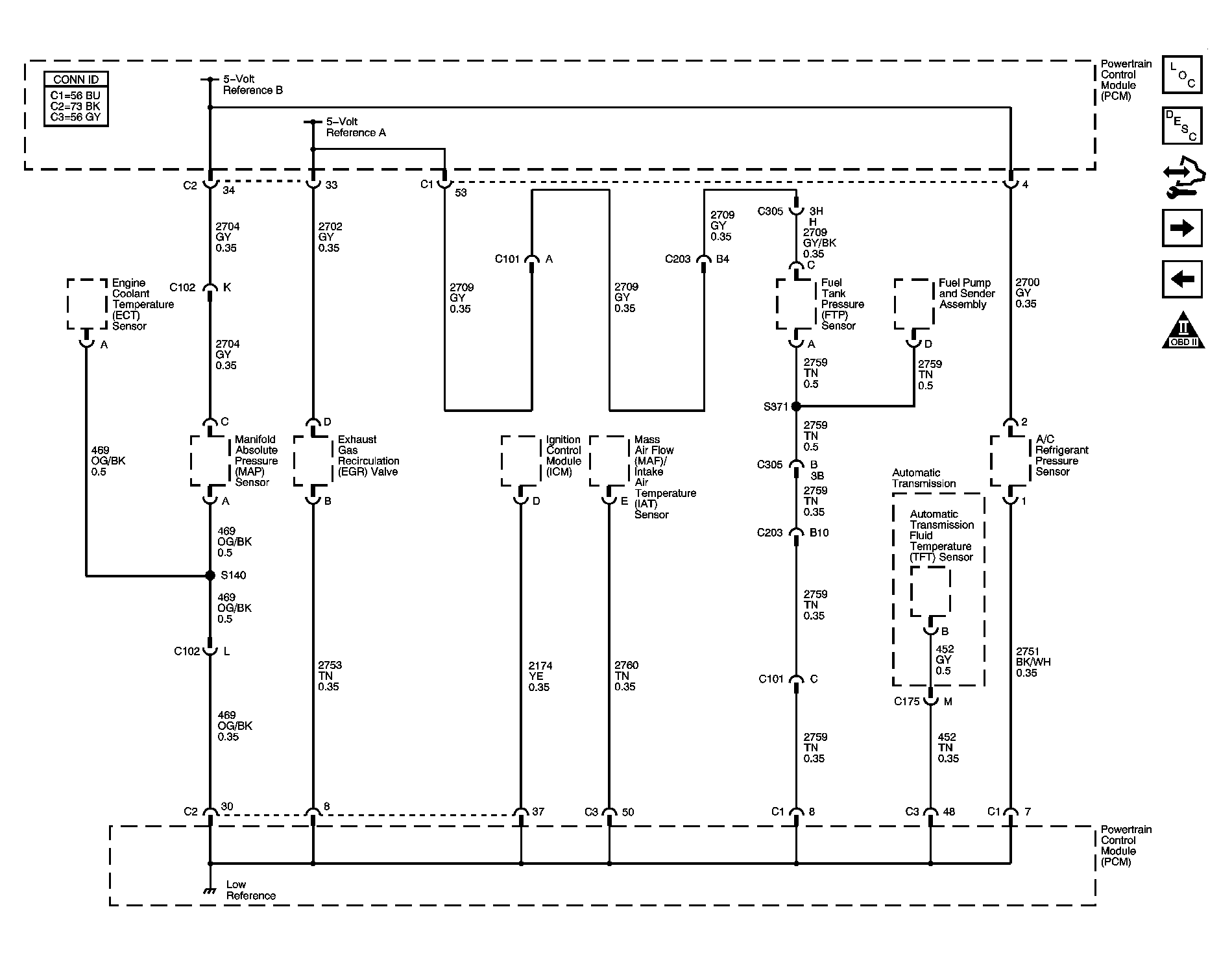
Fig 2: Engine Data Sensors - 5-Volt & Low Reference
GM1486105Courtesy of GENERAL MOTORS CORP.
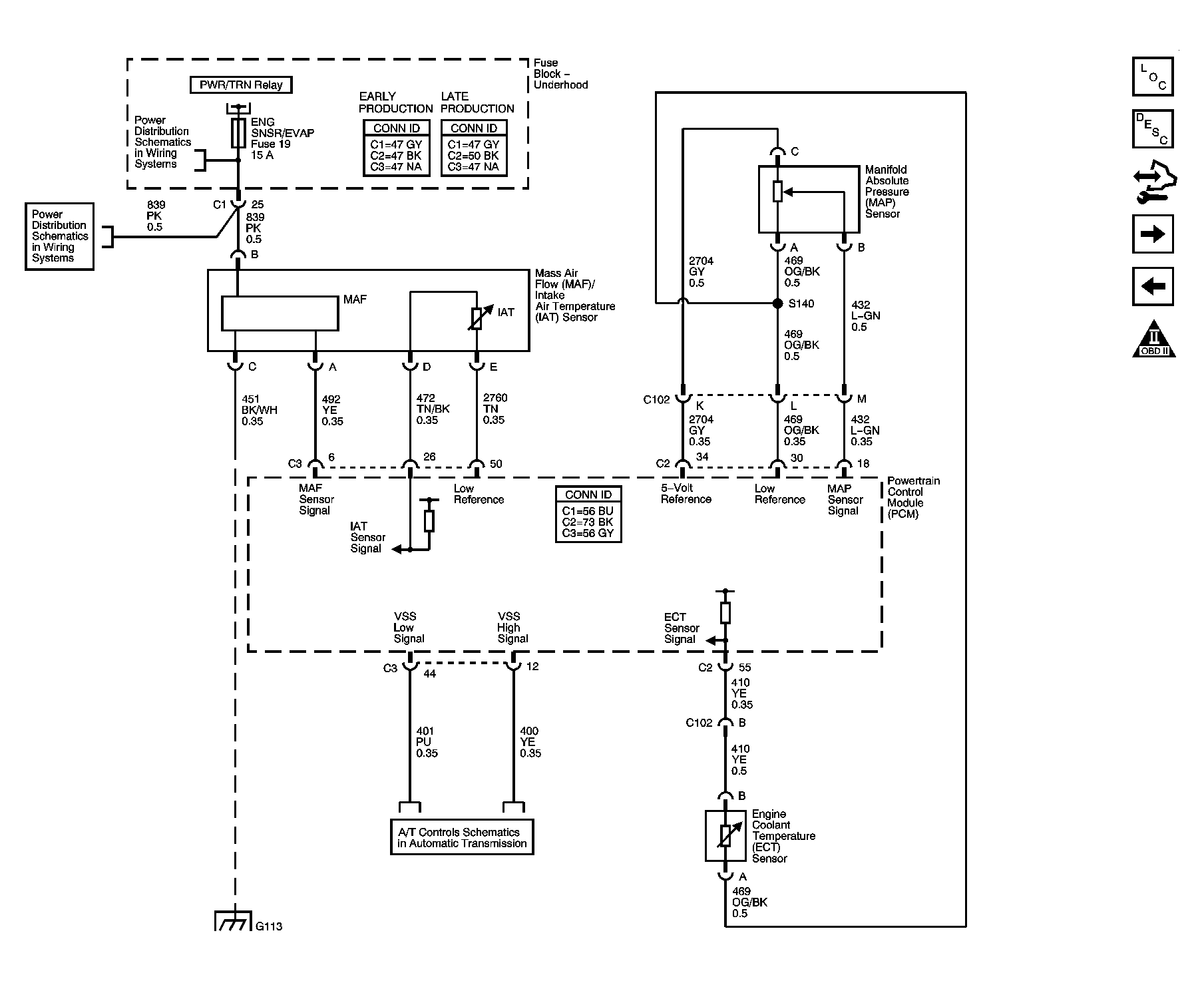
Fig 3: Engine Data Sensors - MAF, Pressure, Temperature & VSS
GM1486106Courtesy of GENERAL MOTORS CORP.
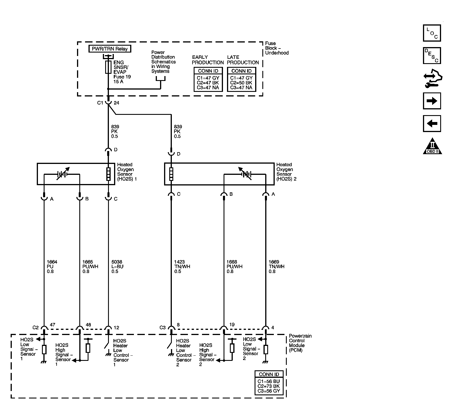
Fig 4: Engine Data Sensors - Oxygen Sensors
GM1486107Courtesy of GENERAL MOTORS CORP.
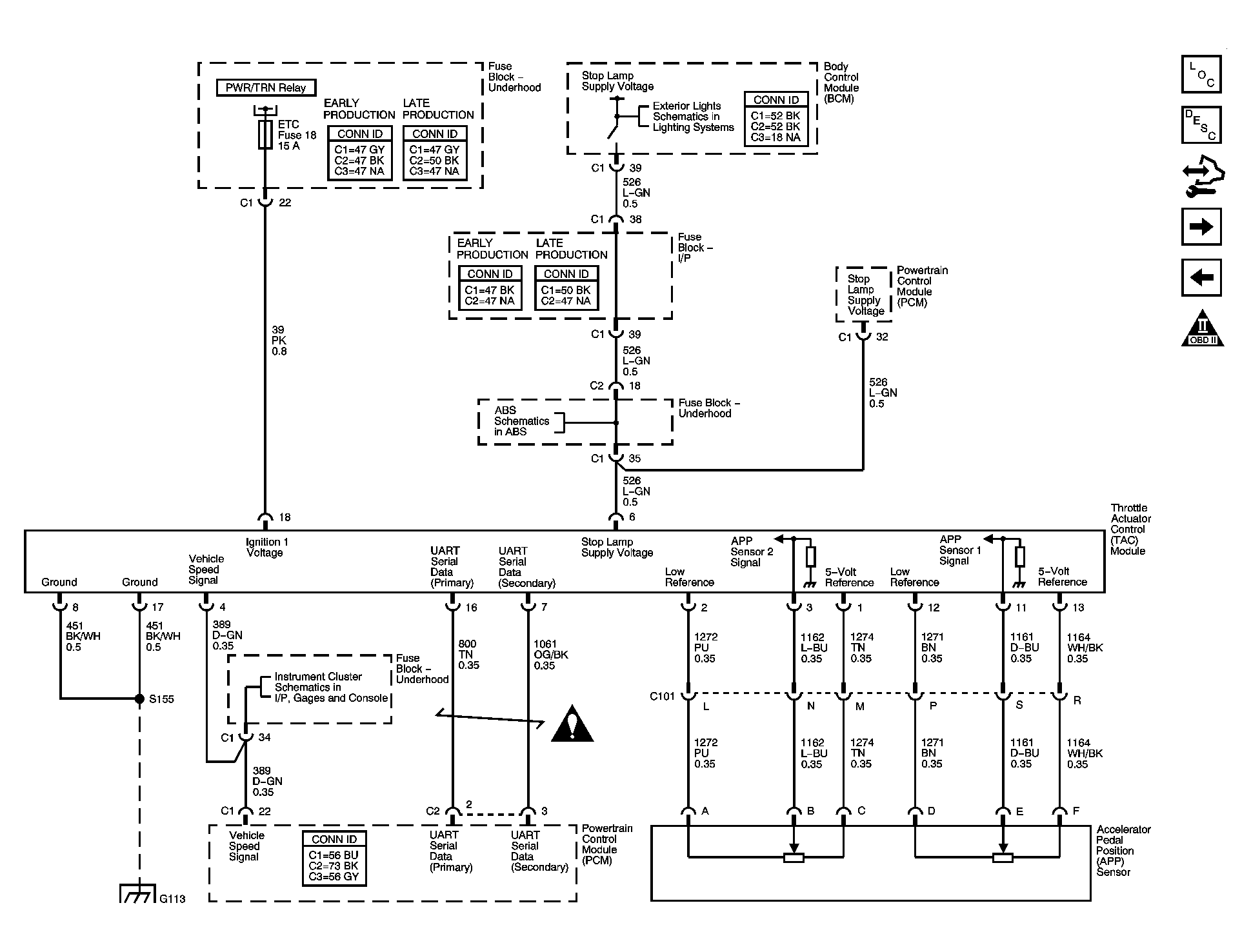
Fig 5: Engine Data Sensors - Throttle Actuator Controls
GM1486110Courtesy of GENERAL MOTORS CORP.
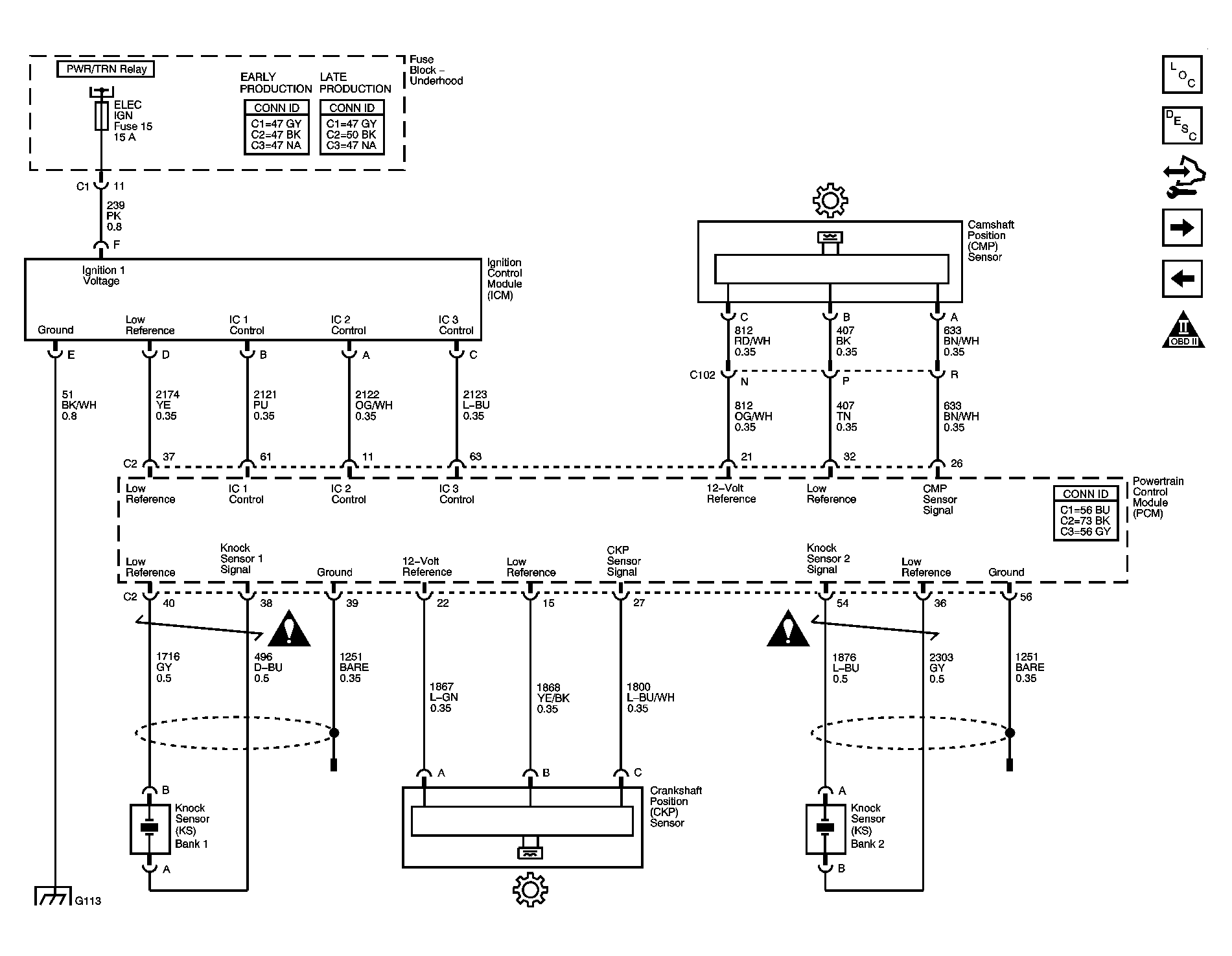
Fig 6: Ignition Controls - Ignition System
GM1486113Courtesy of GENERAL MOTORS CORP.
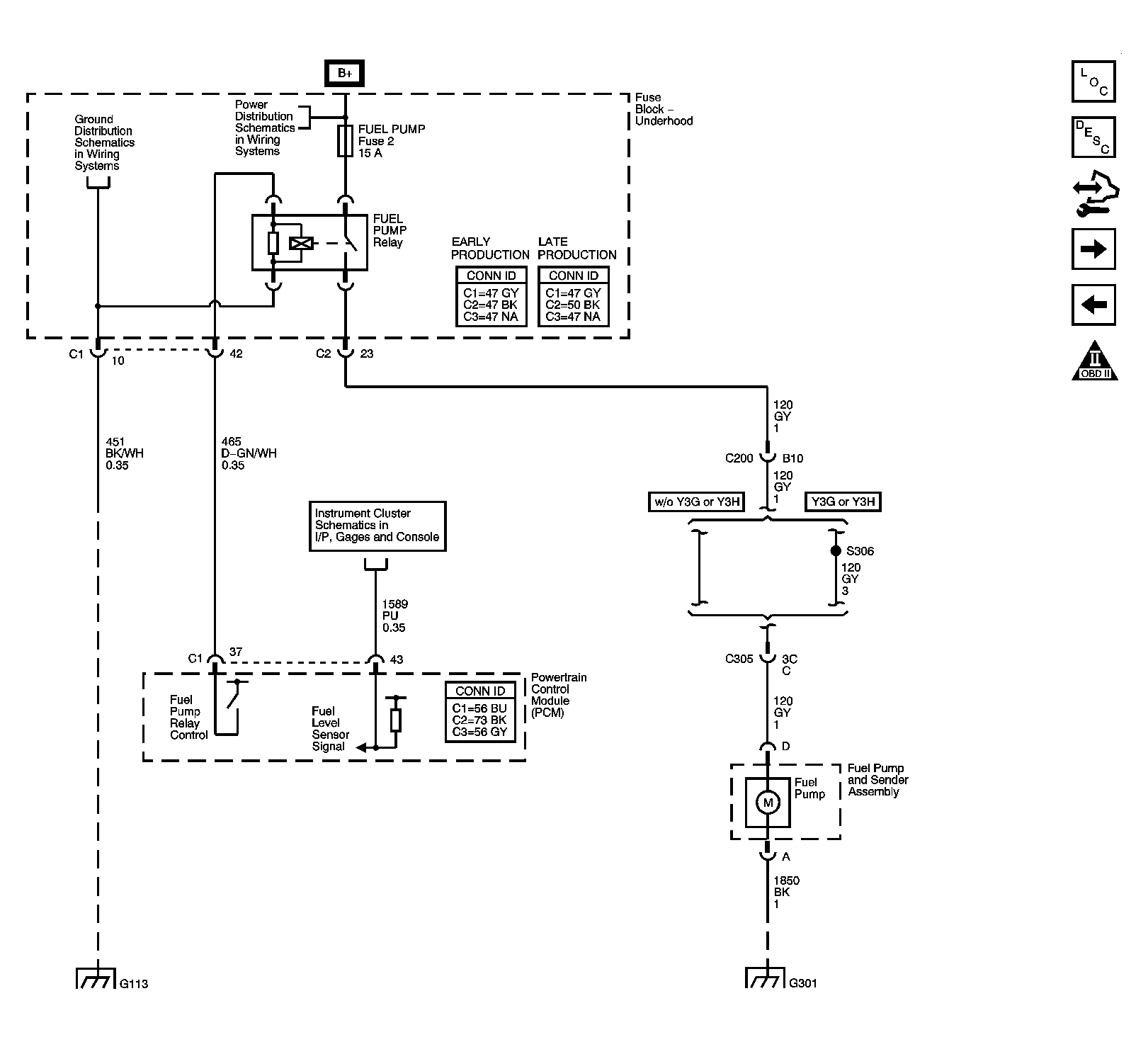
Fig 7: Fuel Controls - Fuel Pump Controls
GM1486115Courtesy of GENERAL MOTORS CORP.
Fig 8: Fuel Controls - Fuel Injectors
GM1486117Courtesy of GENERAL MOTORS CORP.
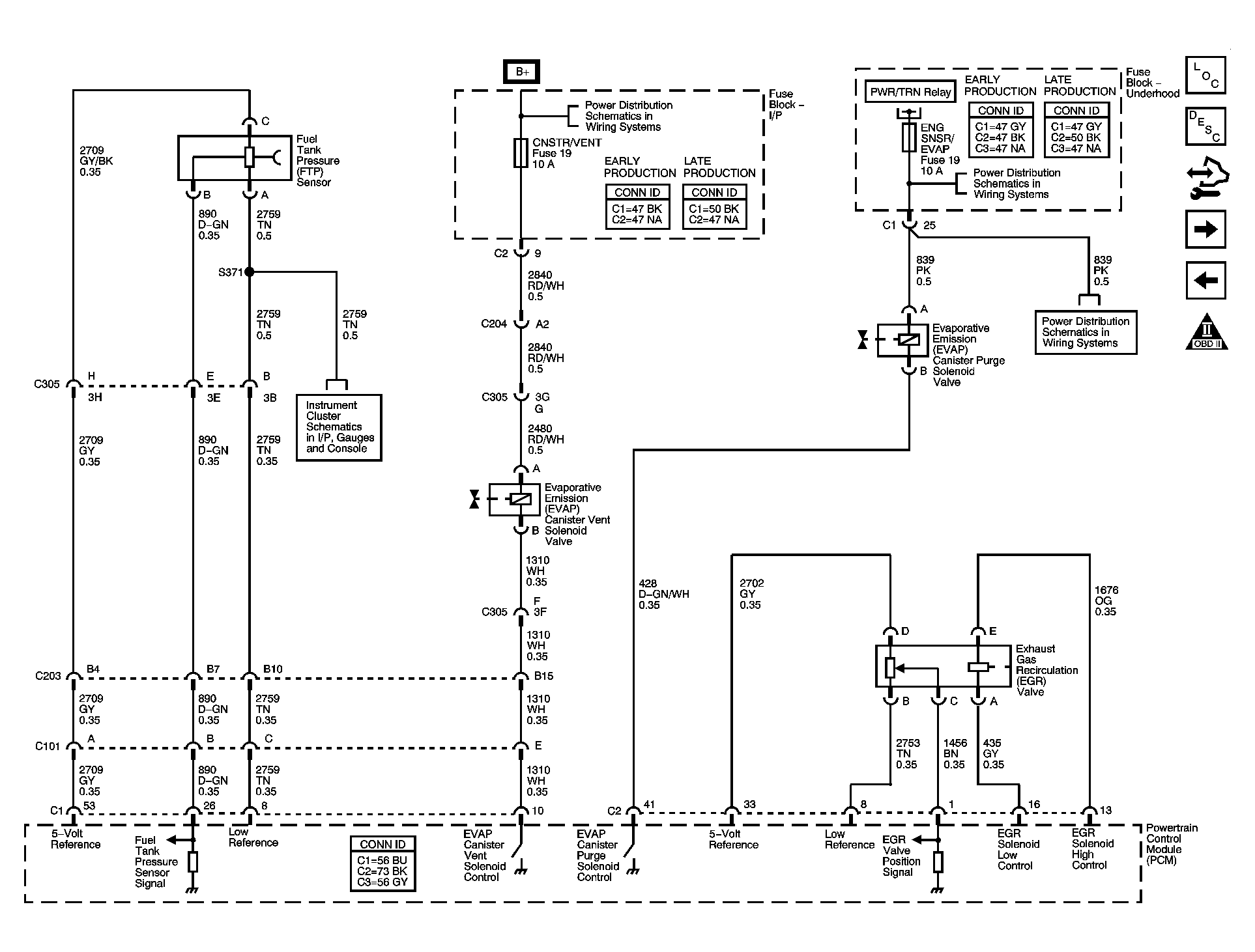
Fig 9: Fuel Controls - EVAP Controls
GM1486119Courtesy of GENERAL MOTORS CORP.
Fig 10: Controlled/Monitored Subsystem References
GM1486126Courtesy of GENERAL MOTORS CORP.
Fig 11: Transmission Controlled References
GM1486127Courtesy of GENERAL MOTORS CORP.