LEMON Manuals: Even more car manuals for everyone
Home >> Saturn >> 1996 >> SL1 Standard >> Repair and Diagnosis >> Engine Performance >> System >> Engine Controls - Basic Testing >> On-Board Diagnostic (OBD) System Check >> The OBD System Check Determines:

The OBD System Check Determines:

After performing procedures in PRELIMINARY INSPECTION & ADJUSTMENTS, BASIC FUEL SYSTEM CHECKS and BASIC IGNITION SYSTEM CHECKS, this is the starting point for utilizing the self-diagnostic system for determining computer-related problems. After performing necessary tests as described in the diagnostic circuit check, if no codes are indicated and driveability problems still exist, see TESTS W/O CODES article and SCAN TESTER USAGE in TESTS W/CODES article.

  1. Turn ignition off. Install Tech 1 scan tool and follow scan tool manufacturer's instructions to proceed with test. Turn ignition on. If scan tool displays PCM data, go to next step. If scan tool does not display PCM data, go to step 4).
  2. Start engine. If engine starts, go to next step. If engine does not start, go to NO START DIAGNOSIS (A-3)  .
  3. If DTC is present, diagnose affected DTC. See TESTS W/CODES article. If DTC is not present, observe scan tool data to determine if parameters are in correct operating range.
  4. Start engine. If engine starts, go step 7). If engine does not start, turn ignition on. Using a test light, check PCM 1 and PCM B fuses in underhood fuse block. If fuses are okay, go to next step. If fuses are faulty, check and repair circuit to PCM 1 and PCM B fuses.
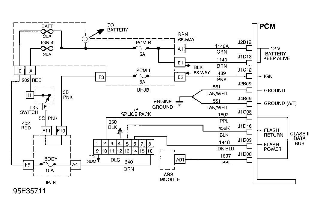
  5. Turn ignition off. Disconnect PCM harness connector. Turn ignition on. Check voltage between PCM harness connector circuits No. 439 (Pink wire) and No. 1140 (Orange wire). See Fig 1 . If voltage is present on both circuits, go to next step. If voltage is not present on both circuits, repair open circuit between fuse block and PCM harness connector.
  6. Check PCM ground circuits. Repair as necessary. If ground circuits are okay, check terminal tightness or check for faulty PCM.
  7. Using a test light, probe between Data Link Connector (DLC) terminals No. 4 and 12. If test light illuminates, go to next step. If test light does not illuminate, repair ground circuit to DLC.
  8. Check PCM circuit No. 1807 (Purple wire). If circuit is okay and vehicle is not equipped with ABS, try scan tool on another vehicle. If scan tool is okay, check for terminal tightness or faulty PCM. Repair as necessary. If circuit is okay and vehicle is equipped with ABS, go to next step.
  9. Disconnect ABS controller. If scan tool now communicates with PCM, replace ABS controller.
Fig 1: Data Link Connector Circuit
G95E35711Courtesy of GENERAL MOTORS CORP.