LEMON Manuals: Even more car manuals for everyone
Home >> Saturn >> 1995 >> SC2 Standard >> Repair and Diagnosis >> Engine Performance >> System >> Engine Controls - Tests W/Codes >> ECM/Pcm Code Charts >> Code 19: 6X Signal Fault >> Diagnostic Aids

Diagnostic Aids

Checking malfunction history on scan tester may help determine cause of intermittent code. Check tightness of all terminals and connectors.

When attempting to diagnose an intermittent problem, use scan tester to review supplemental diagnostic information. Supplemental data (scan tester MALF HISTORY) can be used to help duplicate an intermittent problem. Using Diagnostic Service Probe (12092782) allows voltage to be read on wires without disconnecting connectors.

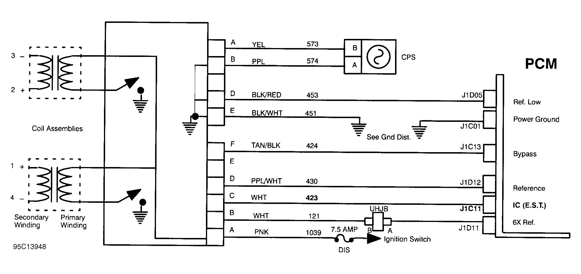
Fig 1: Code 19 Schematic, 6X Signal Fault - 1 Of 2
G95C13948
Fig 2: Code 19 Schematic, 6X Signal Fault - 2 Of 2
G95B13947
Fig 3: Code 19 Diagnostic Flow Chart, 6X Signal Fault
G95D13949