LEMON Manuals: Even more car manuals for everyone
Home >> Saturn >> 1994 >> SC2 Standard >> Repair and Diagnosis (Single Page) >> Engine Performance >> System >> Engine Controls - Tests W/Codes >> ECM/Pcm Code Charts >> Code 19: 6X Signal Fault >> Diagnostic Aids

Diagnostic Aids

Checking malfunction history on scan tester may help determine cause of intermittent code. Check tightness of all terminals and connectors.

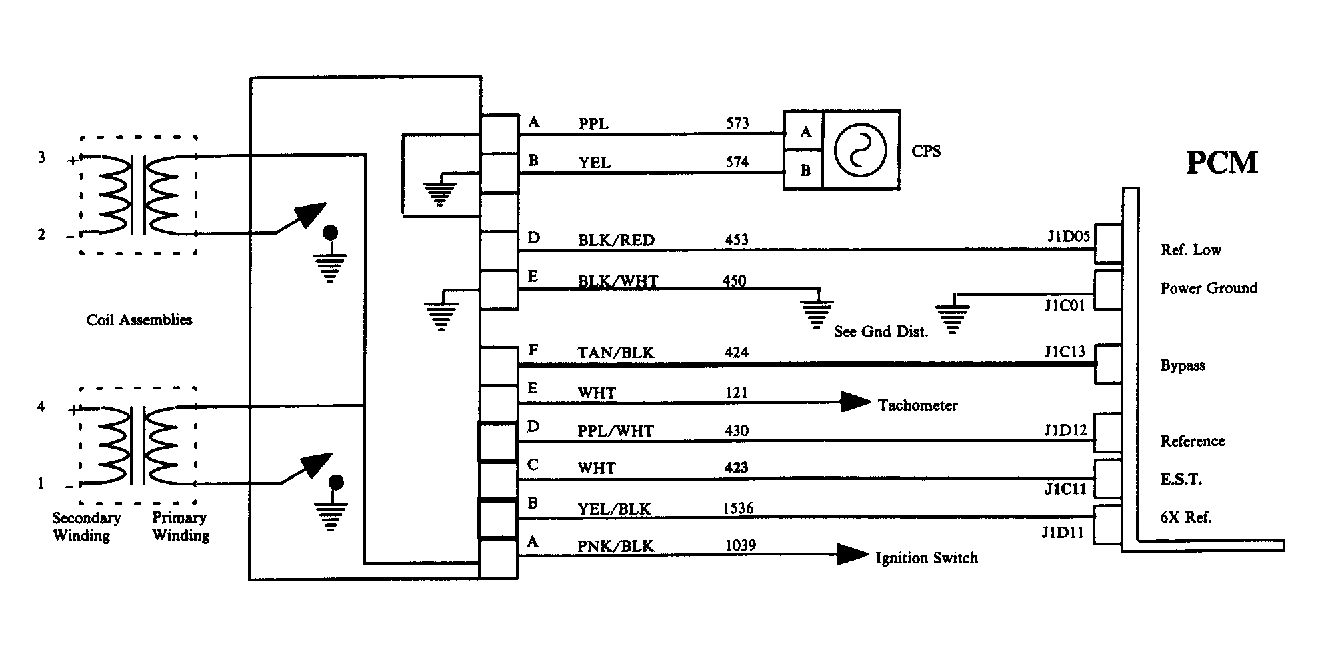
Fig 1: Code 19 Schematic (Saturn) 6X Signal Fault
G92D04636
Fig 2: Code 19 Flow Chart (Saturn) 6X Signal Fault
G92F04642