LEMON Manuals: Even more car manuals for everyone
Home >> Saturn >> 1991 >> SC Standard >> Repair and Diagnosis >> Engine Performance >> System >> Engine Controls - System/Component Tests >> Wiring Diagrams

Wiring Diagrams

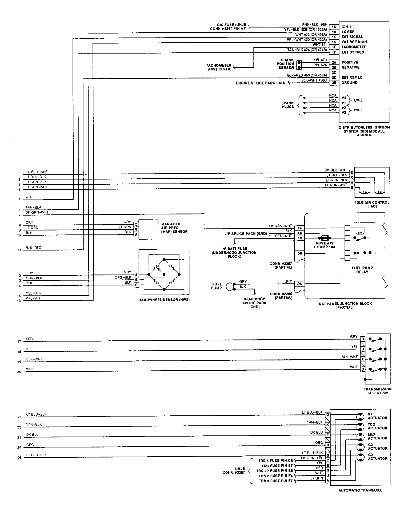
Fig 1: PCM Wiring Diagram (1 of 2), 1.9L VIN 7
G92E05815
Fig 2: PCM Wiring Diagram (2 of 2), 1.9L VIN 7
G92G05816
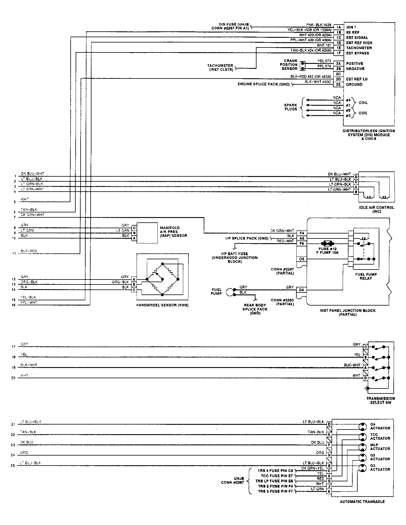
Fig 3: PCM Wiring Diagram (1 of 2), 1.9L VIN 9
G92I05817
Fig 4: PCM Wiring Diagram (2 of 2), 1.9L VIN 9
G92A05818