LEMON Manuals: Even more car manuals for everyone
Home >> Saab >> 2005 >> 9-5 Linear, Automatic >> Repair and Diagnosis >> Engine Performance >> TRIONIC T7 Fuel Control System, 4-CYL. >> Technical Description >> Injectors >> Notes

Technical Description: Injectors: Notes

Fig 1: Identifying Injector
G03856279Courtesy of SAAB-SCANIA OF AMERICA, INC.
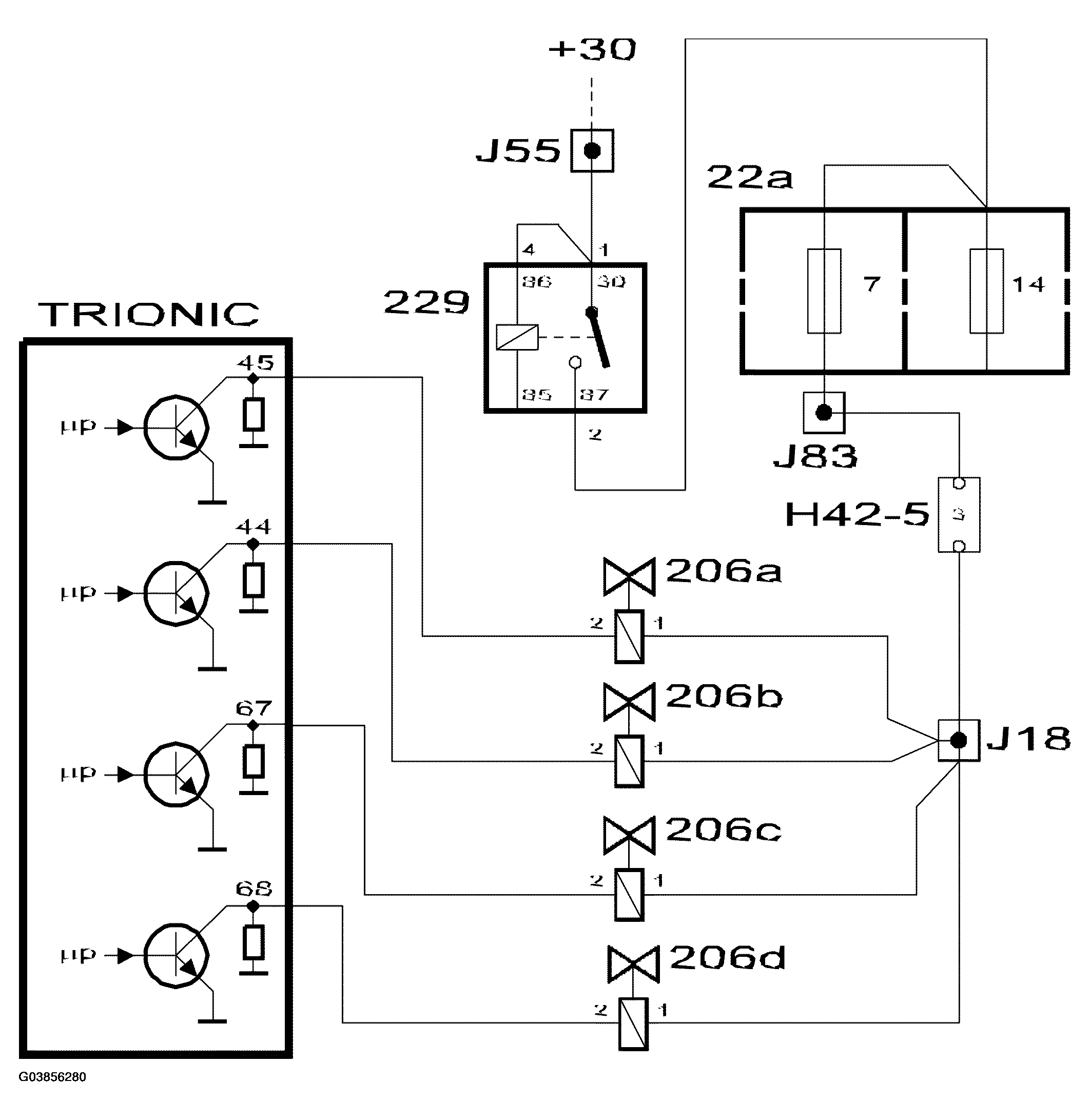
Fig 2: Injector - Circuit Diagram
G03856280Courtesy of SAAB-SCANIA OF AMERICA, INC.

The injectors are of solenoid type with needle and seat. They open when a current flows through the coil and are closed by a powerful spring when the current is cut.

The injectors must not be rotated; the connector must be pointing straight up. Otherwise, the fuel jets will hit the walls of the intake passages, which will affect emissions and driveability. The injectors are identical on all 4-cyl engines.

The injectors are supplied with current from the main relay, while the control module grounds them as follows:

The microprocessor controls the transistor in the firing order so that injection is completed just as the inlet valve in the cylinder in question opens.