LEMON Manuals: Even more car manuals for everyone
Home >> Saab >> 2005 >> 9-5 Linear, Automatic >> Repair and Diagnosis >> Engine Performance >> TRIONIC T7 Fuel Control System, 4-CYL. >> Technical Description >> Ground >> Sensor ground

Sensor ground

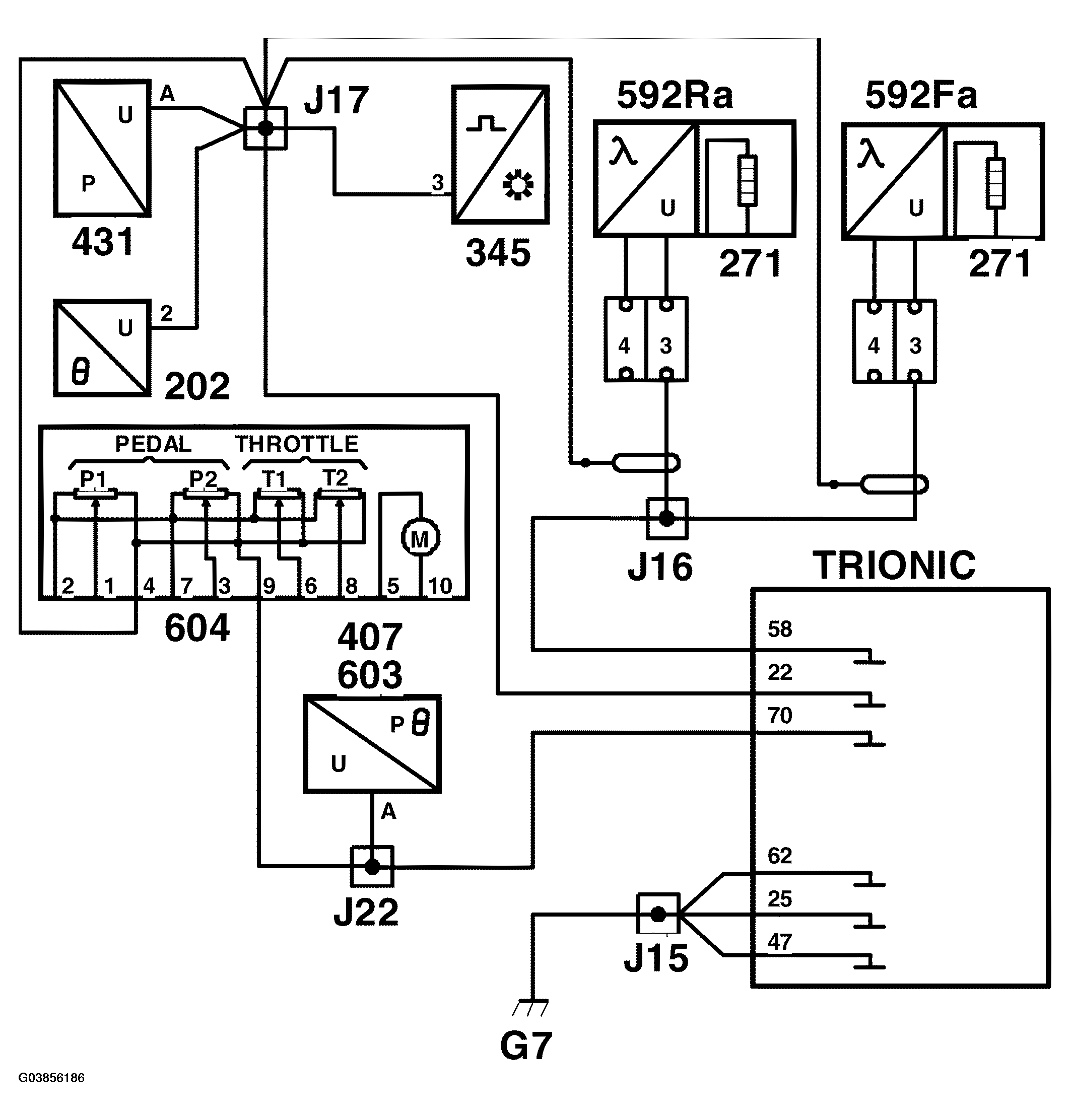
The following sensors are grounded from control module pins 22 and 70. The two supplies are internally coupled together in the throttle body.

Fig 1: Sensor Ground - Circuit Diagram
G03856186Courtesy of SAAB-SCANIA OF AMERICA, INC.