LEMON Manuals: Even more car manuals for everyone
Home >> Saab >> 2005 >> 9-5 Linear, Automatic >> Repair and Diagnosis >> Engine Performance >> TRIONIC T7 Fuel Control System, 4-CYL. >> Technical Description >> Cruise Control >> Notes

Cruise Control: Notes

Fig 1: Cruise Control - Communication Diagram
G03856214Courtesy of SAAB-SCANIA OF AMERICA, INC.
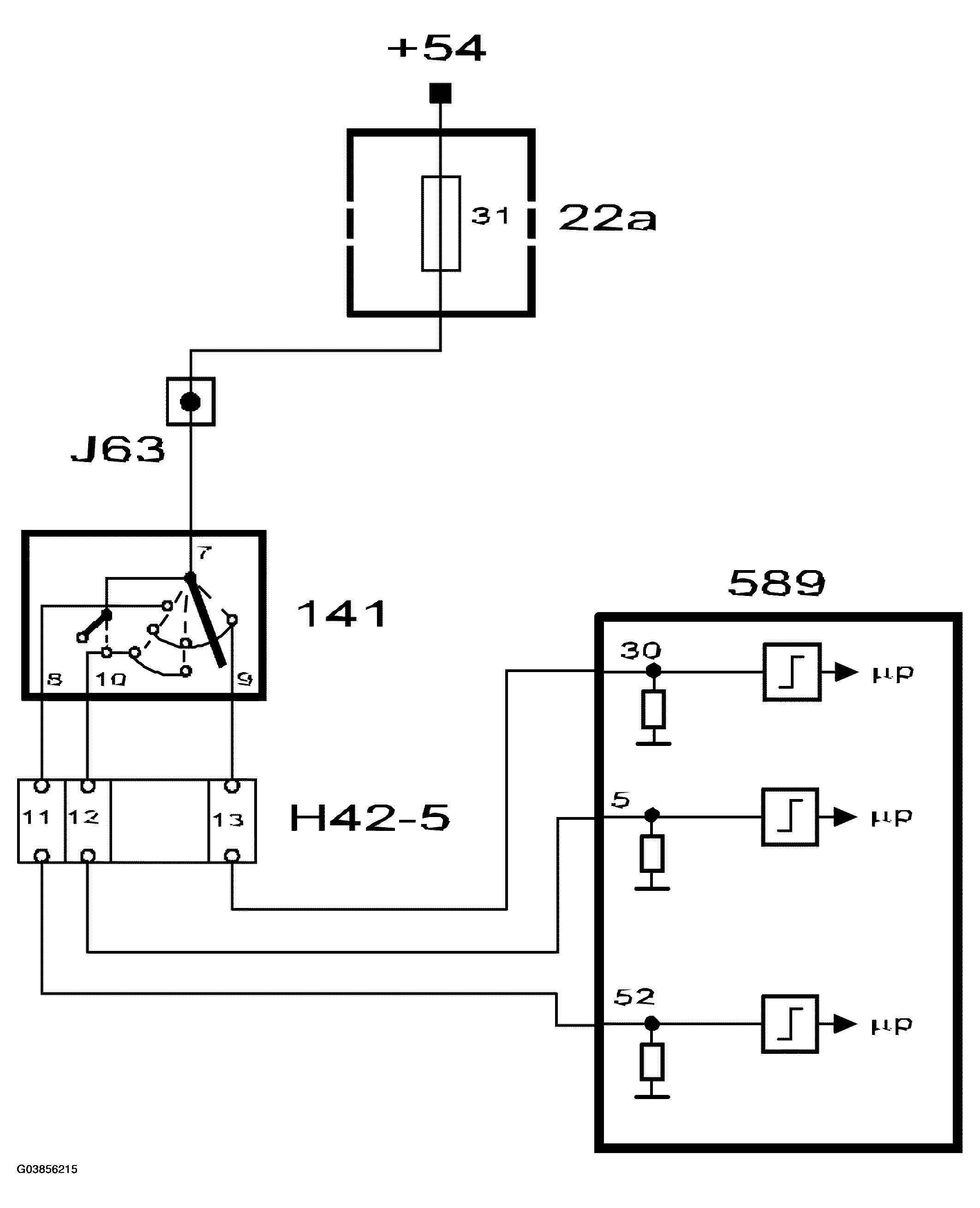
Fig 2: Cruise Control - Circuit Diagram
G03856215Courtesy of SAAB-SCANIA OF AMERICA, INC.

Cruise control is operated with the switch on the direction indicator stalk switch. The switch is powered from +54 and has three outputs to the control module (see adjacent table).

When the switch is put in position "ON", the control module will send bus information "CRUISE lamp ON". The main instrument unit will then turn on the lamp.

When the "SET" button is subsequently pressed, the control module will store the current speed in its memory on condition that other conditions for cruise control have been fulfilled.

The control module then reads through a table containing the rolling resistance on level ground at various speeds. The requested (stored) speed has now been converted to a requested drive wheel torque.

The requested drive wheel torque is then compared with the current gear and is converted to requested engine torque.

Requested engine torque is converted to requested air mass/combustion and constitutes the cruise control input signal to the air mass control.

If the vehicle speed is lower than that requested, the requested air mass/combustion is increased until the acceleration reaches a certain level. In the same way, the requested air mass/combustion is reduced until deceleration reaches a certain level if the speed is higher than that requested.

The control module is programmed for cruise control even if cruise control is not fitted as original equipment. Retrofitting is therefore simple.

CRUISE CONTROL MODULE PROGRAMMING

From switch pin To control module pin Connection designation in diagnostic tool SWITCH POSITION        
Zero position ON/OFF SET/+ RESUME/- CANCEL
8 52 A 0 1 0 0 0
10 5 B 0 1 1 0 1
9 30 C 0 1 0 1 1