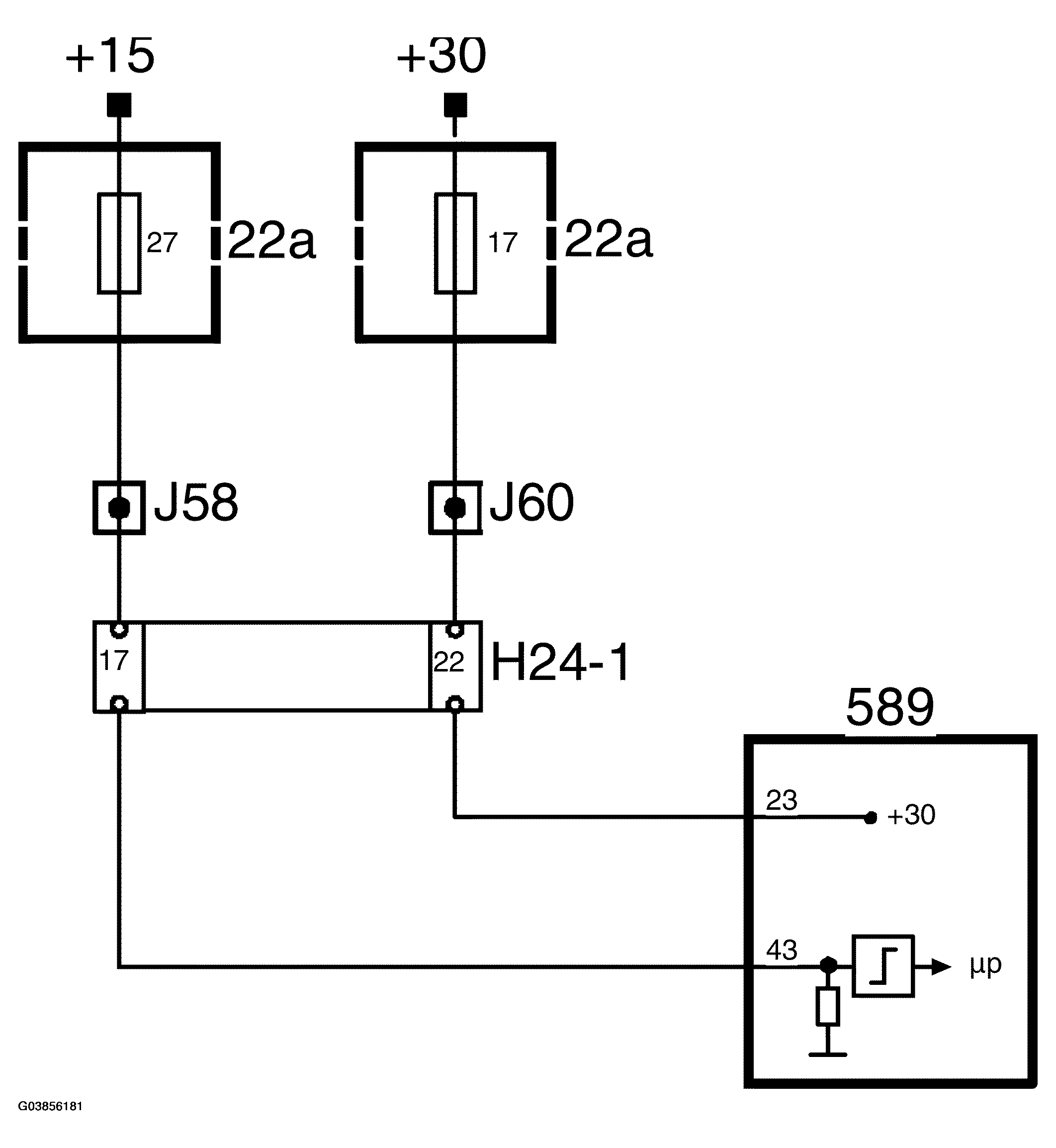
Control Module Power Supply: Diagnosis
- If no current from either the +30 or +15 circuits is present, the engine will not start and the system cannot be contacted with the diagnostic tool.
- If no current is supplied to the control module from the main relay, diagnostic trouble code P1640 will be generated, the throttle will close and the engine will stop.