LEMON Manuals: Even more car manuals for everyone
Home >> Saab >> 2005 >> 9-5 Linear, Automatic >> Repair and Diagnosis >> Engine Performance >> TRIONIC T7 Fuel Control System, 4-CYL. >> Fault Diagnosis, Fault Codes >> P0502: Vehicle Speed No Input Signal >> Notes

P0502: Vehicle Speed No Input Signal: Notes

Fig 1: Vehicle Speed - Circuit Diagram (No Input Signal)
G03855954Courtesy of SAAB-SCANIA OF AMERICA, INC.
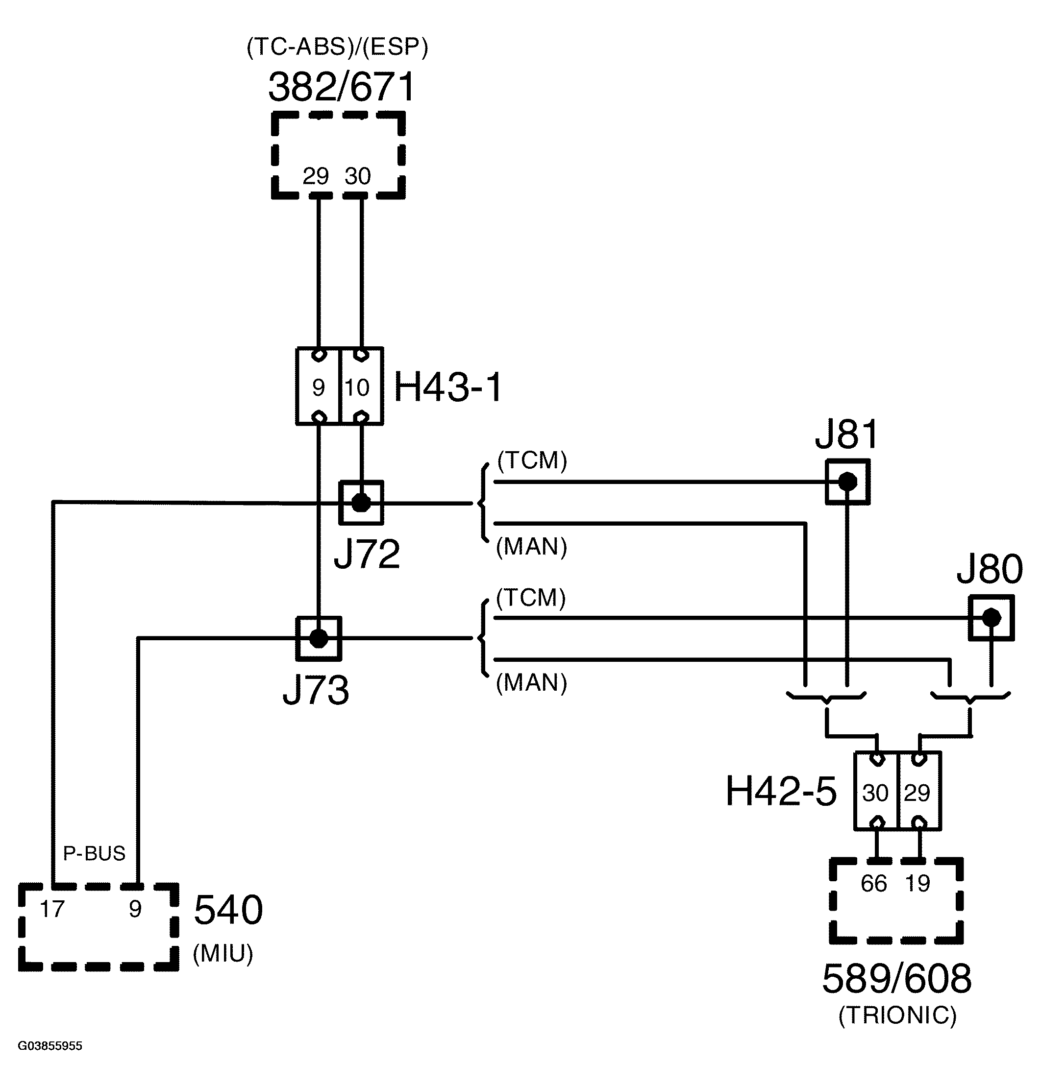
Fig 2: Vehicle Speed - Connection Diagram (No Input Signal)
G03855955Courtesy of SAAB-SCANIA OF AMERICA, INC.