LEMON Manuals: Even more car manuals for everyone
Home >> Saab >> 2005 >> 9-5 Linear, Automatic >> Repair and Diagnosis >> Engine Performance >> TRIONIC T7 Fuel Control System, 4-CYL. >> Component Location >> Grounding Point G5 >> Notes

Grounding Point G5: Notes

Fig 1: Identifying G5 Grounding Point And Location
G03855899Courtesy of SAAB-SCANIA OF AMERICA, INC.
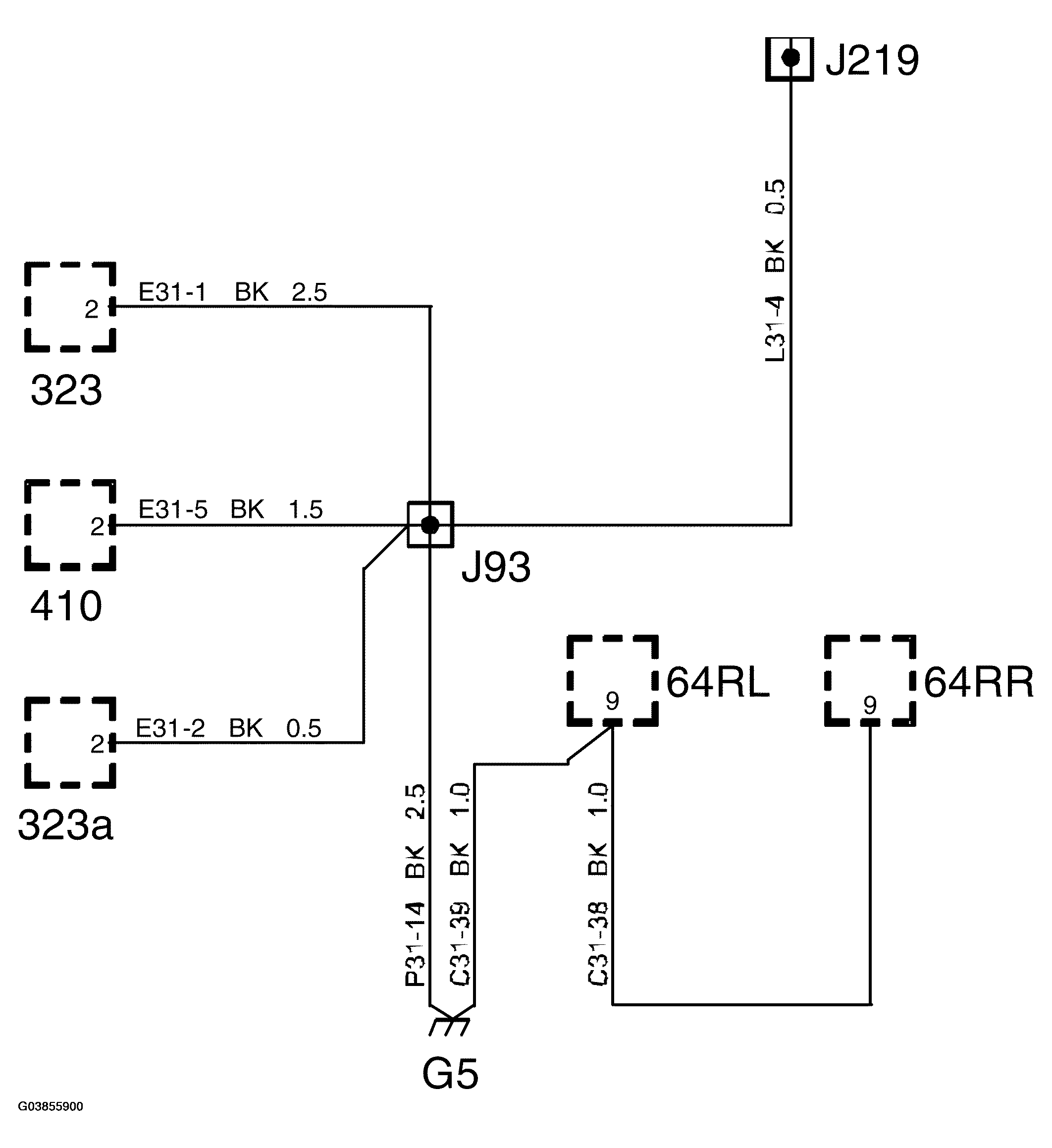
Fig 2: G5 Grounding Point Connection Diagram
G03855900Courtesy of SAAB-SCANIA OF AMERICA, INC.

Location:  Under left-hand corner of rear seat.