LEMON Manuals: Even more car manuals for everyone
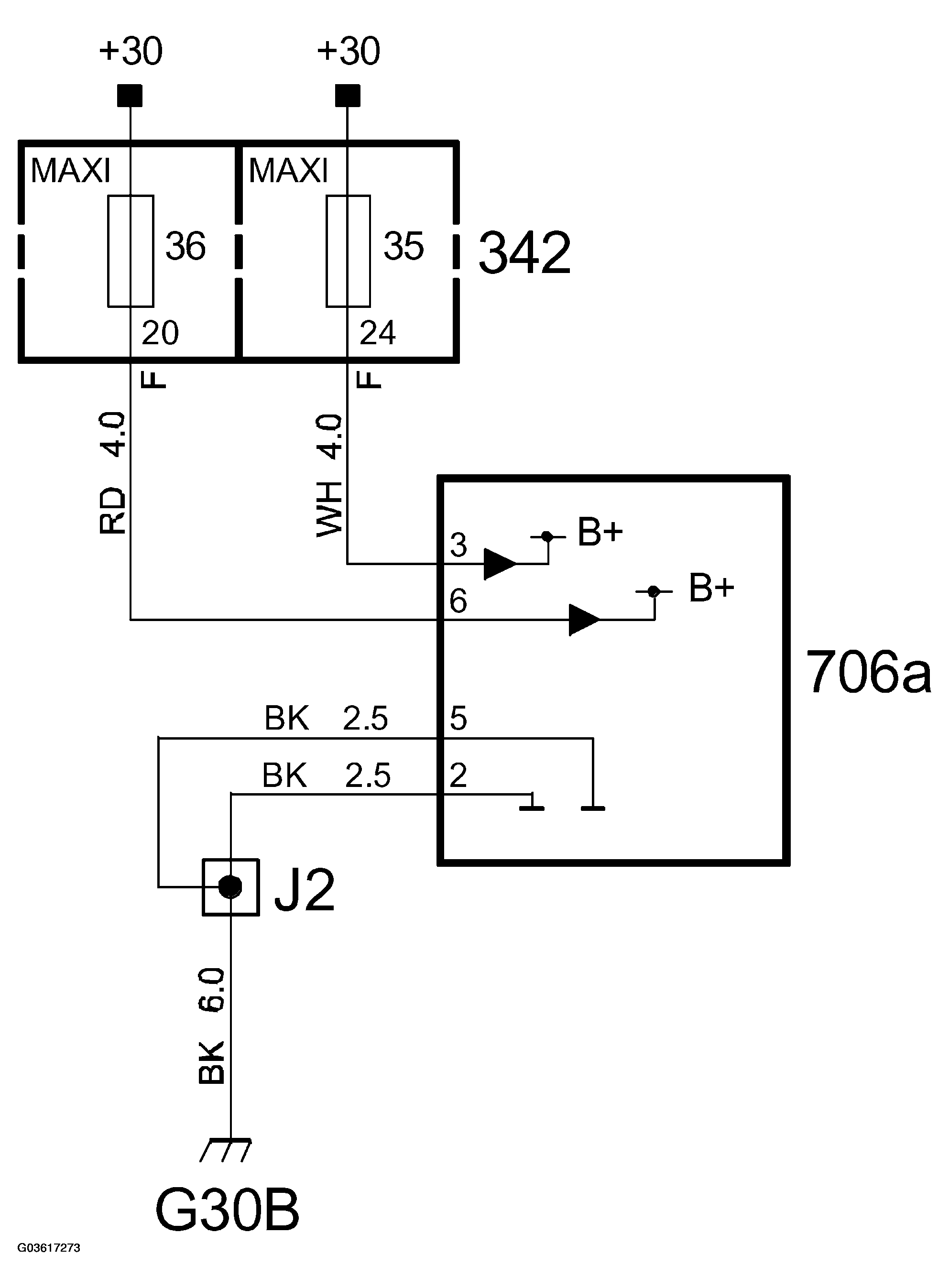
Home >> Saab >> 2004 >> 9-5 Linear, Automatic >> Repair and Diagnosis >> External Pages >> Different car >> Section 42 (Control Module (Late; 9440)) >> Control Module/Technical Data >> Relay unit, radiator fans (706a), B207 with two radiator fans >> Main task >> power supply

power supply

WARNING: This page is about a different car, the 2003 Saab 9-3. However, it is still accessible from the selected car via links, so may be relevant.
Fig 1: Power Supply Diagram
G03617273Courtesy of SAAB-SCANIA OF AMERICA, INC.