LEMON Manuals: Even more car manuals for everyone
Home >> Saab >> 2004 >> 9-3 Linear, Standard >> Repair and Diagnosis >> Electrical >> Body Electrical >> Control Module >> Technical Description >> Navigation unit (635) >> Connection

Navigation unit (635): Connection

PIN SIGNAL TYPE DESCRIPTION

Pin no. Signal type Description
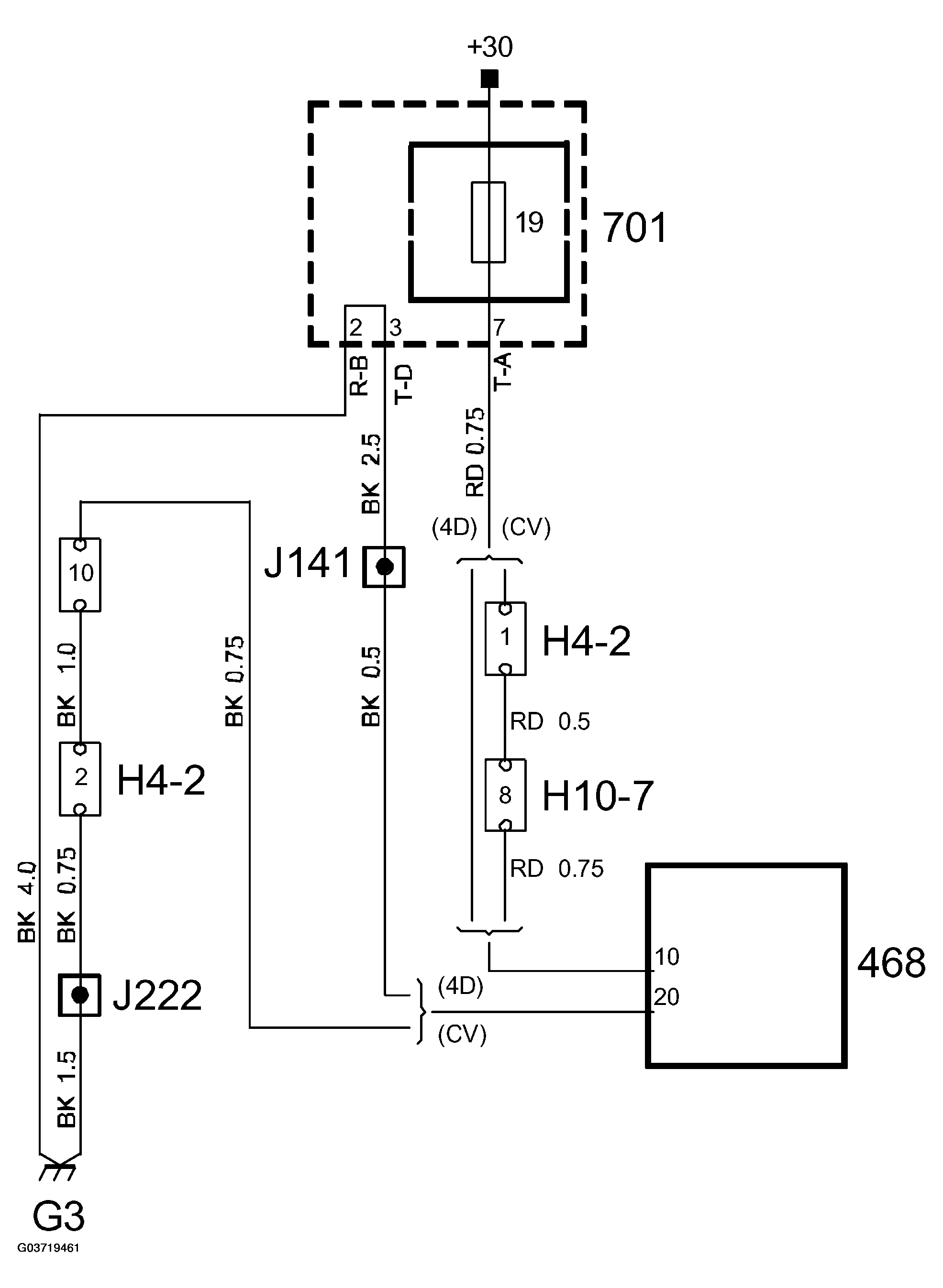
10 +30  
20 Ground  
4, 5 Microphone  
1, 2 GPS or AMPS antenna  
1 O-bus Reception. Own connection
2 O-bus Transmission. Own connection
Fig 1: Identifying Navigation Unit Communication Diagram
G03719460Courtesy of SAAB-SCANIA OF AMERICA, INC.

Wiring diagram

Fig 2: Identifying Navigation Unit Wiring Diagram
G03719461Courtesy of SAAB-SCANIA OF AMERICA, INC.