LEMON Manuals: Even more car manuals for everyone
Home >> Saab >> 2004 >> 9-3 Linear, Automatic >> Repair and Diagnosis >> Electrical >> Body Electrical >> Control Module >> Technical Description >> Gear selector control module (726) >> Activation

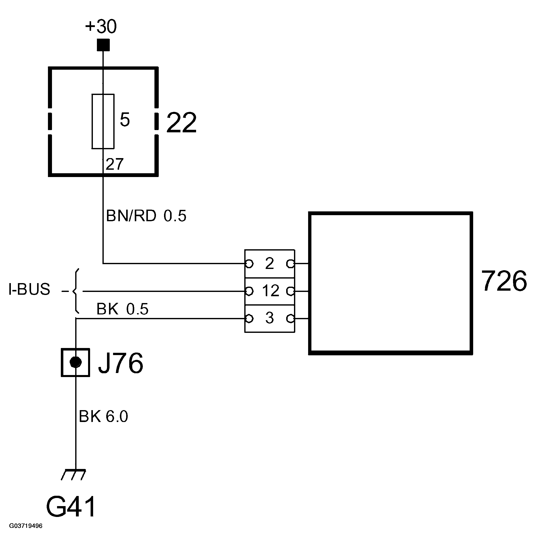
Gear selector control module (726): Activation

The SLM control module is powered with +30 on pin 2 from main fuse box 22, fuse 5. Grounding takes place on pin 3, grounding point G41. Bus communication (I-bus) takes place on pin 12. Communication regarding up or down shifting in position "M" takes place from pin 7 on SLM to pin 8 (A) on TCM.

Fig 1: Identifying BCM Body Control Module Communication Diagram
G03719495Courtesy of SAAB-SCANIA OF AMERICA, INC.
PIN INTERFACE DESCRIPTION

Pin no. Interface Description
2 + 30 Supply from main fuse box 22
3 ground grounding point G41
12 Bus I-bus
7   Up and down shifting to pin 8 (A) on TCM