LEMON Manuals: Even more car manuals for everyone
Home >> Saab >> 2003 >> 9-3 Vector, Standard >> Repair and Diagnosis >> Engine Performance >> System >> TRIONIC T7 Fuel Control System >> Technical Description >> Main relay >> Notes

Main relay: Notes

Fig 1: Identifying Main Relay - Control Module Communication Diagram
G03576921Courtesy of SAAB-SCANIA OF AMERICA, INC.
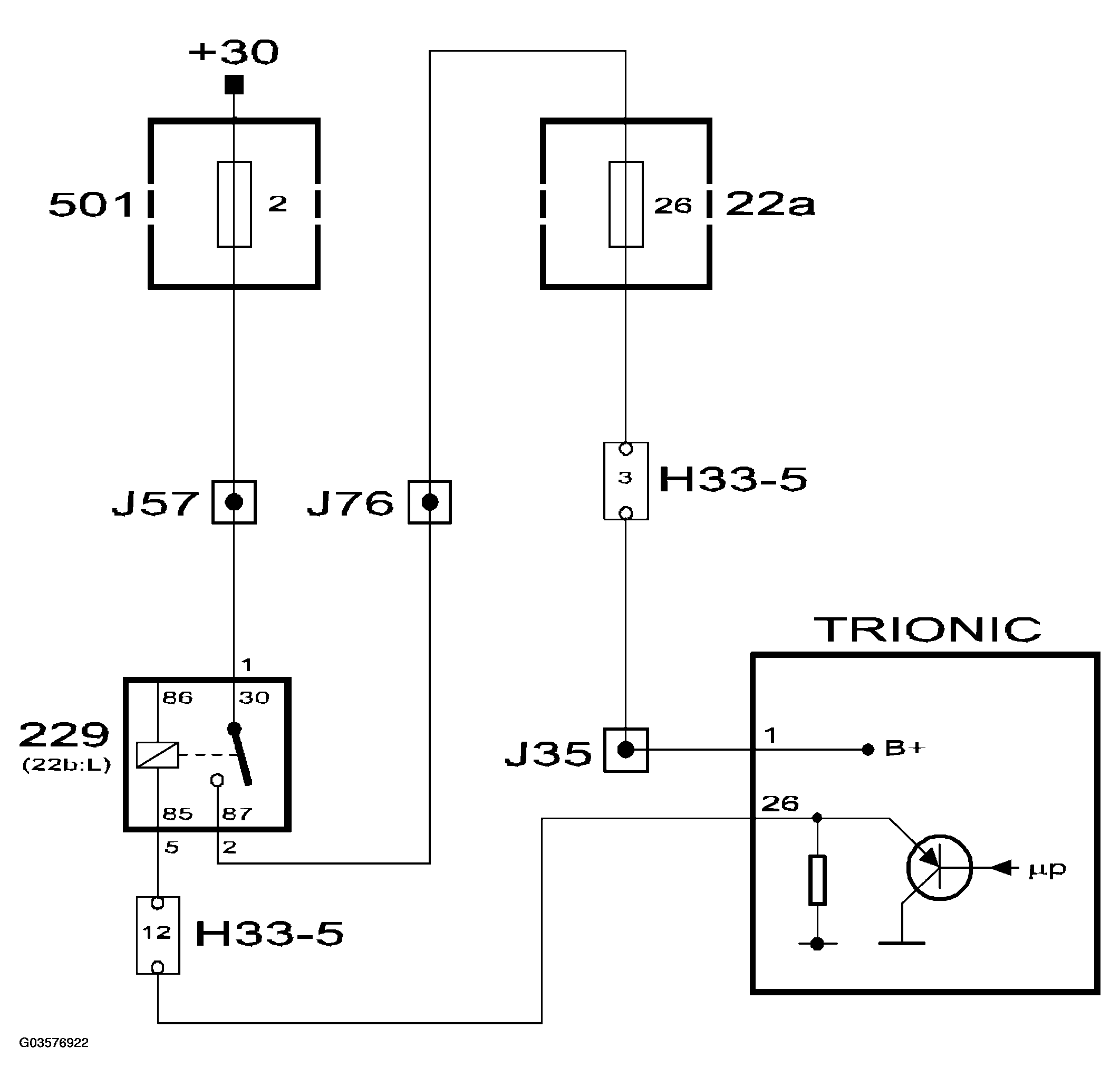
Fig 2: Identifying Main Relay - Control Module Communication Circuit Diagram
G03576922Courtesy of SAAB-SCANIA OF AMERICA, INC.

The main relay is located in the relay holder under the dashboard by the steering wheel.

+15 is supplied to control module pin 43 when the ignition is turned to "ON". The control module then grounds pin 26 and the main relay operates. The control module also receives supply voltage on pin 1 from main relay pin 87 at the same time. The control module supply is used internally to feed the throttle motor.

When the ignition is turned to the "OFF" position, the main relay will operate for a further 10 seconds to enable adaptation of the throttle valve to fully closed position.