LEMON Manuals: Even more car manuals for everyone
Home >> Saab >> 2003 >> 9-3 Vector, Standard >> Repair and Diagnosis >> Engine Performance >> System >> TRIONIC T7 Fuel Control System >> Technical Description >> Control module power supply >> Main relay

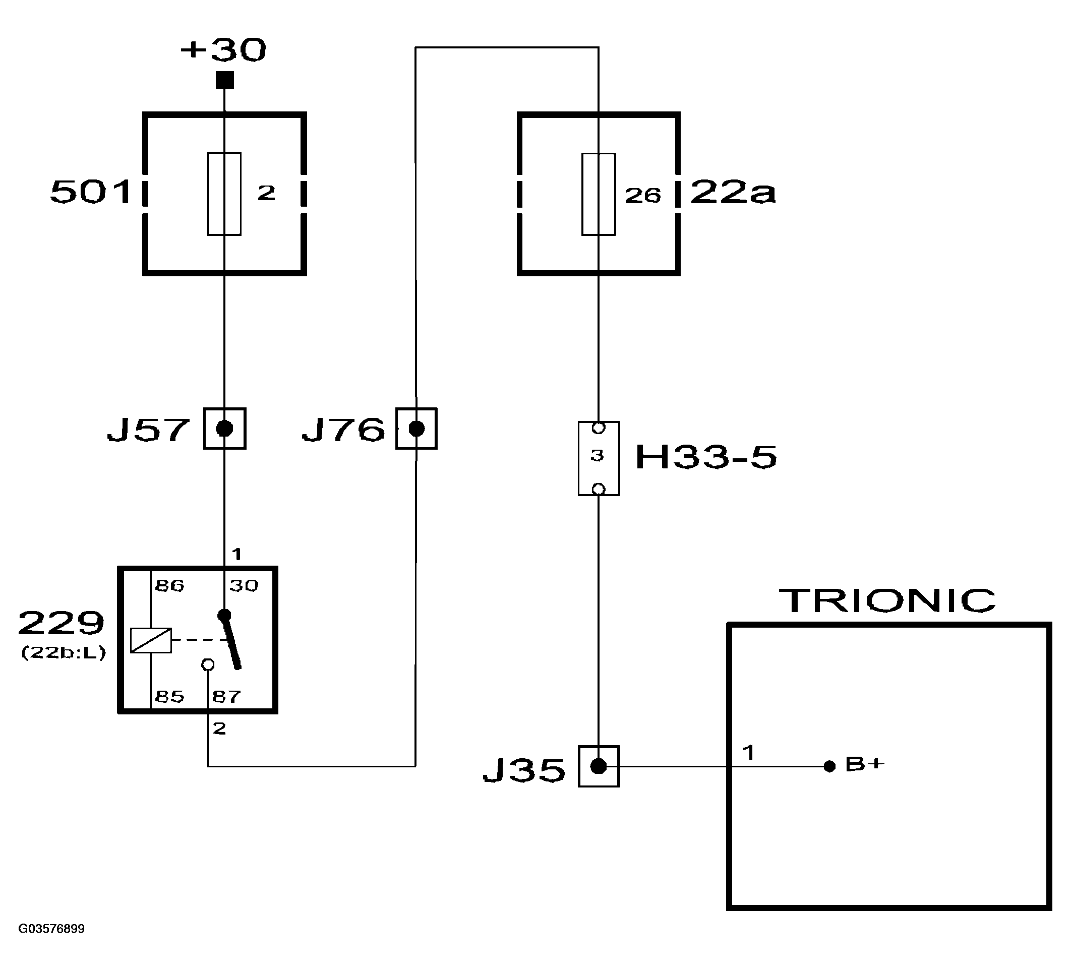
Main relay

When the ignition is in position ON, the main relay will operate.

Control module pin 1 is supplied from main relay pin 87 via fuse 26. This connection is used internally to feed the throttle motor.

Fig 1: Identifying Supply Circuit From Main Relay To Control Module
G03576898Courtesy of SAAB-SCANIA OF AMERICA, INC.
Fig 2: Main Relay - Control Module Communication Diagram
G03576899Courtesy of SAAB-SCANIA OF AMERICA, INC.