LEMON Manuals: Even more car manuals for everyone
Home >> Saab >> 2003 >> 9-3 Vector, Automatic >> Repair and Diagnosis >> Engine Performance >> System >> TRIONIC T7 Fuel Control System >> Technical Description >> Turbo induction function diagram, exhaust, 4-cyl.

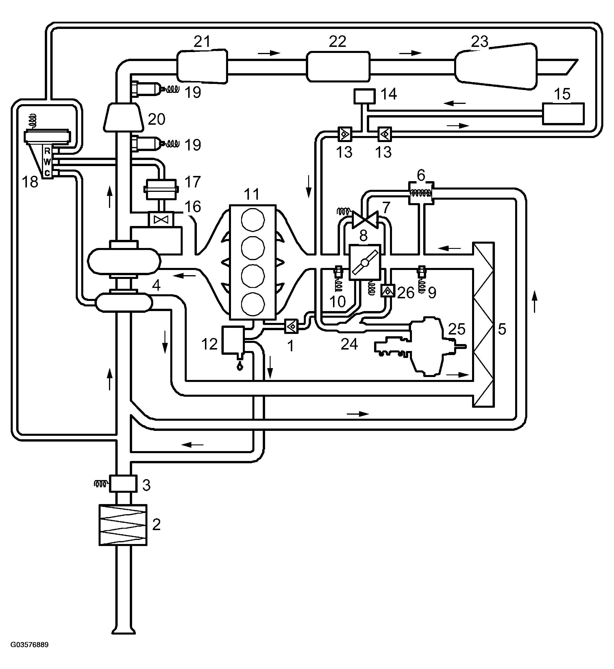
Turbo induction function diagram, exhaust, 4-cyl.

Fig 1: Turbo Induction Function Diagram - Exhaust, 4-Cyl
G03576889Courtesy of SAAB-SCANIA OF AMERICA, INC.
  1. Check valve
  2. Air cleaner filter element
  3. Mass air flow sensor
  4. Turbocharger
  5. Charge air cooler
  6. Bypass valve
  7. Solenoid valve
  8. Throttle body
  9. Charge air absolute pressure sensor/Intake air temperature sensor
  10. Intake manifold absolute pressure sensor
  11. Engine
  12. Crankcase ventilation oil trap
  13. Check valves
  14. EVAP canister purge valve
  15. EVAP canister
  16. Wastegate
  17. Charge air regulator
  18. Charge air control valve
  19. Oxygen sensors
  20. Front catalytic converter
  21. Main catalytic converter
  22. Front silencer
  23. Rear silencer
  24. Brake vacuum booster
  25. Brake servo
  26. Check valve