LEMON Manuals: Even more car manuals for everyone
Home >> Saab >> 2001 >> 9-3 Base, 2D Hatchback, Standard >> Repair and Diagnosis >> Engine Performance >> System >> TRIONIC T7 Fuel Control System >> Wiring Diagram >> Trionic T7 engine management system, LEV/OBD II (Part 1/3) >> Notes

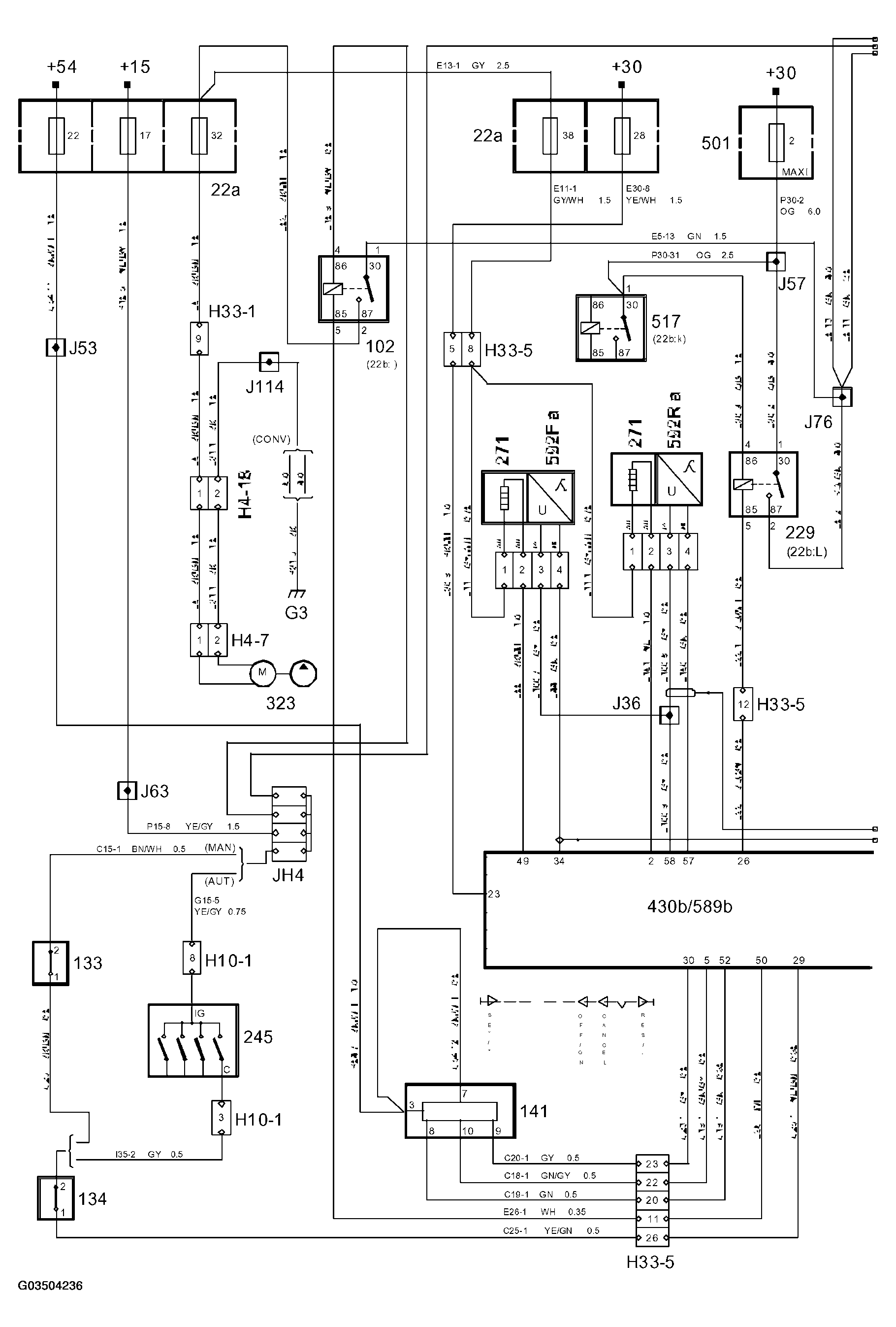
Trionic T7 engine management system, LEV/OBD II (Part 1/3): Notes

Fig 1: Component Identification Diagram - Trionic T7 Engine Management System, LEV/OBD II (Part 1/3)
G03504236Courtesy of SAAB-SCANIA OF AMERICA, INC.